Запчасти Case IH SPX4260 (167) - ACTIVE SUSPENSION (48) - TRACKS & TRACK SUSPENSION

Схема запчастей Case IH SPX4260 - (167) - ACTIVE SUSPENSION (48) - TRACKS & TRACK SUSPENSION
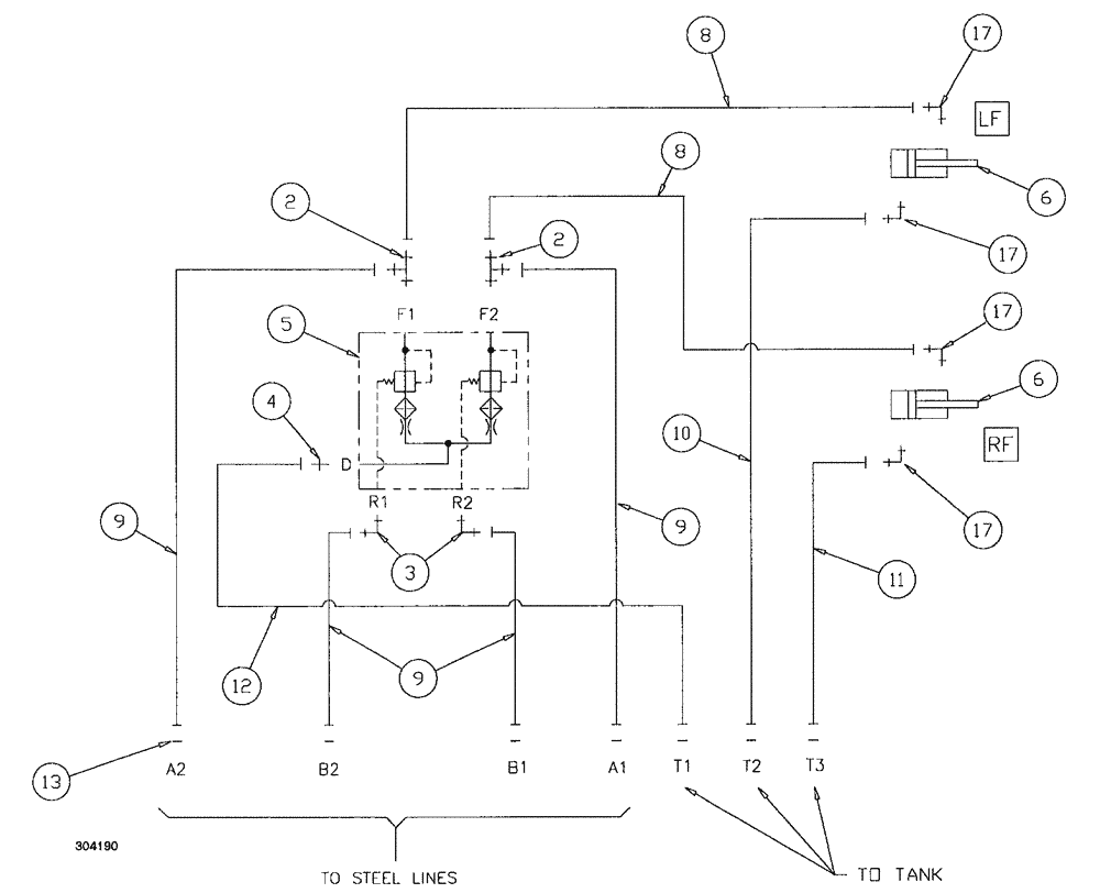
12
9
17
4
9
2
5
13
3
8
6
17
2
8
6
17
9
11
17
10
FIT
1:1
100%

Артикул

Название

Примечание

Количество

2

BN302549

ELBOW

4MOR-6MB x 90

2шт.

4

BN302641

FITTING

4MOR-6MB

1шт.

5

BN304081

BLOCK

purge (cylinder)

1шт.

6

BN313249

HYDRAULIC CYLINDER

Suspension

2шт.

6

BN313249R

REMAN-HYD CYLINDER

SPX4260 SPX-SERIES PATRIOT SPRAYER, Suspension (4/99-11/01)

2шт.

6

BN313249C

CORE-HYD CYLINDER

Return Number

2шт.

BN301959

PACKAGE

mounting hardware

1шт.

Indicates parts of an assembly

1шт.

BN313440

WASHER

Retainer

2шт.

Indicates parts of an assembly

1шт.

BN313441

BUSHING,25.2mm ID x 47.63mm OD x 25.32mm L

2шт.

Indicates parts of an assembly

1шт.

BN313442

NUT

5/8" -18 hex, SEMI-FIN

1шт.

Indicates parts of an assembly

1шт.

BN313532

BUSHING,16.26mm ID x 49.4mm OD x 27.43mm L

Urethane (Red)

2шт.

Indicates parts of an assembly

1шт.

BN307770

CYLINDER

778 active SUSP

1шт.

Indicates parts of an assembly

1шт.

BN313249R

REMAN-HYD CYLINDER

Reman for New PN BN307770

1шт.

BN313249C

CORE-HYD CYLINDER

Return Number

1шт.

BN313204

SPRING WASHER

hardened, 5/8

1шт.

Indicates parts of an assembly

1шт.

329-1510

JAM NUT,Jam, 5/8"-18, G8

2шт.

Indicates parts of an assembly

1шт.

8

BN313057

HOSE

4 x 166

2шт.

9

BN313059

HOSE

4 x 45

4шт.

10

BN313060

HOSE

4 x 175

1шт.

11

BN313061

HOSE,6.35mm ID x 5080mm L, SAE 100R17

4 x 200

1шт.

12

BN313062

HOSE

4 x 35

1шт.

13

BN305411

O-RING,0.07" Thk x 0.301" ID, -11, Cl 6, 90 Duro

for -4 FFOR

7шт.

17

BN302547

90 ELBOW

9/16-18 x 7/16-20, ZND

4шт.

Выбрано товаров: 31