Качественные детали и логистика
Оригинальные и аналоговые запчасти с доставкой по России, Казахстану и Беларуси
©2022 PartSell ООО "Система" ИНН 2463123282 ОГРН 1212400004838
Центральный офис: г. Красноярск, Академика Киренского, д.87, пом.4
Телефон: 8 (800) 777-65-74 Email: zakaz@partsell.ru
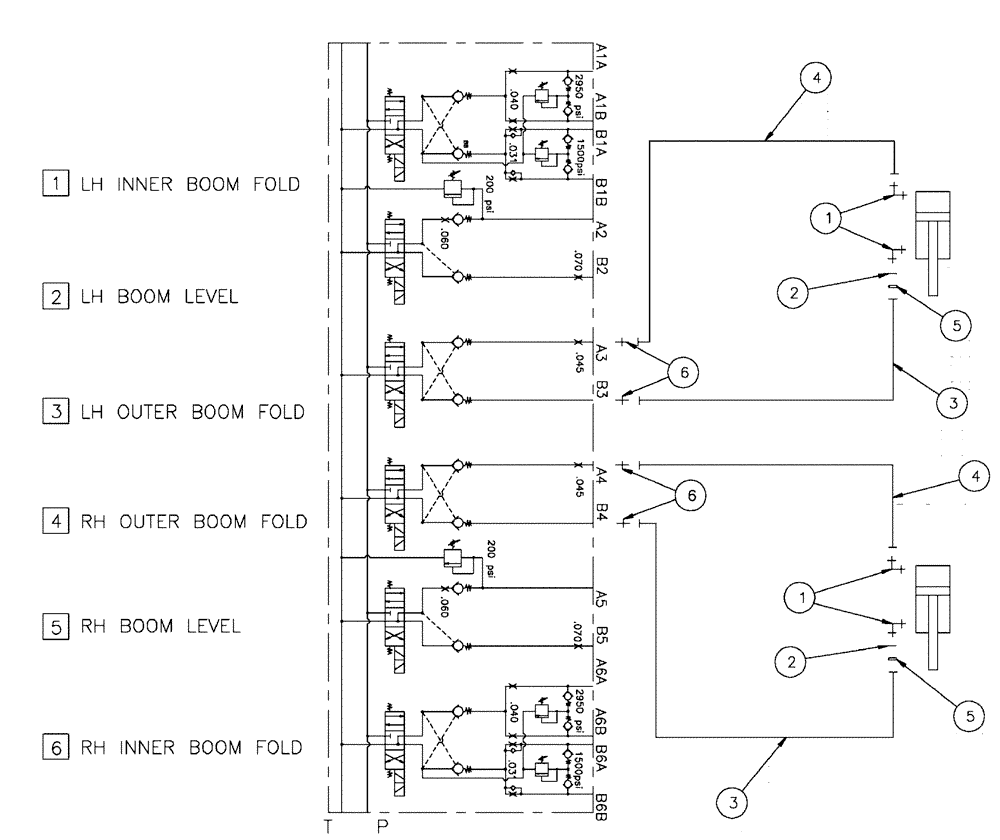
(06-007) - HYDRAULIC GROUP, OUTER FOLD, NO CYLINDER
№
Артикул
Название
Примечание
Количество
1
201-304
ELBOW,90 Degree Elbow, 11/16" - 16 Male ORFS x 9/16" - 18 Male ORB
4шт.
2
BN305412
O-RING
For 6 FFOR
2шт.
3
BN307879
HOSE ASSY.,6.35mm ID x 9855.2mm L
4
BN307880
HOSE ASSY.,6.35mm ID x 9423.4mm L, SAE 100R17
5
BN313268
ORIFICE
.042 -6 Disk
6
9993143
HYD CONNECTOR,11/16" - 16 ORFS x 9/16" - 18 ORB
Выбрано товаров: 0