Запчасти Case IH SPX4410 (06-008) - SUSPENSION, ACTIVE HYDRAULIC Hydraulic Plumbing

Схема запчастей Case IH SPX4410 - (06-008) - SUSPENSION, ACTIVE HYDRAULIC Hydraulic Plumbing
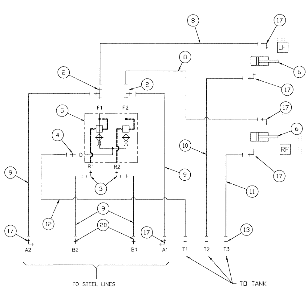
5
12
17
17
13
9
9
2
9
3
11
4
17
6
2
6
20
17
17
10
8
17
8
FIT
1:1
100%

Артикул

Название

Примечание

Количество

1

86528579

NUT,M8 x 1.25

2шт.

2

BN302581

FITTING

4MOR-4MOR-6MBX

2шт.

3

9840542

ELBOW,90 Degree, 9/16"-18 x 9/16"-18, Adj, ORFS

2шт.

4

BN302641

FITTING

4MOR-6MB

1шт.

5

BN304081

BLOCK

Purge (Cylinder)

1шт.

6

NS

NOT SERVICED

Cylinder Group, Suspension

2шт.

See Fig. 04-016

1шт.

7

353308

NUT,M6 x 1.0, Cl 8

2шт.

8

BN313057

HOSE

4 X 166

2шт.

9

BN313059

HOSE

4 X 36

4шт.

10

BN313060

HOSE

4 X 175

2шт.

11

BN313061

HOSE,6.35mm ID x 5080mm L, SAE 100R17

4 X 200

1шт.

12

BN313062

HOSE

4 X 35

1шт.

13

BN305411

O-RING,0.07" Thk x 0.301" ID, -11, Cl 6, 90 Duro

For -4FFOR

3шт.

14

86508569

BOLT,Hex, M6 x 70mm, Cl 8.8

2шт.

15

43127

BOLT,Hex, M8 x 1.25 x 25mm, Cl 8.8

2шт.

16

BN313399

LOCKING TAB

1шт.

17

201-303

ELBOW,90 Degree Elbow, 9/16" - 18 Male ORFS x 7/16" - 20 Male ORB

6шт.

BN313250

SUSPENSION

Shock Assembly

2шт.

Not Shown

1шт.

See Fig. 04-017

1шт.

17

BN322741

SLEEVE

Hose, 1.42 ID X 12

2шт.

20

BN302640

FITTING

4MOR-4MB

2шт.

Выбрано товаров: 23