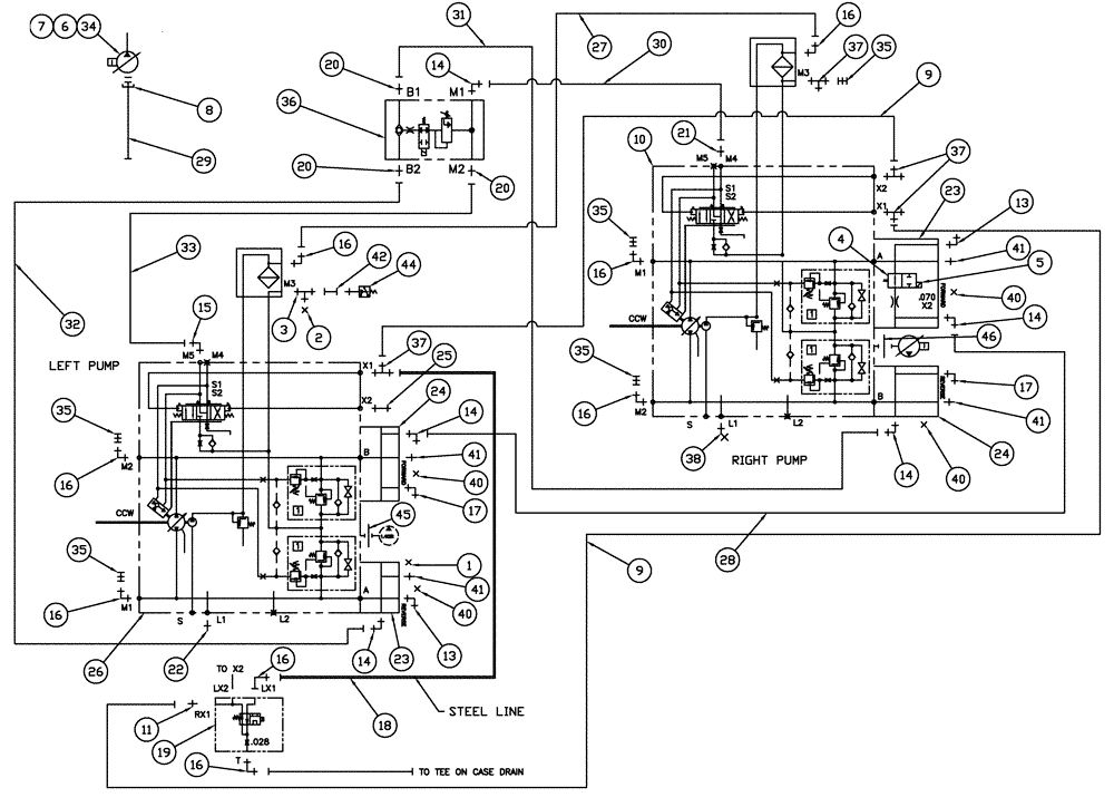
Запчасти Case IH SPX4410 (06-012) - HYDROSTATIC PUMP GROUP Hydraulic Plumbing

Схема запчастей Case IH SPX4410 - (06-012) - HYDROSTATIC PUMP GROUP Hydraulic Plumbing
16
38
4
16
11
31
14
16
26
20
23
36
27
8
22
29
16
20
24
14
40
24
13
35
41
5
10
40
30
41
16
1
16
18
21
34
28
35
40
41
35
16
17
9
14
35
19
9
35
15
37
45
44
3
41
16
2
23
6
32
25
14
42
37
40
46
14
13
7
37
33
17
20
FIT
1:1
100%

Артикул

Название

Примечание

Количество

1

BN21243

PLUG

Hex, 7/8"-14, O-Ring

1шт.

2

BN21531

NUT,7/16"-20, 37 Degree

1шт.

3

BN21866

TEE,9/16"-18 O-Ring x 7/16:-20, 37 Degree

1шт.

4

BN300304

SOLENOID VALVE

Traction

1шт.

5

BN300307

COIL

12 VDC, Traction

1шт.

6

87529240

WASHER,0.53" ID x 1.06" OD x 0.13" Thk

0.531 x 1.062 x 0.134 HTS DOR HDN

2шт.

7

87342927

BOLT,Hex, 1/2" - 13 x 1 1/4", Gr 8

Hex, 1/2"-13 x 1 1/4, G8

2шт.

8

BN316599

REPAIR KIT

1-1/4 Split Flnge, CO61

1шт.

Incl 2 Clamps, 70921117, 4 Bolts, 9637916, 4 Lock Washers, 92-11044, 1 O Ring, 235757

1шт.

9

BN314945

HOSE ASSY.

2шт.

10

BN322126

HYDRAULIC PUMP,75 CC

90 75CC W/B 13T

1шт.

See Fig. 06-033

1шт.

10

BN322126R

REMAN-HYD PUMP

SPX4410

1шт.

10

BN322126C

CORE-HYDRAULIC PUMP

Return Number

1шт.

11

BN302646

FITTING

11/16-16 ORFS x 9/16-18 ORB

1шт.

12

87341841

BOLT,Hex, M6 - 1 x 55mm, Class DOR

M6X55 8.8

2шт.

13

BN302424

ELBOW

16MOR-16MBX90LL

2шт.

14

BN302547

90 ELBOW

9/16-18 x 7/16-20, ZND

5шт.

15

BN302549

ELBOW

4MOR-6MB X 90

1шт.

16

BN302553

ELBOW

11/16-16 ORFS x 9/16-18 ORB

8шт.

16a

237-6006

O-RING,0.078" Thk x 0.468" ID, -906, Cl 6, 90 Duro

2шт.

16b

9993141

O-RING,0.07" Thk x 0.364" ID, -12, Cl 6, 90 Duro

2шт.

17

BN302574

ELBOW

16MOR-16MB X 90

2шт.

17a

167268

O-RING,0.116" Thk x 1.171" ID, -916, Cl 6, 90 Duro

1шт.

O-ring boss end

1шт.

17b

238-6021

O-RING,15/16 X 1 - 1/16, Cl 6

1шт.

Face seal end

1шт.

18

BN314930

TUBE

HYD. Tube, Shunt 90

1шт.

19

BN314775

VALVE

Shunt -2 Cavity

1шт.

20

BN302640

FITTING

4MOR-4MB

3шт.

21

BN302641

FITTING

4MOR-6MB

1шт.

22

BN302655

FITTING

12 MOR-12 MB

1шт.

23

BN304137

VALVE

Block W Sol

2шт.

24

BN304138

VALVE

Blk W/O Sol

2шт.

25

BN313038

FITTING

6MB-6MB

1шт.

26

BN322125

HYDRAULIC PUMP,75 CC

90 75CCW/A11T

1шт.

See Fig. 06-033

1шт.

26

BN322125R

REMAN-HYD PUMP

SPX4410

1шт.

26

BN322125C

CORE-HYDRAULIC PUMP

Return Number

1шт.

27

BN307804

HOSE ASSY.

1шт.

28

86986085

HOSE

4 x 12"

1шт.

29

343888A1

HOSE

20 x 20"

1шт.

30

BN307885

HOSE ASSY.

4 X 27"

1шт.

31

BN307886

HOSE ASSY.

4 X 21"

1шт.

32

BN307887

HOSE ASSY.

4 X 28"

1шт.

33

BN307888

HOSE ASSY.

4 X 30"

1шт.

34

BN316492

PUMP,28 CC

Pressure COMP. 1.16

1шт.

34

BN316492R

REMAN-HYD PUMP

SPX4410 (6/04-8/06)

1шт.

34

BN316492C

CORE-HYDRAULIC PUMP

Return Number

1шт.

34a

238-5155

O-RING,0.103" Thk x 3.987" ID, -155, Cl 5, 75 Duro

1шт.

Used on the nose of hydraulic pump BN316492

1шт.

35

BN307993

NIPPLE, LUBE

NIPPLE Diagnostic-6FFOR

5шт.

36

BN308044

PACKAGE

Valve-Pressure Limiter

1шт.

37

BN302583

FITTING

6MOR-6MOR-6MBX

4шт.

38

BN302639

ELBOW

12MOR-12MB X 45

1шт.

39

86980379

BOLT,Hex, M8 x 1.25 x 20mm, Cl 8.8

2шт.

40

BN60479

PLUG

1 5/16-12 O-Ring-Hex

4шт.

41

BN57223

FITTING

16 MOR-16 MB

4шт.

42

BN53961

ADAPTER

Int. Pipe-37 Flare

1шт.

43

87342892

BOLT

Hex, 7/16"-14 x 2 3/4, G5

16шт.

44

BN53950

SENSOR

Pressure, N.O.200 PSI

1шт.

45

14461081

O-RING,3.237" ID x 0.103" Width

1шт.

46

87487840

O-RING,0.103" Thk x 3.737" ID, -154, Cl 7, 75 Duro

0.103 X 3.737 154 7

1шт.

47

BN307971

SEALANT

thread

1шт.

48

BN1243001

LOCTITE

243-31 Removable

1шт.

Выбрано товаров: 65