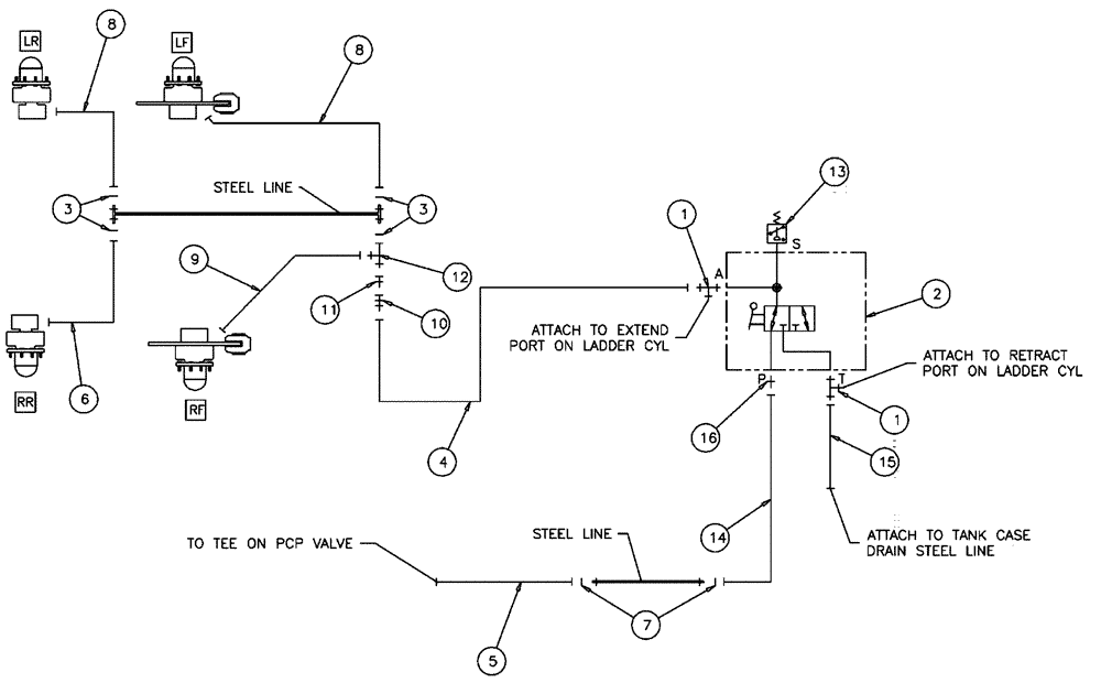
Запчасти Case IH SPX4410 (06-017) - PARK BRAKE GROUP Hydraulic Plumbing

Схема запчастей Case IH SPX4410 - (06-017) - PARK BRAKE GROUP Hydraulic Plumbing
15
3
14
12
4
1
9
8
10
5
7
11
1
6
8
2
16
13
3
FIT
1:1
100%

Артикул

Название

Примечание

Количество

1

BN302583

FITTING

6MOR-6MOR-6MBX

2шт.

2

BN324460

VALVE, BRAKE

Park 2/3 Way

1шт.

3

BN305412

O-RING

For 6 FFOR

4шт.

4

BN325118

HOSE ASSY.

6 X 64"

1шт.

5

BN324254

HOSE

6 x 26"

1шт.

6

BN325851

HOSE ASSY.

4 X 141"

1шт.

7

BN305413

O-RING,0.07" Thk x 0.489" ID, -14, Cl 6, 90 Duro

For -8 FFOR

1шт.

8

BN325853

HOSE

- 4 x 168"

1шт.

9

86986091

HOSE

4 x 135"

1шт.

10

BN307992

COUPLING

Diagnostic 4MNPT

1шт.

11

BN307993

NIPPLE, LUBE

NIPPLE Diagnostic Nipple -6FFOR

1шт.

12

BN302435

TEE

11/16 -16 ORFS x 11/16 -16 ORFS Swivel

1шт.

13

342105A1

SENSOR

Pressure N.C. 200 PSI

1шт.

14

BN325119

HOSE

- 6 x 40"

1шт.

15

BN325308

HOSE ASSY.

6 X 36"

1шт.

16

9993143

HYD CONNECTOR,11/16" - 16 ORFS x 9/16" - 18 ORB

1шт.

Выбрано товаров: 16