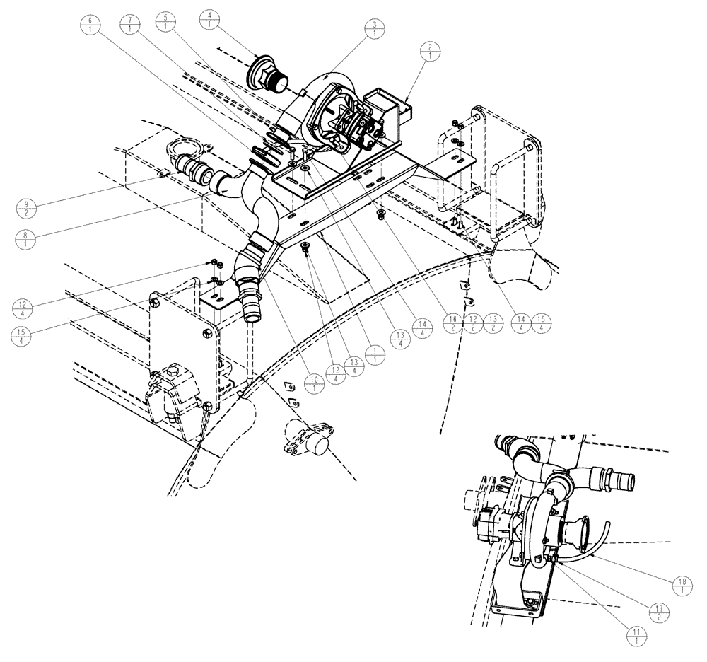
Запчасти Case IH SPX4410 (09-067) - PUMP GROUP, HYPRO, STANDARD Liquid Plumbing

Схема запчастей Case IH SPX4410 - (09-067) - PUMP GROUP, HYPRO, STANDARD Liquid Plumbing
12
13
10
4
12
3
5
17
13
13
12
16
1
14
9
14
2
15
1
18
6
11
8
15
FIT
1:1
100%

Артикул

Название

Примечание

Количество

1

87268147

BRACKET

Spand, Plumbing

1шт.

2

87268146

SUPPORT

Product Pump

1шт.

3

87268178

PUMP

Hypro, Standard Flow

1шт.

See Fig. 09-069

1шт.

4

87267235

ADAPTER

3" Flange X 2" npt

1шт.

5

BN322254

ADAPTER,2" Flange x 1 1/2" Male Thread SST

manifold 2 fp X 1.5 npt

1шт.

6

BN313773

CLAMP,2" Full Port

2" Flange

1шт.

7

BN313772

GASKET,2" Full Port, EPDM

2" Flange, EPDM

1шт.

8

87268195

MANIFOLD

Product Plumbing

1шт.

9

BN73781

FITTING,2" Male NPT x 2" Hose Barb, Poly

2" NPT x 2" Hose Barb

2шт.

10

BN73793

ELBOW,45 Degree Elbow, 2" Female NPT x 2" Female NPT, Poly

45 STR-2" NPT Poly

1шт.

11

BN72040

FITTING,1/8" MPT x 1/4" HB

Hose Barb, 1/8" NPT x 1/4" ID HS

1шт.

12

BN50759

LOCK NUT,3/8"-16, Nylon, Stainless

10шт.

13

80702

WASHER,0.44" ID x 1" OD x 0.08" Thk

10шт.

14

BN50258

BOLT,3/8"-16 X 1.25", Stainless

8шт.

15

87529237

WASHER,0.41" ID x 0.81" OD x 0.07" Thk

0.406 x 0.812 x 0.065, HTS, DOR, HDN

8шт.

16

BN50260

BOLT,3/8"-16 x 1-1/2", Stainless Steel

2шт.

17

87485000

CLAMP,0.25" - 0.62"

#4, Stainless Steel

2шт.

18

BN318772

HOSE,0.25" ID x 126.50"

EPDM

1шт.

Выбрано товаров: 19