Запчасти Case IH SPX4410 (09-071) - TANK MOUNT GROUP Liquid Plumbing

Схема запчастей Case IH SPX4410 - (09-071) - TANK MOUNT GROUP Liquid Plumbing
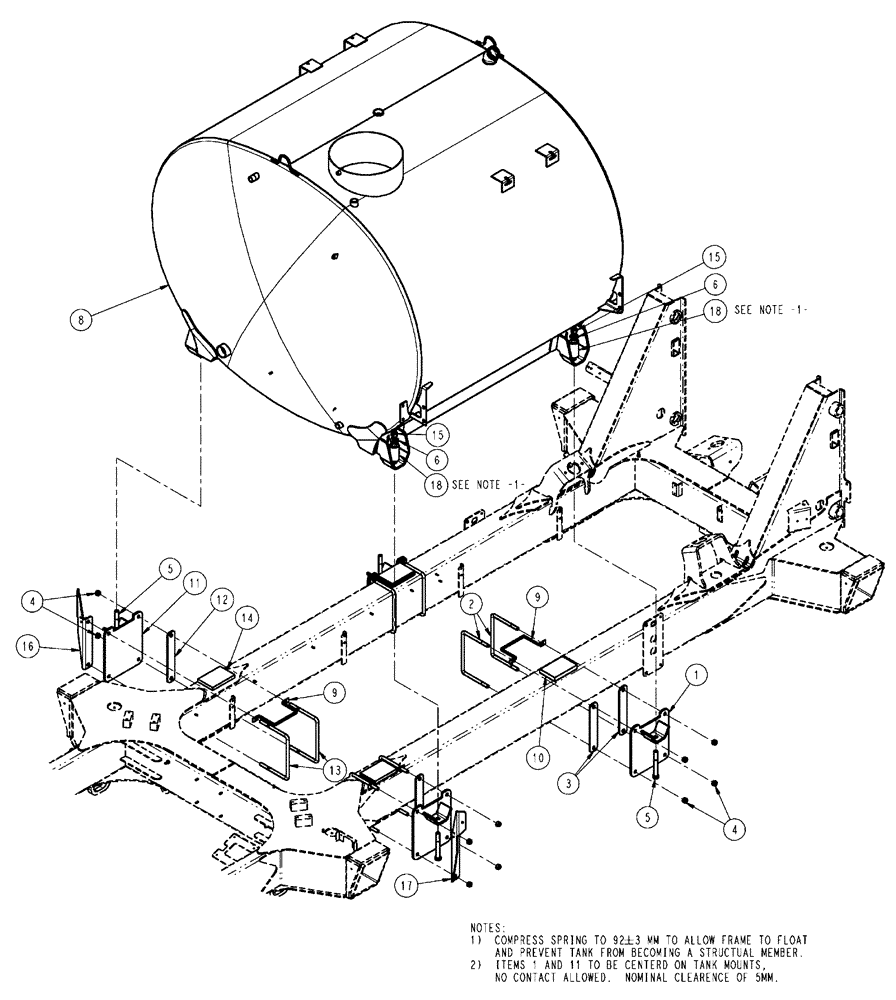
6
15
14
13
10
2
4
9
1
5
5
17
16
11
12
3
15
4
8
18
6
9
18
FIT
1:1
100%

Артикул

Название

Примечание

Количество

1

87269351

SUPPORT

Mount, Rear Tank, Start Serial: 6169

2шт.

2

BN325918

U-BOLT

M16 X 256 ID X 187 IL

4шт.

3

BN325921

SPACER

Frame

4шт.

4

412066

NUT,M16 x 2.0, Cl 8

16шт.

5

87310605

BOLT,M20 x 180, 10.9, DOR

4шт.

6

86639847

WASHER,21.8mm ID x 44.5mm OD x 5mm Thk

4шт.

8

87268187

TANK

1200 Gallon, Parts

1шт.

8a

87270464

CAP

16" With 10" Fill

1шт.

Not Shown

1шт.

8b

BN2391314-001

GASKET

For 16" Cap

1шт.

Service Parts for Ref. 8

1шт.

9

343010A1

STRAP

harness, tank pad 778D

4шт.

10

343009A1

PAD

pad, mount, tank 778D

2шт.

11

87269352

BRACKET

Mount, Front Tank

2шт.

12

343013A1

PLATE

Front Spacer 778D

2шт.

13

343008A1

U-BOLT

M16 x 10.5" x 6"

4шт.

14

343014A1

BASE

pad, mount, tank front

2шт.

15

264031

NUT,M20 x 2.5, Cl 10

4шт.

16

BN325933

SUPPORT

Drive Hoses, RH

1шт.

17

BN325932

SUPPORT

Drive Hoses, LH

1шт.

18

BN312850

SPRING

1" ID x 4" Lg-Die

4шт.

Выбрано товаров: 21