Запчасти Case IH SPX4410 (11-031) - FOAMER TANK GROUP Options

Схема запчастей Case IH SPX4410 - (11-031) - FOAMER TANK GROUP Options
20
1
20
14
13
19
19
7
8
10
18
11
14
25
21
11
20
19
14
13
5
16
20
25
14
22
26
19
12
23
21
6
16
17
3
8
4
20
15
24
2
9
19
20
19
19
FIT
1:1
100%

Артикул

Название

Примечание

Количество

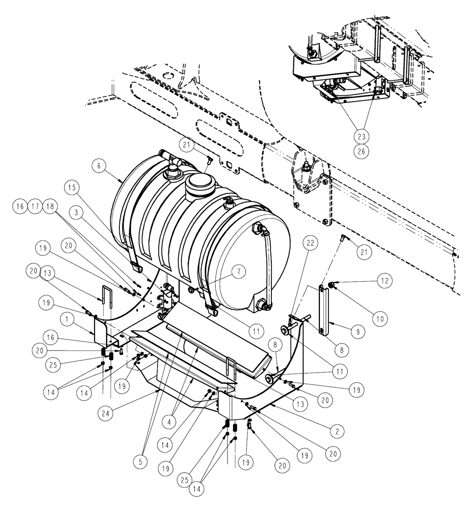
1

343434A1

SUPPORT

Cradle, Foamer Tank Rear

1шт.

2

343439A1

SUPPORT

Cradle, Foamer Tank Front

1шт.

3

87727677

PUMP,12V

Diaphragm, 1 GPM, 12V, Foam Transfer

1шт.

4

87265766

SUPPORT

Foam Tank

2шт.

5

87265767

RUBBER STRIP

694mm Long x 152mm Wide x 3mm Thick

2шт.

6

NS

NOT SERVICED

Group, Foam Tank Plumbing

1шт.

See Fig. 11-030

1шт.

7

248-2178

GROMMET,3/4" ID x 1 1/16" Groove Dia

1шт.

8

87341828

BOLT,Hex, M16 x 200mm, Cl 8.8

M16 x 200, CL8.8, DOR

4шт.

9

87269940

PLATE

Mount, Support

2шт.

10

87529306

WASHER,17.5mm ID x 30mm OD x 4mm Thk

17.5 x 30 x 4 mm, HDN, DOR

4шт.

11

87529305

WASHER,17.5mm ID x 56mm OD x 5mm Thk

17.5 x 56 x 5 mm CST DOR

4шт.

12

86980517

NUT,Hex, M16 - 2, Cl 8.8, DOR

4шт.

13

BN305434

U-BOLT

BOLT "U" 3/8 x 2 x 4.5

2шт.

14

BN50759

LOCK NUT,3/8"-16, Nylon, Stainless

10шт.

15

343448A1

STRAP

2" Nylon web, assembly

2шт.

16

BN310265

WASHER

10, Stainless Steel

4шт.

17

BN310266

BHD LOCK NUT,#10-24, Nylon, Stainless Steel

4шт.

18

BN311631

BOLT,#10 - 24 x 3/4", SST

10-24 x .75, BSH, Stainless Steel

4шт.

19

87529237

WASHER,0.41" ID x 0.81" OD x 0.07" Thk

0.406 x 0.812 x 0.065, HTS, DOR, HDN

12шт.

20

BN50254

BOLT,3/8"-16 x 1", Stainless

6шт.

21

BN50691

BOLT,Hex, 1/2" - 13 x 1", SST

1/2"-13 x 1, Stainless Steel

2шт.

22

BN55363

LOCK NUT,1/2"-13, Nylon, Stainless

2шт.

23

BN76094

HOSE CLAMP

SS #M4

2шт.

24

87265768

SUPPORT

Plumbing, Foam Tank

1шт.

25

BN300266

SPRING

4шт.

26

87265769

HOSE

3/8 x 24' Clear

1шт.

Выбрано товаров: 27