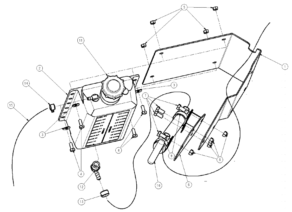
Запчасти Case IH SPX4410 (11-035) - FOAMER STATION GROUP Options

Схема запчастей Case IH SPX4410 - (11-035) - FOAMER STATION GROUP Options
4
3
7
6
11
3
4
10
2
12
1
8
13
14
9
15
5
FIT
1:1
100%

Артикул

Название

Примечание

Количество

1

344400A1

MOUNTING PLATE

Foamer Station 778

1шт.

2

BN322944

TANK

6 QT., Poly, Natural

1шт.

3

BN50142

WASHER,5/16", Stainless Steel

4шт.

4

BN50476

BOLT,5/16"-18 x 0.75", Stainless

4шт.

5

BN55361

NUT,5/16"-18, Nylon, Stainless

4шт.

6

BN325230

BRACKET

Hand Pump

1шт.

7

BN50250

BOLT,3/8"-16 x 3/4", Stainless Steel

4шт.

8

BN50759

LOCK NUT,3/8"-16, Nylon, Stainless

4шт.

9

BN325890

CLAMP

Vinyl Coated 1-9/16

2шт.

10

BN325219

PUMP

Hand, Soap Tank

1шт.

11

1547924C1

CAP

coolant recovery bottle

1шт.

12

BN325981

ELBOW

1/2" MPT x 3/8" Hose Barb, Poly

1шт.

13

BN324022

HOSE CLAMP

#8, Stainless Steel

1шт.

14

BN310450

HOSE CLAMP

#3, Stainless Steel

1шт.

15

BN324759

HOSE,0.25" ID x 17.00"

EPDM

1шт.

Выбрано товаров: 15