Запчасти Case IH SPX4410 (11-038) - CHEMICAL INDUCTOR GROUP Options

Схема запчастей Case IH SPX4410 - (11-038) - CHEMICAL INDUCTOR GROUP Options
14
13
15
16
10
4
11
7
12
9
5
2
1
8
3
6
FIT
1:1
100%

Артикул

Название

Примечание

Количество

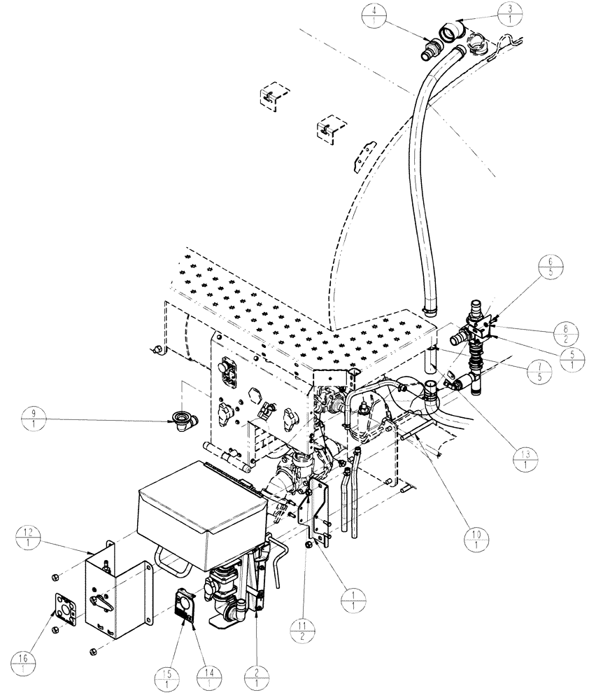
1

342643A1

MOUNTING PLATE

Chemical Inductor

1шт.

2

BN324763

TANK

Group, W/Linkage CHEM.

1шт.

See Fig. 11-040

1шт.

3

BN73793

ELBOW,45 Degree Elbow, 2" Female NPT x 2" Female NPT, Poly

45 STR-2" NPT Poly

1шт.

4

BN305163

FITTING,2" - 11-1/2 Male NPT x 1-1/2" Hose Barb, Poly

2" NPT x 1.5" Hose Barb

1шт.

5

BN324807

SERVICE KIT

CHEM. IND.

1шт.

See Fig. 11-043

1шт.

6

BN50254

BOLT,3/8"-16 x 1", Stainless

5шт.

7

BN50759

LOCK NUT,3/8"-16, Nylon, Stainless

5шт.

8

BN50146

WASHER,3/8", Stainless

2шт.

9

BN304321

FITTING,2" Flange x 1-1/2" 90 Degree Hose Barb Elbow

2" Flange x 1 1/2" Hose Barb, Poly

1шт.

12

NS

NOT SERVICED

Valve Bracket Assembly

1шт.

See Fig. 11-039

1шт.

10

BN325918

U-BOLT

M16 X 256 ID X 187 IL

1шт.

11

832-46416

NUT,M16 x 2, Cl 8

2шт.

13

NS

NOT SERVICED

Chemical Inductor Hosing Group

1шт.

See Fig. 11-042

1шт.

14

BN320997

BRACKET

Decal Mount (SS)

1шт.

15

343187A1

DECAL

chemical inductor 778D

1шт.

16

344403A1

DECAL

CHEM IND TANK

1шт.

Выбрано товаров: 20