Качественные детали и логистика
Оригинальные и аналоговые запчасти с доставкой по России, Казахстану и Беларуси
©2022 PartSell ООО "Система" ИНН 2463123282 ОГРН 1212400004838
Центральный офис: г. Красноярск, Академика Киренского, д.87, пом.4
Телефон: 8 (800) 777-65-74 Email: zakaz@partsell.ru
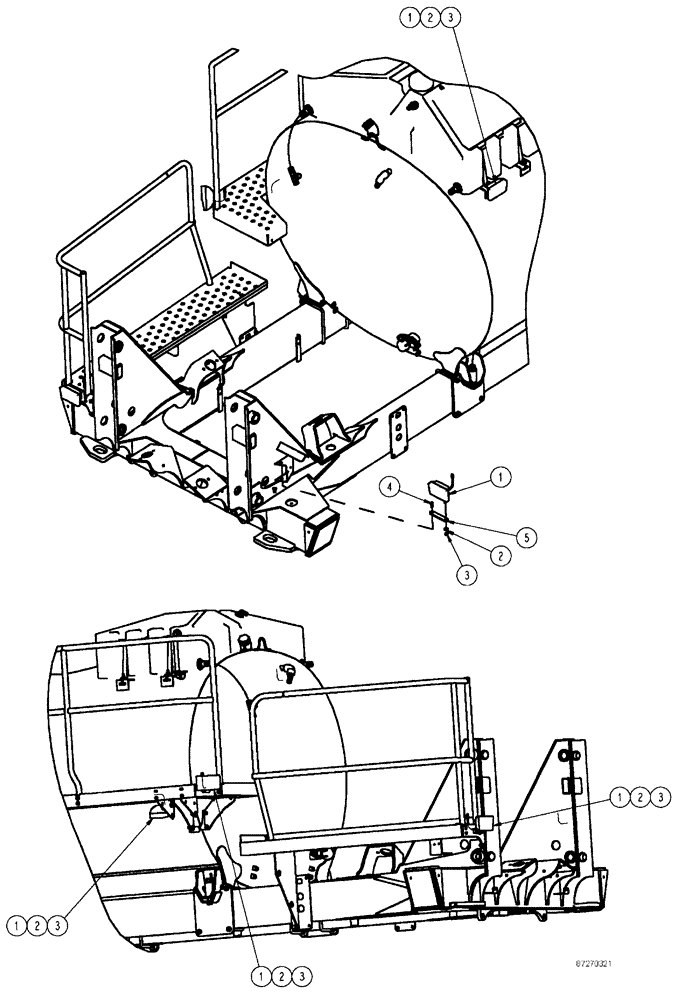
(11-054) - LIGHT GROUP, BOOM
№
Артикул
Название
Примечание
Количество
BN325747
HARNESS
Boom Lights
1шт.
1
BN324749
LAMP
Assembly, 35W Flood, 3 X 5
5шт.
92242C2
BULB,H3, 12V, 35W
H3-35W, 12V
Service Parts For Ref. 1
2
86639325
WASHER,10.8mm ID x 24.5mm OD x 3mm Thk
6шт.
3
100037
LOCK NUT,M10 x 1.5, Cl 8
4
11106231
BOLT,Hex, M10 x 1.5 x 25mm, Cl 10.9
5
342215A1
BRACKET
Mount, Boom Light
6
87270252
WIRE HARNESS
Выбрано товаров: 0