Запчасти Case IH SPX4410 (04-006) - HOSE PIVOT GROUP, RF Suspension & Frame

Схема запчастей Case IH SPX4410 - (04-006) - HOSE PIVOT GROUP, RF Suspension & Frame
3
14
8
15
6
12
16
10
17
4
9
7
11
5
13
2
1
15
FIT
1:1
100%

Артикул

Название

Примечание

Количество

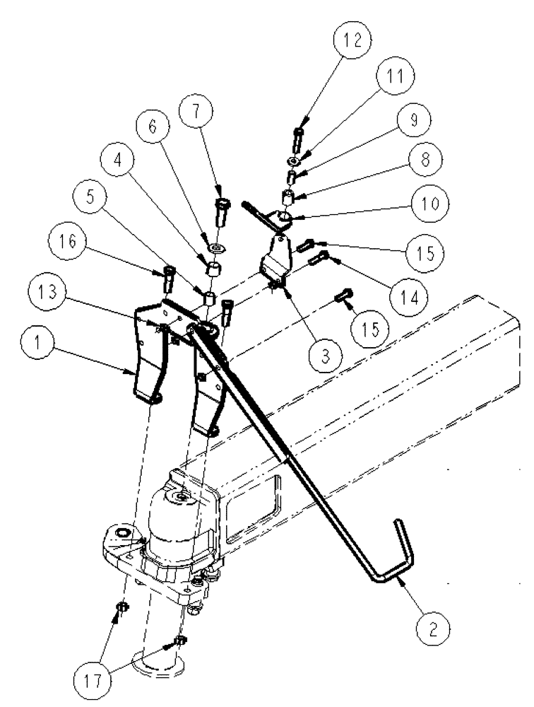
1

87266807

MOUNTING PLATE

Hose Pivot

1шт.

2

BN325088

STOP

Hoses

1шт.

3

BN321286

BRACKET

RF Hose Support

1шт.

4

87376798

BUSHING

bushing, hose

1шт.

5

87266809

SPACER,21.2mm ID x 25.4mm OD x 28mm L

tube

1шт.

6

86639847

WASHER,21.8mm ID x 44.5mm OD x 5mm Thk

1шт.

7

374890

BOLT,Hex, M20 x 2.5 x 60mm, Cl 8.8, Full Thd

1шт.

8

BN313618

BUSHING,16.15mm ID x 26.42mm OD x 35.05mm L

UHMW

1шт.

9

BN313619

BUSHING,12.7mm ID x 16mm OD x 38.1mm L

Tube

1шт.

10

BN323697

SUPPORT

Hose, RH

1шт.

11

BN313639

WASHER

M12, 30MM OD

1шт.

12

814-12070

BOLT,Hex, M12 x 1.75 x 70mm, Cl 8.8

1шт.

13

100038

NUT,M12 x 1.75, Cl 8

4шт.

14

9706702

BOLT,Hex, M12 x 1.75 x 50mm, Cl 8.8

1шт.

15

86629541

BOLT,Hex, M12 x 1.75 x 40mm, Cl 8.8

2шт.

16

355259

BOLT,Hex, M16 x 65, 8.8

2шт.

17

832-46416

NUT,M16 x 2, Cl 8

2шт.

Выбрано товаров: 17