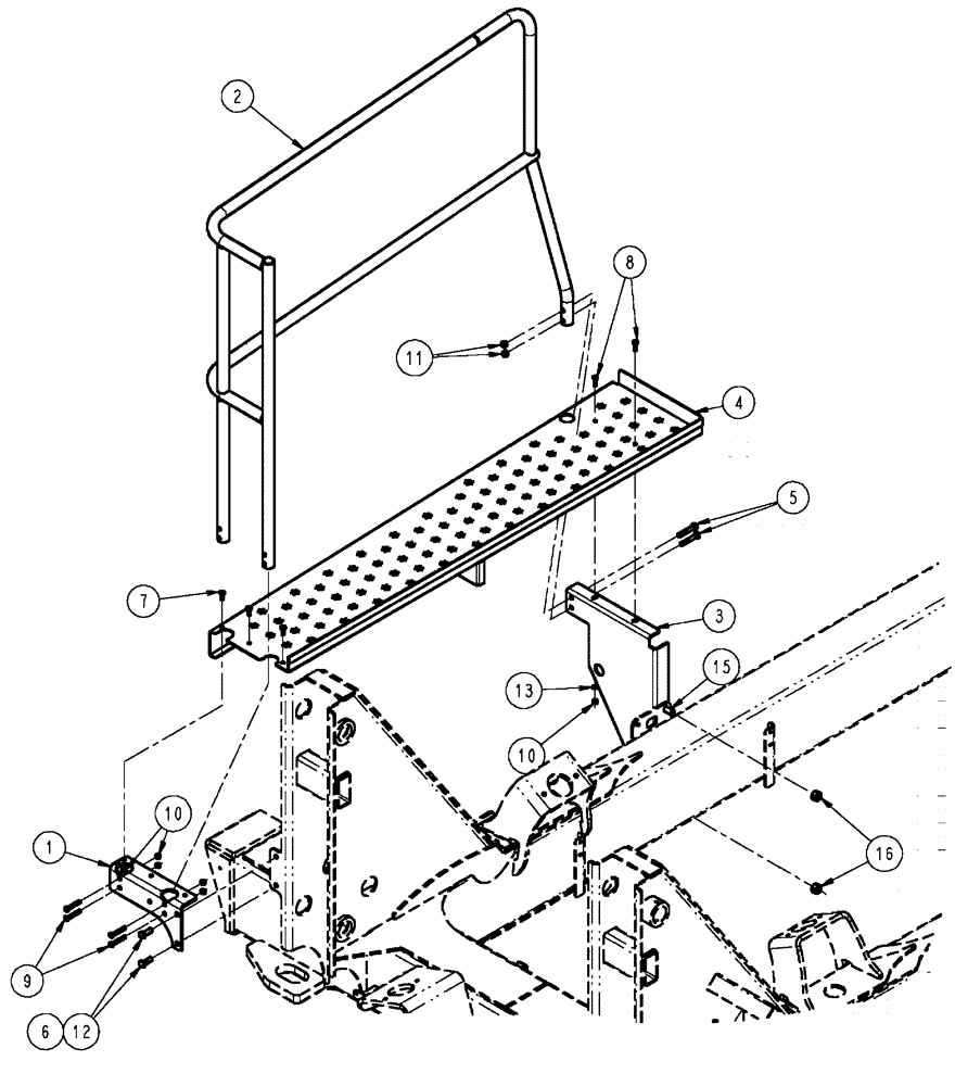
Запчасти Case IH SPX4410 (04-029) - WALKWAY GROUP, LH REAR Suspension & Frame

Схема запчастей Case IH SPX4410 - (04-029) - WALKWAY GROUP, LH REAR Suspension & Frame
7
10
6
2
10
15
9
5
13
1
3
11
12
8
4
16
FIT
1:1
100%

Артикул

Название

Примечание

Количество

1

BN319132

BRACKET

Walkway Mount

1шт.

2

87265528

HANDRAIL

LH Rear

1шт.

3

87265635

SUPPORT

Walkway

1шт.

4

87265529

EXTENSION

Walkway, LH Rear

1шт.

5

614-10060

BOLT,Hex, M10 x 1.5 x 60mm, Cl 8.8, Full Thd

2шт.

6

9706687

BOLT,M12 x 1.75 x 30mm, Cl 8.8

2шт.

7

120104

BOLT,Hex, M8 x 1.25 x 20mm, Cl 8.8

3шт.

8

43127

BOLT,Hex, M8 x 1.25 x 25mm, Cl 8.8

2шт.

9

43130

BOLT,Hex, M8 x 1.25 x 50mm, Cl 8.8

4шт.

10

86528579

NUT,M8 x 1.25

9шт.

11

100037

LOCK NUT,M10 x 1.5, Cl 8

2шт.

12

100038

NUT,M12 x 1.75, Cl 8

2шт.

13

86624184

WASHER,9mm ID x 16mm OD x 1.6mm Thk

2шт.

15

86509867

BOLT,Hex Flg, M16 x 40mm

2шт.

16

832-46416

NUT,M16 x 2, Cl 8

2шт.

Выбрано товаров: 15