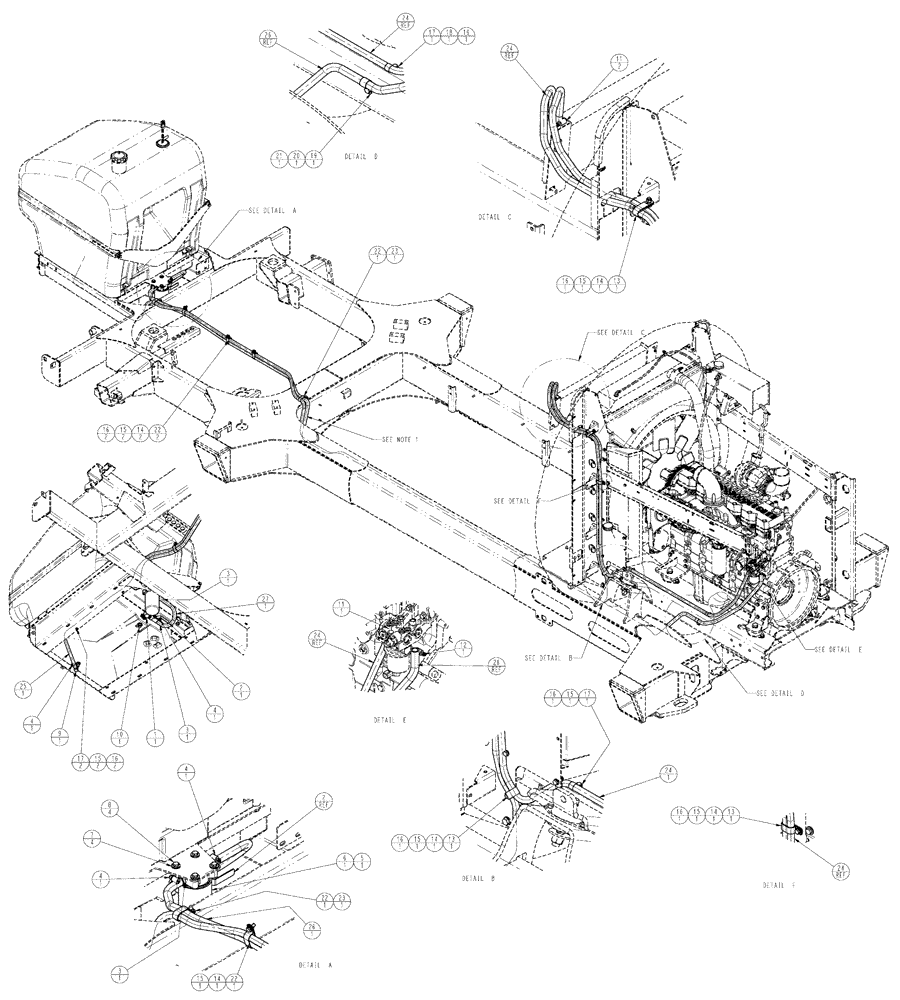
Запчасти Case IH SPX4410 (04-035) - FUEL GROUP, FITTINGS & LINES Suspension & Frame

Схема запчастей Case IH SPX4410 - (04-035) - FUEL GROUP, FITTINGS & LINES Suspension & Frame
21
16
4
17
3
12
19
23
5
13
24
22
22
27
15
26
23
15
15
4
22
24
17
22
4
25
26
15
14
14
14
24
13
24
3
24
15
13
14
4
1
16
18
2
26
3
17
7
2
15
16
16
16
9
20
16
8
15
6
11
14
10
11
16
FIT
1:1
100%

Артикул

Название

Примечание

Количество

1

217-1226

ELBOW,90 Degree, 1/2"-14 Male

1шт.

2

87265539

VALVE

valve, 1/2" npt full

1шт.

3

217-153

FITTING,5/8" Hose Barb x 1/2" Male NPTF

3шт.

4

9706921

HOSE CLAMP,12.7mm - 35mm

4шт.

5

BN319386

FILTER

HEAD HORZ MOUNT

1шт.

6

BN319388

FUEL FILTER

1шт.

7

87529312

WASHER,11mm ID x 24mm OD x 3mm Thk

4шт.

8

87342574

BOLT

Hex, 3/8"-16 x 3/4", G8

4шт.

9

217-133

ELBOW,90 Degree Elbow, 1/2" Hose Barb x 3/8" Male NPTF

1шт.

10

217-406

PLUG,Hex Hd, 1/4" - 18 NPT

1шт.

11

214-1408

HOSE CLAMP,11.2mm - 19.8mm

3шт.

12

86625021

HOSE CLAMP,17.5mm - 31.7mm, Worm Gear

1шт.

13

L101181

CLAMP,0.75" D Clamping pipes x 2

DOUBLE

3шт.

14

87529315

WASHER,9mm ID x 17mm OD x 2mm Thk

9 x 17 x 2 mm, HDN, DOR

6шт.

15

86980379

BOLT,Hex, M8 x 1.25 x 20mm, Cl 8.8

9шт.

16

9991588

NUT,M8 x 1.25, Cl 8

9шт.

17

86637976

CLAMP,19mm, Coat, 8.7mm Bolt Hole, P Type

4шт.

18

86980380

BOLT,Hex, M8 x 1.25 x 25mm, Cl 8.8, Full Thd

1шт.

19

515-24238

CLAMP,15/16", Insul, 7/16" Bolt

1шт.

20

86980400

BOLT,Hex, M10 x 25mm, Cl 8.8, Full Thd

1шт.

21

86980515

NUT,Hex, M10 x 1.5, Cl 8.8, DOR

1шт.

22

R54363

CLAMP

double, DIA. 23.8

5шт.

23

87344227

SERRATED NUT

Serrated, M8 SPL DOR

2шт.

24

87267778

FUEL HOSE

1/2 X 128, FUEL

1шт.

25

87756792

FUEL HOSE,12.70 mm ID x 8128.00 mm, SAE 30R7

1шт.

26

87756815

FUEL HOSE,15.90 mm ID x 7010.00 mm, SAE 30R7

1шт.

27

87266325

FUEL HOSE,15.88 mm ID x 381.00 mm, SAE 30R7

Fuel, 5/8 x 15"

1шт.

Выбрано товаров: 27