Запчасти Case IH SPX4410 (03-010) - TURBOCHARGER - WASTEGATE ACTUATOR (01) - ENGINE

Схема запчастей Case IH SPX4410 - (03-010) - TURBOCHARGER - WASTEGATE ACTUATOR (01) - ENGINE
4
15
3
6
12
10
13
12
5
6
4
9
8
15
6
5
14
1
FIT
1:1
100%

Артикул

Название

Примечание

Количество

335986A1

ROOF

cab

1шт.

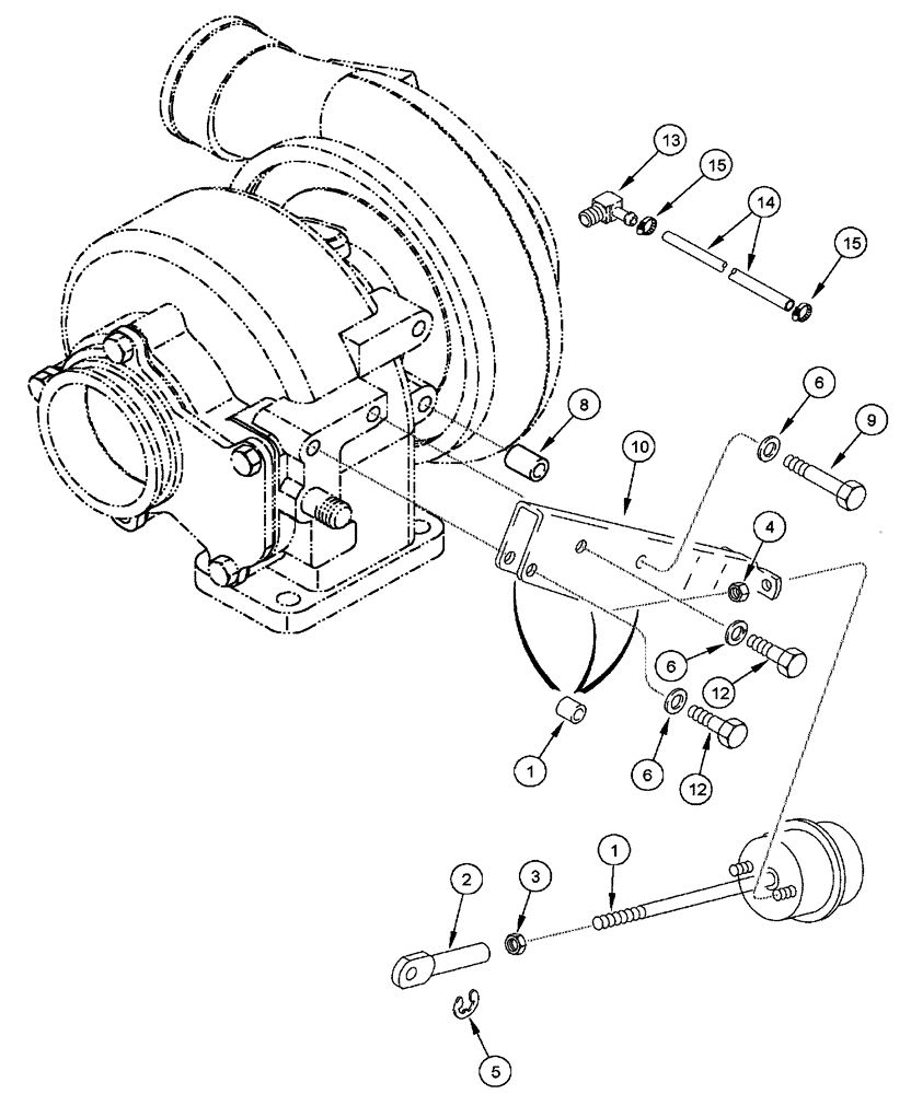
Includes Refs. 1 - 15. For Other Parts, See Figs. 03-008 And 02- 005

1шт.

1

J594348

ACTUATOR

Turbocharger

1шт.

2

J528177

LINK

Adjusting

1шт.

3

425-155

JAM NUT,Jam, 5/16"-24, G5

1шт.

4

J592050

NUT

2шт.

5

J528221

CIRCLIP

Retaining

1шт.

6

86624184

WASHER,9mm ID x 16mm OD x 1.6mm Thk

3шт.

7

J532195

SPACER,9.38mm ID x 16.03mm OD x 13.7mm L

Mounting, Short

3шт.

8

J532196

SPACER,9.38mm ID x 16.03mm OD x 19mm L

Mounting, Long

1шт.

9

43130

BOLT,Hex, M8 x 1.25 x 50mm, Cl 8.8

1шт.

10

J532671

BRACKET

Actuator

1шт.

12

412479

BOLT,Hex, M8 x 1.25 x 35mm, Cl 8.8

2шт.

13

J528121

ELBOW

Connector

1шт.

14

A78037

HOSE

Plain, 6.4 ID X 230 MM

1шт.

15

82039341

CLAMP,12mm - 22mm

#4, 0.25/0.62 Type M Worm

2шт.

Выбрано товаров: 16