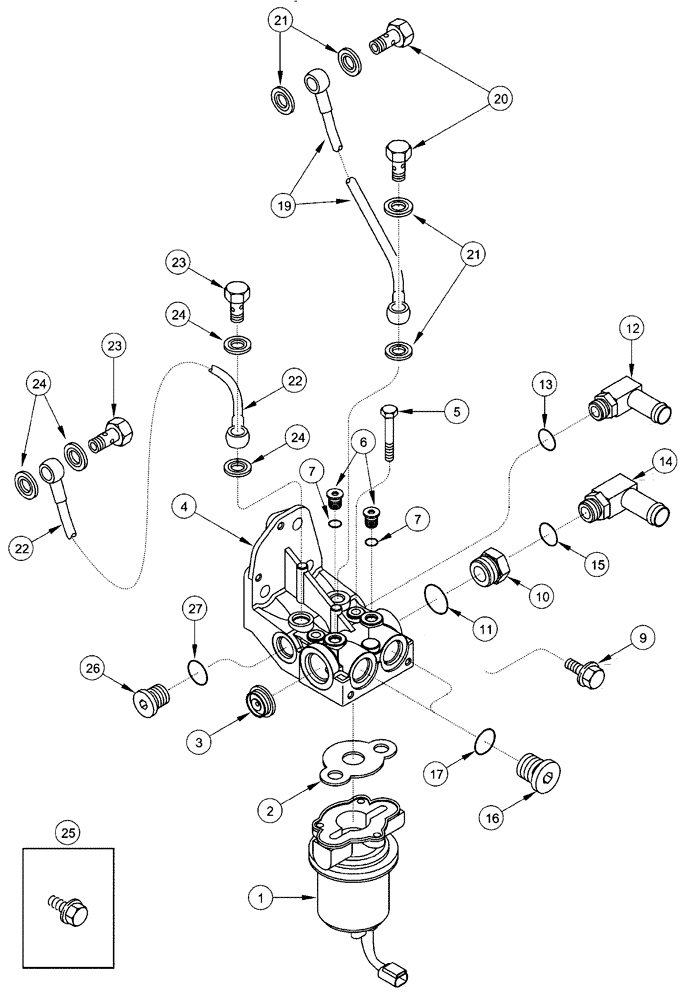
Запчасти Case IH SPX4410 (03-027) - PUMP - FUEL TRANSFER (01) - ENGINE

Схема запчастей Case IH SPX4410 - (03-027) - PUMP - FUEL TRANSFER (01) - ENGINE
13
1
6
24
19
24
2
21
21
25
10
14
16
22
20
27
4
3
9
24
22
7
26
7
23
15
17
5
23
11
12
FIT
1:1
100%

Артикул

Название

Примечание

Количество

1

J949093

FEED PUMP

Assemblyy - Fuel Transfer

1шт.

2

NSS

NOT SOLD SEPARAT

Gasket - Fuel Pump

1шт.

3

NSS

NOT SOLD SEPARAT

Valve - Check

1шт.

4

NSS

NOT SOLD SEPARAT

Bracket - Pump

1шт.

5

86637929

BOLT,Hex, 1/4" - 28 x 2", Gr 5

3шт.

6

J678923

PLUG,M10 x 1

Hex Socket, 10 MM

2шт.

7

86625087

O-RING,1.6mm Thk x 8.1mm ID, Cl 7, 75 Duro

1шт.

9

9804261

BOLT,Hex, M10 x 25mm, Cl 8.8, Full Thd

2шт.

10

J944823

ADAPTER

Reducing

1шт.

11

237-8010

O-RING,0.097" Thk x 0.755" ID, -910, Cl 8, 90 Duro

1шт.

12

86977972

FITTING,90 Degree, 1/2" Hose x 3/4"-16 ORB Beaded

1шт.

13

237-8008

O-RING,0.087" Thk x 0.644" ID, -908, Cl 8, 90 Duro

1шт.

14

217-363

FITTING,90 Degree Elbow, 5/8" Hose Barb x 1-1/16" - 12 Male ORB

1шт.

15

237-8008

O-RING,0.087" Thk x 0.644" ID, -908, Cl 8, 90 Duro

1шт.

16

311184A1

PLUG

7/8- 16 Or

1шт.

17

237-8010

O-RING,0.097" Thk x 0.755" ID, -910, Cl 8, 90 Duro

1шт.

19

J943599

FUEL TUBE,8 mm OD

Fuel Drain

1шт.

20

J903035

BANJO BOLT

Hex, 12 - 1.5 X 24 MM

2шт.

21

87415913

SEALING WASHER,11.71mm ID x 19.3mm OD x 1.27mm Thk

Special, 12 X 19 X 1.5 MM

4шт.

22

J948229

FUEL TUBE,0.394" OD

Fuel Drain

1шт.

23

J924725

BANJO BOLT,M14 x 1.5 x 26mm

Connector

2шт.

24

J918192

PACKING RING,14mm ID x 20mm OD x 1mm Thk

Washer - Sealing, Special, 14 X 20 X 1 MM

4шт.

25

845-8016

BOLT,Hvy Hex, M8 x 16mm, Cl 8.8

1шт.

26

311215A1

PLUG

3/4-16 OR

1шт.

27

237-8008

O-RING,0.087" Thk x 0.644" ID, -908, Cl 8, 90 Duro

1шт.

Выбрано товаров: 25