Запчасти Case IH SPX4410 (03-033) - FUEL INJECTION PUMP - CAM HOUSING KIT (01) - ENGINE

Схема запчастей Case IH SPX4410 - (03-033) - FUEL INJECTION PUMP - CAM HOUSING KIT (01) - ENGINE
23
3
11
16
7
27
24
4
2
13
2
12
25
26
15
20
19
9
10
14
6
17
1
28
5
3
18
21
22
8
29
FIT
1:1
100%

Артикул

Название

Примечание

Количество

A77928

HOUSING

Cam Housing

1шт.

AR77928

REMAN-HOUSING

Cam Housing, Remanufactured

1шт.

AC77928

CORE-HOUSING

Return Part Number - Cam Housing Kit (Use This Part Number To Return Cam Housing Core For Credit)

1шт.

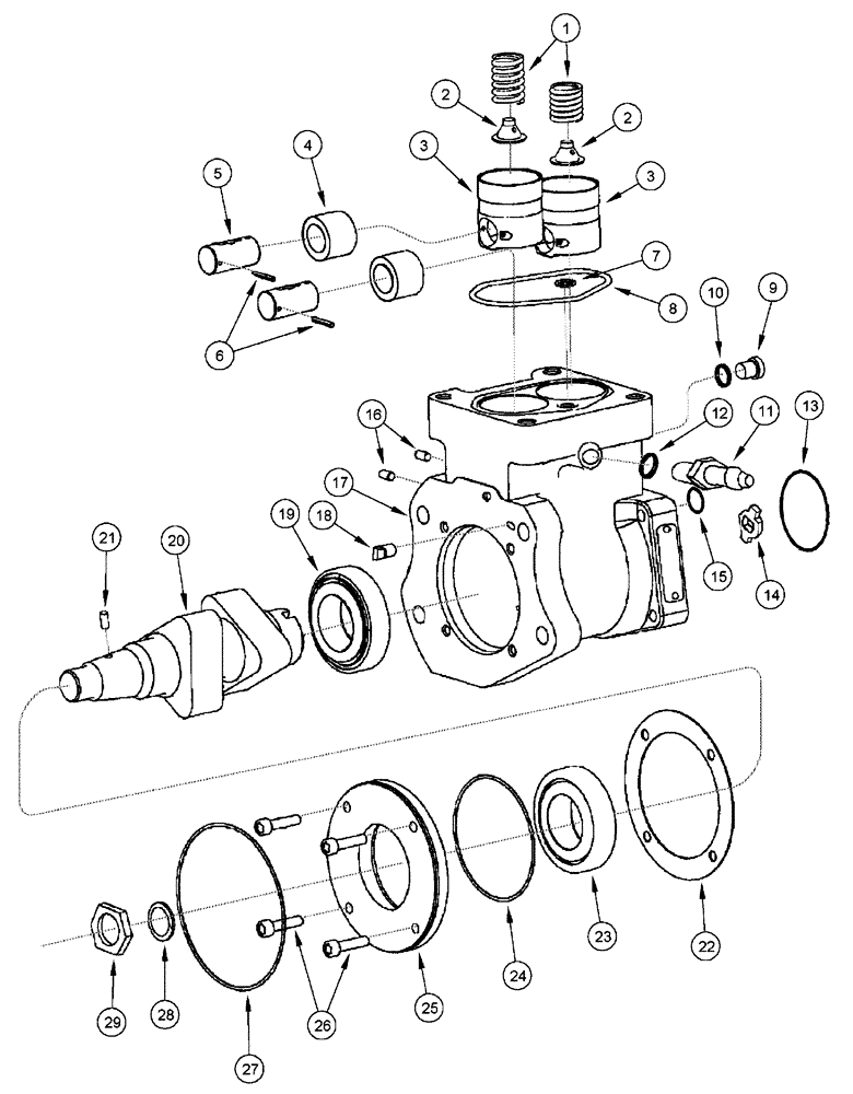
1

NSS

NOT SOLD SEPARAT

Spring - Compression

2шт.

2

NSS

NOT SOLD SEPARAT

Retainer - Spring

2шт.

3

NSS

NOT SOLD SEPARAT

Tappet

2шт.

4

NSS

NOT SOLD SEPARAT

Roller - Tappet

2шт.

5

NSS

NOT SOLD SEPARAT

Pin - Tappet Roller

2шт.

6

NSS

NOT SOLD SEPARAT

Pin - Roll

2шт.

7

J867640

O-RING,0.07" Thk x 0.364" ID, -12, Cl 5, 75 Duro

1шт.

8

J4010636

SEAL

1шт.

9

J678923

PLUG,M10 x 1

Hex Socket, 10 MM

1шт.

10

86625087

O-RING,1.6mm Thk x 8.1mm ID, Cl 7, 75 Duro

1шт.

11

J348448

ELEC CONNECTOR

Assembly

1шт.

12

86625087

O-RING,1.6mm Thk x 8.1mm ID, Cl 7, 75 Duro

1шт.

13

J867642

O-RING,0.07" Thk x 2.489" ID, -37, Cl 5, 75 Duro

1шт.

14

J4061755

HUB

Drive

1шт.

15

J867641

O-RING,0.07" Thk x 0.551" ID, -15, Cl 5, 75 Duro

1шт.

16

NSS

NOT SOLD SEPARAT

Pin - Dowel

2шт.

17

NSS

NOT SOLD SEPARAT

Housing

1шт.

18

NSS

NOT SOLD SEPARAT

Pin

1шт.

19

NSS

NOT SOLD SEPARAT

Bearing - Roller

1шт.

20

NSS

NOT SOLD SEPARAT

Camshaft

1шт.

21

J329899

DOWEL,5.01mm OD x 10mm L

Pin

1шт.

22

NSS

NOT SOLD SEPARAT

Shim

1шт.

23

NSS

NOT SOLD SEPARAT

Bearing - Roller

1шт.

24

NSS

NOT SOLD SEPARAT

O-Ring

1шт.

25

NSS

NOT SOLD SEPARAT

Support-Bearing

1шт.

26

NSS

NOT SOLD SEPARAT

Bolt

4шт.

27

J330081

O-RING

3.859 ID X 0.139 Inch Wide

1шт.

28

J330252

LOCK WASHER

Lock

1шт.

29

J926593

NUT

Hex, 20 MM-1.5

1шт.

Выбрано товаров: 32