Запчасти Case IH SPX4410 (03-037) - A/C GROUP (01) - ENGINE

Схема запчастей Case IH SPX4410 - (03-037) - A/C GROUP (01) - ENGINE
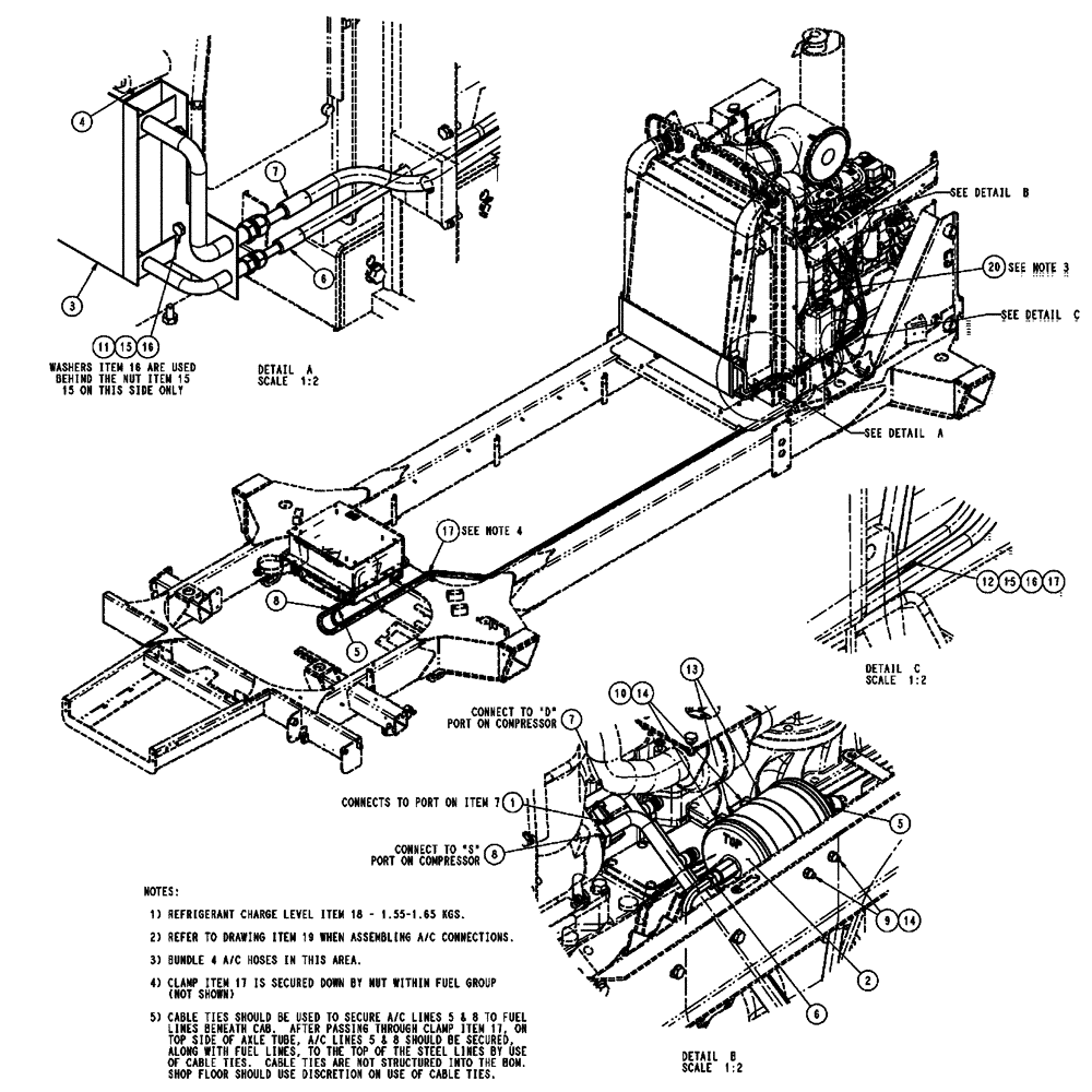
5
7
1
8
3
14
8
13
16
9
14
17
10
6
15
11
2
17
5
7
16
6
15
4
20
12
FIT
1:1
100%

Артикул

Название

Примечание

Количество

1

87000227

SWITCH, A/C HIGH PRE

High N.C.

1шт.

2

295006A1

RECEIVER-DRYER

horizontal mount

1шт.

3

BN323863

CONDENSER

A/C

1шт.

4

BN324238

FOAM INSULATION

Seal

1шт.

5

BN325737

HOSE

Assembly, Cab To Dryer

1шт.

6

BN325738

HOSE

Assembly, Dryer To COND.

1шт.

7

BN325739

HOSE

Assembly, COND. To COMP.

1шт.

8

BN325740

HOSE

Assembly, COMP. To Cab

1шт.

9

86508568

BOLT,Hex, M6 x 1 x 16mm, Cl 8.8

2шт.

10

814-6030

BOLT,Hex, M6 x 1 x 30mm, Cl 8.8

2шт.

11

120104

BOLT,Hex, M8 x 1.25 x 20mm, Cl 8.8

4шт.

12

43128

BOLT,M8 x 1.25 x 30mm, Cl 8.8

1шт.

13

70-6589T1

SUPPORT

Bracket, Recovery Dryer

2шт.

14

353308

NUT,M6 x 1.0, Cl 8

4шт.

15

86528579

NUT,M8 x 1.25

5шт.

16

86624184

WASHER,9mm ID x 16mm OD x 1.6mm Thk

3шт.

17

R54363

CLAMP

double, DIA. 23.8

2шт.

18

331-578

FLUID

refrigerant, 1 Kg, HFC-134A

1шт.

20

BN309265

CABLE

Tie

1шт.

Выбрано товаров: 19