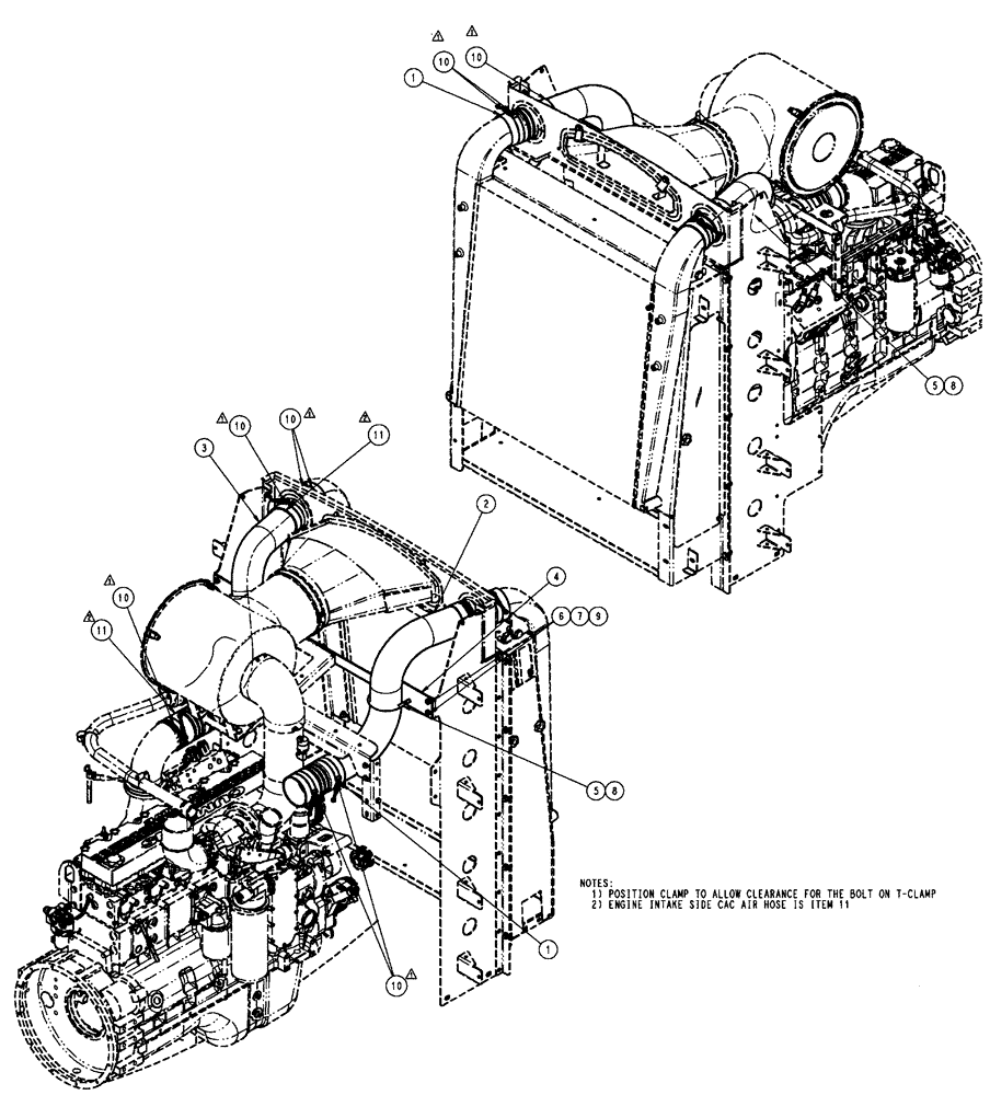
Запчасти Case IH SPX4410 (03-043) - TUBES GROUP, AIR INTAKE (01) - ENGINE

Схема запчастей Case IH SPX4410 - (03-043) - TUBES GROUP, AIR INTAKE (01) - ENGINE
11
10
10
8
11
4
1
2
10
7
10
6
8
9
1
3
10
5
5
10
FIT
1:1
100%

Артикул

Название

Примечание

Количество

1

251400A1

BELLOWS

CAC, Start Serial: 20255

2шт.

1

251400A1

BELLOWS

CAC

4шт.

Indicates Old Part Number Or Can Order Newer Part Number Listed Above

1шт.

2

BN323865

TUBE

CAC, In

1шт.

3

BN323866

TUBE

CAC, Out

1шт.

4

BN324239

SUPPORT

CAC Tubes

1шт.

5

BN324240

U-BOLT

Round

2шт.

6

120104

BOLT,Hex, M8 x 1.25 x 20mm, Cl 8.8

4шт.

7

86528579

NUT,M8 x 1.25

4шт.

8

100037

LOCK NUT,M10 x 1.5, Cl 8

4шт.

9

86624184

WASHER,9mm ID x 16mm OD x 1.6mm Thk

4шт.

10

BN300760

CLAMP

Constant Torque, 4.25"

8шт.

11

87306140

BELLOWS

CAC, Start Serial: 20255

2шт.

Выбрано товаров: 13