Качественные детали и логистика
Оригинальные и аналоговые запчасти с доставкой по России, Казахстану и Беларуси
©2022 PartSell ООО "Система" ИНН 2463123282 ОГРН 1212400004838
Центральный офис: г. Красноярск, Академика Киренского, д.87, пом.4
Телефон: 8 (800) 777-65-74 Email: zakaz@partsell.ru
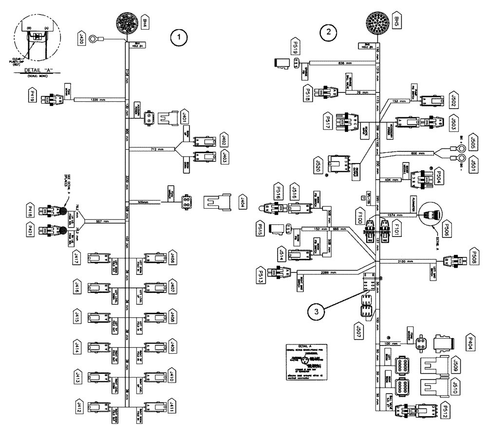
(12-014[03]) - HARNESSES
№
Артикул
Название
Примечание
Количество
1
343954A2
HARNESS
Boom Functions
1шт.
2
87265266
Product Control, Used Prior To Build Date Of 7/12/04
87270262
Product Control, Used From 7/12/04 To Build Date Of 6/1/05
87271864
Product Control, Used After Build Date Of 6/1/05
3
87265264
RELAY
Power, Boom Shut-Off
BN16174
DIODE,600V, 3A
Shown In Detail "A"
Выбрано товаров: 0