Запчасти Case IH SRX100 (A[03]) - LAYOUT ELECTRICAL - 4 LINE MONITOR , CONSOLE SWITCH UNIT AND TRACTOR HARNESS A - Distribution Systems

Схема запчастей Case IH SRX100 - (A[03]) - LAYOUT ELECTRICAL - 4 LINE MONITOR , CONSOLE SWITCH UNIT AND TRACTOR HARNESS A - Distribution Systems
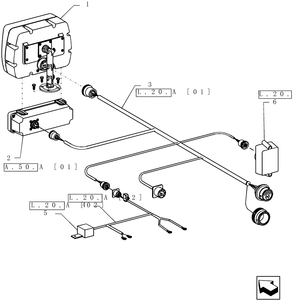
1
4
3
6
5
2
FIT
1:1
100%

Артикул

Название

Примечание

Количество

1

87604748

ECU

4 line monitor V6.0

1шт.

1

87604748R

REMAN ELECT CONTROL

ELECTRONIC

1шт.

1

87604748C

CORE-ELECTRONIC CONT

Return Number, ELECTRONIC CONTROL UNIT

1шт.

2

15100

SWITCH

control unit, 4 line monitor - sprayer 1

1шт.

Refer to A.50.A [01]

1шт.

3

13908V2

HARNESS

tractor 7.6 m

1шт.

Refer to L.20.A [01]

1шт.

4

14294

HARNESS

power adapter

1шт.

Refer to L.20.A [02]

1шт.

5

1983420C2

RELAY

12v 85 ohm c/w bracket

1шт.

Refer to L.20.A [02]

1шт.

6

13928V2

TERMINAL

powered (grey) electronic control unit

1шт.

Refer to L.20.A [32]

1шт.

Выбрано товаров: 13