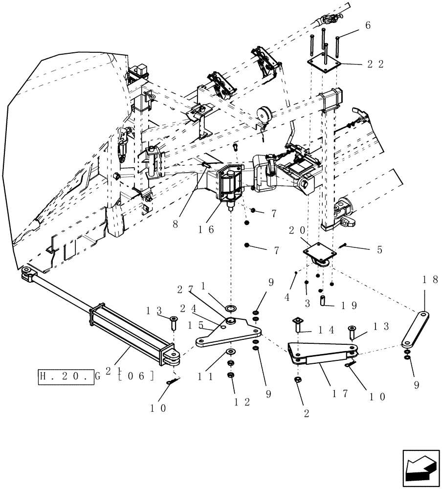
Запчасти Case IH SRX160 (H.20.G[12]) - WHEELED BOOM - HYDRAULIC UNFOLD LINKAGE H - Working Arm

Схема запчастей Case IH SRX160 - (H.20.G[12]) - WHEELED BOOM - HYDRAULIC UNFOLD LINKAGE H - Working Arm
6
19
8
10
1
14
11
13
13
2
27
7
9
9
9
10
7
12
15
3
20
18
17
21
4
24
16
22
5
FIT
1:1
100%

Артикул

Название

Примечание

Количество

1

86625259

WASHER,2.06" ID x 3" OD x 0.11" Thk

1шт.

2

280286

NUT,1"-8, GB

3шт.

3

86992215

LOCK NUT,1/2"-13, GC

40шт.

4

280129

NUT,1/4"-20

11шт.

5

87404

BOLT,Hex, 1/4" - 20 x 2", Gr 5

1шт.

6

9627857

BOLT,Hex, 1/2" - 13 x 6 1/2", Gr 5

12шт.

7

85700693

NUT,5/8" - 11, Gr C

20шт.

8

86505999

BOLT,Hex, 5/8" - 11 x 2", Gr 5

4шт.

9

86624170

WASHER,1.03" ID x 1.5" OD x 0.12" Thk

8шт.

10

87045537

HAIR PIN COTTER

.148 x 3 5/16"

4шт.

11

87374

WASHER,1.06" ID x 2.5" OD x 0.17" Thk

4шт.

12

5956

JAM NUT

Jam 1"-14, G5

2шт.

13

SQ-670

PIN

1" x 3 1/2"

4шт.

14

SQ-912

PIN

1" x 3 1/2"

2шт.

15

SQ-721

LINKAGE

cylinder

1шт.

16

SQ-720

BRACKET

fold pivot

2шт.

17

SQ-722

LINKAGE

secondary plate - hydraulic unfold cylinder

2шт.

18

SQ-723

LINK

wing pull

2шт.

19

SQ-725

PIN

1" x 2 13/16"

2шт.

20

SQ-724

PIVOT

wing section

2шт.

21

9652

HYDRAULIC CYLINDER,Double Acting, 44.5mm Rod, 610mm Stroke

4" x 24" Monarch 3000 psi no pins 1 3/4" rod 1/2" fb ports inline

1шт.

21

9652R

REMAN-HYD CYLINDER

SRX100, SRX160, Both FIELD SPRAYER, HYDRAULIC UNFOLD LINKAGE, 4" x 24" Monarch 3000 psi no pins 1 3/4" rod 1/2" fb ports inline (6/06-11/08)

1шт.

21

9652C

CORE-HYD CYLINDER

Return Number

1шт.

22

SQ-724

PIVOT

wing section

2шт.

24

6566

DECAL

grease 50 hours

2шт.

25

SQ-697

INSERT

single stage caster

2шт.

26

86500692

BOLT,Hex, 3/8" - 16 x 3/4", Gr 8, Full Thd

4шт.

27

87414

LUBE NIPPLE,1/4" - 28

1шт.

Выбрано товаров: 28