Запчасти Case IH PATRIOT (12-004) - WIRING SCHEMATIC - VALVE (S/N 05920092 AND UP) (06) - ELECTRICAL

Схема запчастей Case IH PATRIOT - (12-004) - WIRING SCHEMATIC - VALVE (S/N 05920092 AND UP) (06) - ELECTRICAL
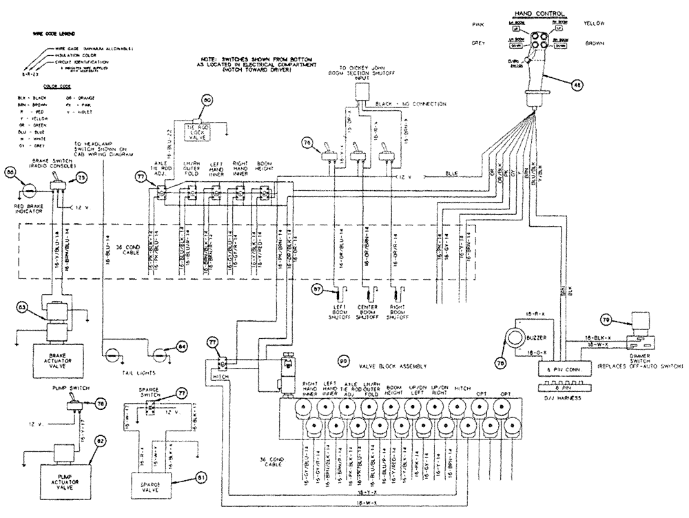
75
53
77
78
48
79
90
87
84
77
78
50
77
81
82
56
78
FIT
1:1
100%

Артикул

Название

Примечание

Количество

46

BN29987

Grip-Form

1шт.

48

BN29750

SWITCH

Neutral Safety

1шт.

49

BN29730

Reverse

1шт.

50

BN29570

Foam (Optional)

1шт.

51

BN29444

BAR

Bus

1шт.

53

BN57210

GAUGE

Oil

1шт.

52

BN57208

GAUGE

Temperature

1шт.

54

BN57212

GAUGE

Fuel

1шт.

55

BN57213

SENDER UNIT

Fuel

1шт.

56

BN57217

GAUGE

Amp

1шт.

57

BN29277

TACHOMETER

1шт.

58

342465A1

SWITCH

range select

1шт.

59

F63858

BLOCK

Fuse, 6 Gang

1шт.

60

282775A1

IGNITION SWITCH

With Padded Keys

1шт.

61

BN29273

SWITCH

Headlight/Taillight

1шт.

62

BN324281

LIGHT

Amber Flashing

2шт.

63

BN29440

KNOB

For Contact Block BN29439

1шт.

64

F63858

BLOCK

Fuse, 6 Gang

2шт.

65

BN29266

SWITCH

Windshield Wiper

1шт.

66

BN16163

SWITCH

Lighted On - Off

1шт.

67

BN29252

LIGHT

Flood 900/H9406 12V

4шт.

68

BN29525

FLASHER UNIT

3 Terminal

1шт.

69

BN29267

WIPER MOTOR

MOTOR, WIPER 2 Speed, 12V

1шт.

70

BN57211

SENSOR

Oil

1шт.

71

BN29442

CIRCUIT BREAKER

80 amps

1шт.

72

BN29401

RELAY

Starter

1шт.

73

BN57218

SWITCH

1шт.

74

BN57209

TEMPERATURE SENDER

1шт.

75

BN23465

SWITCH

On-On

1шт.

78

BN29446

SWITCH

Toggle, On-Off

4шт.

77

BN29445

SWITCH

On-Off-On

6шт.

78

BN16018

ALARM

Low Hopper

1шт.

79

BN29522

SWITCH

Dimmer Floor Mount

1шт.

80

BN29788

CARTRIDGE

Tie Rod Lock (Cartridge Only)

1шт.

81

87546542

HYDRAULIC VALVE

Electric 1"

1шт.

82

BN22639

HYDRAULIC VALVE

Pump

1шт.

83

BN52306

SOLENOID VALVE

Brake Actuator

1шт.

84

BN325828

TAIL LAMP

Red

2шт.

87

BN53672

Directo

3шт.

88

BN29780

INDICATOR LIGHT

Red, 12V

1шт.

90

BN29951

Valve

1шт.

Выбрано товаров: 41