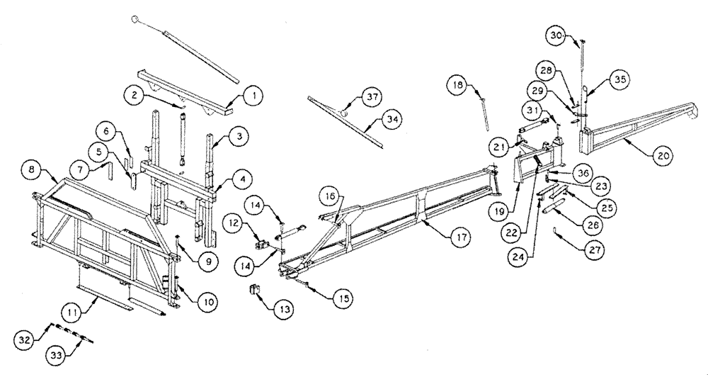
Запчасти Case IH PATRIOT (08-001) - BOOM ASSEMBLY (09) - BOOMS

Схема запчастей Case IH PATRIOT - (08-001) - BOOM ASSEMBLY (09) - BOOMS
3
33
23
13
37
16
31
36
28
29
14
2
24
25
6
9
8
10
27
11
22
1
20
5
19
7
30
26
35
12
32
34
21
18
14
4
15
17
FIT
1:1
100%

Артикул

Название

Примечание

Количество

1

BN9264

Hanger

1шт.

2

BN71213A

PIN

2шт.

3

BN29493

Mount

2шт.

4

BN9257

Boom Rack

1шт.

5

BN29505

HANGER

3/4 x 3 HRFB x 10.50

4шт.

6

BN23267

8шт.

7

87506475

UNION

valve cap 1" arag

4шт.

8

BN09256

BOOM

center section

1шт.

9

BN9097

2шт.

10

BN9098

2шт.

11

BN89826

1шт.

12

BN9073

Swivel

2шт.

13

BN9072

Pivot

2шт.

14

BN9092

4шт.

15

BN9093

2шт.

16

BN9091

2шт.

17

BN9068

L.H., Inner

1шт.

BN9069

R.H., Inner

1шт.

18

BN89827

PIN

2шт.

19

BN9255

L.H., Outer

1шт.

BN9254

R.H., Outer

1шт.

20

BN9262

L.H., Breakaway

1шт.

BN9263

R.H., Breakaway

1шт.

21

BN6838

Take Up

2шт.

22

BN50542

SPRING

2шт.

23

BN9074A

Spring

2шт.

24

BN9258

L.H. Upper Shock

1шт.

BN9259

R.H. Upper Shock

1шт.

25

BN9260

L.H. Lower Shock

1шт.

BN9261

R.H. Lower Shock

1шт.

28

BN52301

Shock

2шт.

27

BN89161

BUSHING

11/16" od x 14 GA x 3 7/16" long

4шт.

28

BN21410

2шт.

29

BN21414

2шт.

30

BN9094

2шт.

31

BN22456

PIN,19.05mm OD x 81.28mm L

boom pivot

2шт.

32

BN21197

SHAFT

1" x 36"

1шт.

33

BN20160

SPRING

Compression, 1 3/4" od x 5 1/2"

4шт.

34

BN29495

2шт.

35

22113

HYDRAULIC HOSE,0.38" ID x 17.00", SAE J517, SAE J516, SAE J846, SAE J1273

2шт.

36

BN89200

2шт.

37

BN324281

LIGHT

Amber Flashing

2шт.

Выбрано товаров: 0