Запчасти Case IH PATRIOT 150 (03-001[02]) - ENGINE (01) - ENGINE

Схема запчастей Case IH PATRIOT 150 - (03-001[02]) - ENGINE (01) - ENGINE
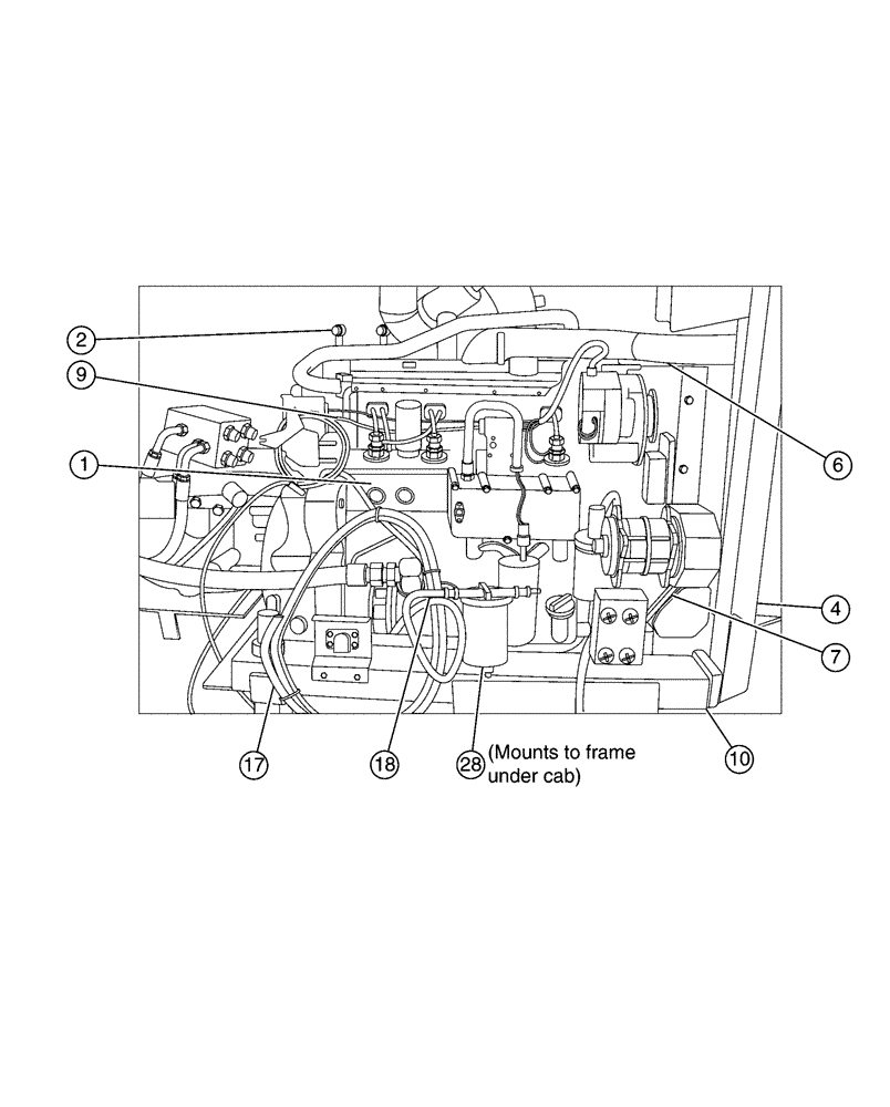
18
10
28
6
1
9
7
4
2
17
FIT
1:1
100%

Артикул

Название

Примечание

Количество

1

BN66285

Duetz

1шт.

2

BN66491

Oil Cooler

1шт.

4

BN66646

Charge Air Cooler

1шт.

5

BN66661

Engine Mounting

4шт.

6

BN66662

Charge Air Cooler

1шт.

7

BN66663

BELT

A/C

1шт.

8

BN67310

SENDER UNIT

Temperature 100-280 M14X 1.5

1шт.

9

BN68173

Wire - Engine (150)

1шт.

10

BN66222

Engine - Duetz

1шт.

10a

50288

BOLT Hex, 1/2"-13 x 2", G5

3шт.

Associated Part Of Engine Skid-Duetz, P/N BN66222

1шт.

10b

86992215

LOCK NUT,1/2"-13, GC

3шт.

Associated Part Of Engine Skid-Duetz, P/N BN66222

1шт.

10c

BN66486

Spacer 1.5 DIA.

1шт.

Associated Part Of Engine Skid-Duetz, P/N BN66222

1шт.

10d

BN66487

Spacer 1.25 DIA.

2шт.

Associated Part Of Engine Skid-Duetz, P/N BN66222

1шт.

11

BN66240

Throttle Arm

1шт.

11a

BN66488

6MM-1MM X 10MM

1шт.

Associated Part Of Throttle Arm, P/N BN66240

1шт.

12

BN66489

Barry - Deutz

4шт.

12a

BN50131

LOCK NUT

3/8-16, CTR, PI

8шт.

Associated Part Of Barry Mount-Deutz, P/N BN66489

1шт.

12b

BN50145

WASHER

3/8, G5

8шт.

Associated Part Of Barry Mount-Deutz, P/N BN66489

1шт.

12c

BN50367

BOLT

3/8"-16 x 1", G5

8шт.

Associated Part Of Barry Mount-Deutz, P/N BN66489

1шт.

12d

BN50797

NUT

5/8-11, HX, CTR

4шт.

Associated Part Of Barry Mount-Deutz, P/N BN66489

1шт.

12e

BN65705

5/8-11 X 6.50, HH, 8, PI

4шт.

Associated Part Of Barry Mount-Deutz, P/N BN66489

1шт.

12f

BN66490

Barry Snubbing

4шт.

Associated Part Of Barry Mount-Deutz, P/N BN66489

1шт.

13

BN66237

Cable

1шт.

13a

BN66503

10MM-1.5MM X 25MM

3шт.

Associated Part Of Cable Mount, P/N BN66237

1шт.

14

BN66230

Compressor

1шт.

14a

BN66505

M12 X 1.25 X 45MM

2шт.

Associated Part Of Compressor Mount, P/N BN66230

1шт.

14b

BN66506

M12 X 1.25

2шт.

Associated Part Of Compressor Mount, P/N BN66230

1шт.

15

BN66652

Metric

2шт.

15a

BN66653

Seal

2шт.

Associated Part Of Metric Adapter, P/N BN66652

1шт.

15b

BN66654

NUT

Gates Fitting

2шт.

Associated Part Of Metric Adapter, P/N BN66652

1шт.

15c

BN66655

TUBE

2шт.

Associated Part Of Metric Adapter, P/N BN66652

1шт.

16

BN66720

fuel 3/8" ID X 96"

1шт.

16a

BN51125

E, 90 Degree, 3/8 NPT, STL STRT

1шт.

Associated Part Of Fuel Hose, 3/8" ID x 96", P/N BN66720

1шт.

16b

BN66668

Barbed, 3/8 X 3/8 NPTF

1шт.

Associated Part Of Fuel Hose, 3/8" ID x 96", P/N BN66720

1шт.

16c

BN66667

ADAPTER

M16 X 3/8 NPTM

1шт.

Associated Part Of Fuel Hose, 3/8" ID x 96", P/N BN66720

1шт.

16d

BN76094

HOSE CLAMP

SS #M4

2шт.

Associated Part Of Fuel Hose, 3/8" ID x 96", P/N BN66720

1шт.

17

BN66669

FUEL HOSE,0.38" ID x 142.00"

Fuel 3/8" ID X 142"

1шт.

17a

BN66668

Barbed, 3/8 X 3/8 NPTF

1шт.

Associated Part Of Fuel Hose, P/N BN66669

1шт.

17b

BN66667

ADAPTER

M16 X 3/8" NPTM

1шт.

Associated Part Of Fuel Hose, P/N BN66669

1шт.

17c

BN76094

HOSE CLAMP

SS #M4

2шт.

Associated Part Of Fuel Hose, P/N BN66669

1шт.

18

BN66719

Fuel 3/8" ID X 31"

1шт.

18a

BN66668

Barbed, 3/8 X 3/8 NPTF

1шт.

Associated Part Of Fuel Hose, P/N BN66719

1шт.

18b

BN66667

ADAPTER

M16 X 3/8 NPTM

1шт.

Associated Part Of Fuel Hose, P/N BN66719

1шт.

18c

BN76094

HOSE CLAMP

SS #M4

2шт.

Associated Part Of Fuel Hose, P/N BN66719

1шт.

20

BN67309

SENDER UNIT

Oil Pressure 0-100

1шт.

20a

BN66648

ADAPTER

M14 X 1/8 NPT

1шт.

Associated Part Of Sender - Oil Pressure, P/N BN67309

1шт.

20b

BN66649

WASHER

Copper - Duetz

1шт.

Associated Part Of Sender - Oil Pressure, P/N BN67309

1шт.

21

BN67783

REPAIR KIT

Compressor MTG

1шт.

22

NSS

NOT SOLD SEPARAT

Compressor

1шт.

See Fig. 02-002

1шт.

23

NSS

NOT SOLD SEPARAT

Hose Assembly

1шт.

See Fig. 02-002

1шт.

24

BN69860

CIRCUIT BREAKER

150A

1шт.

24a

BN50051

NUT,1/4"-20, USR

4шт.

Associated Part Of Breaker, P/N BN69860

1шт.

24b

50214

BOLT Hex, 1/4"-20 x 1", G5

4шт.

Associated Part Of Breaker, P/N BN69860

1шт.

24c

50366

BOLT Hex, 3/8"-18 x 5", G5

1шт.

Associated Part Of Breaker, P/N BN69860

1шт.

25

BN69896

PLATE

Breaker

1шт.

25a

BN69891

COVER

1шт.

Associated Part Of Plate Breaker Weldment, P/N BN69896

1шт.

Not Shown

1шт.

25b

BN69899

6 GA

1шт.

Associated Part Of Plate Breaker Weldment, P/N BN69896

1шт.

27

BN68515

FILTER

Oil

1шт.

28

BN66666

FILTER ASSY

Duetz 150

1шт.

28a

BN68512

ELEMENT

Fuel, Primary

1шт.

Service Parts For Ref. 28

1шт.

28b

BN68513

SEAL

Fuel Filter-Primary

1шт.

Service Parts For Ref. 28

1шт.

28c

BN50061

LOCK NUT

3/8"-16, UNC, Whiz

2шт.

Associated Part Of O-Ring - Fuel Filter - Primary, P/N BN68513

1шт.

28d

88044

BOLT,Hex, 3/8" - 16 x 1-1/2", Gr 5

2шт.

Associated Part Of O-Ring - Fuel Filter - Primary, P/N BN68513

1шт.

29

BN68514

FUEL FILTER

Fuel - Secondary

1шт.

30

BN67235

ALTERNATOR

105 AMP Delco

1шт.

30

BN67235R

REMAN-ALTERNATOR

Remanufactured Alternator, 12 volt 105 ampere, N.A. Only

1шт.

30

BN67235C

CORE-ALTERNATOR

Return Number, N.A. Only

1шт.

30a

BN67236

BELT

Alternator Drive

1шт.

Service Parts For Ref. 30

1шт.

30b

BN69879

Sealed Deutz

1шт.

Not Shown

1шт.

30c

BN66508

Wiring

1шт.

Not Shown

1шт.

30d

BN66497

CLAMP

Guillotine

1шт.

Not Shown

1шт.

30e

BN67234

O-RING,0.21" Thk x 3.975" ID, -345, Cl 5, 75 Duro

Deutz Tandem

1шт.

Not Shown

1шт.

30f

BN67027

BELT

Blower

1шт.

Not Shown

1шт.

30g

BN67026

BELT

Fuel Water

1шт.

Not Shown

1шт.

Выбрано товаров: 122