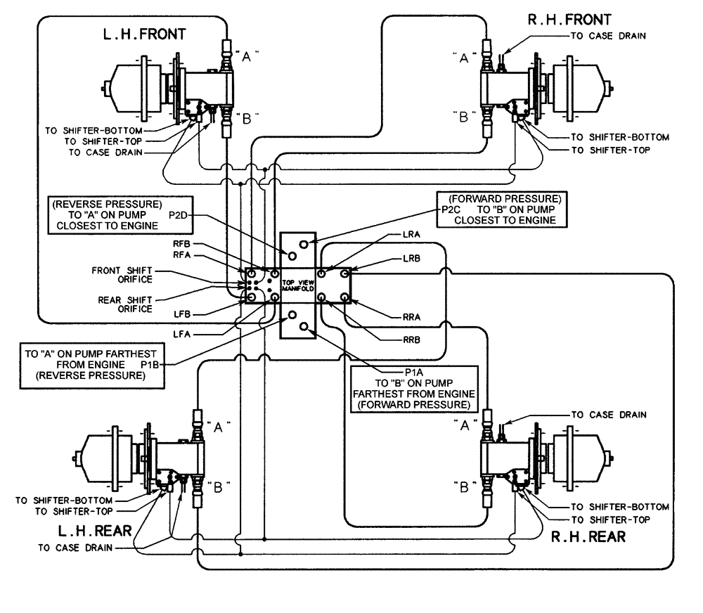
Запчасти Case IH PATRIOT 150 (06-006) - HYDRAULIC PLUMPING -MANIFOLD TO WHEEL MOTOR Hydraulic Plumbing

Схема запчастей Case IH PATRIOT 150 - (06-006) - HYDRAULIC PLUMPING -MANIFOLD TO WHEEL MOTOR Hydraulic Plumbing
FIT
1:1
100%

Артикул

Название

Примечание

Количество

0

NSS

NOT SOLD SEPARAT

Hydraulic Plumbing-Manifold To Wheel Motor Patriot™ 1883 and up (New Sterling Shift Block) 90 Series Pump, (Not Shown)

1шт.

Выбрано товаров: 1