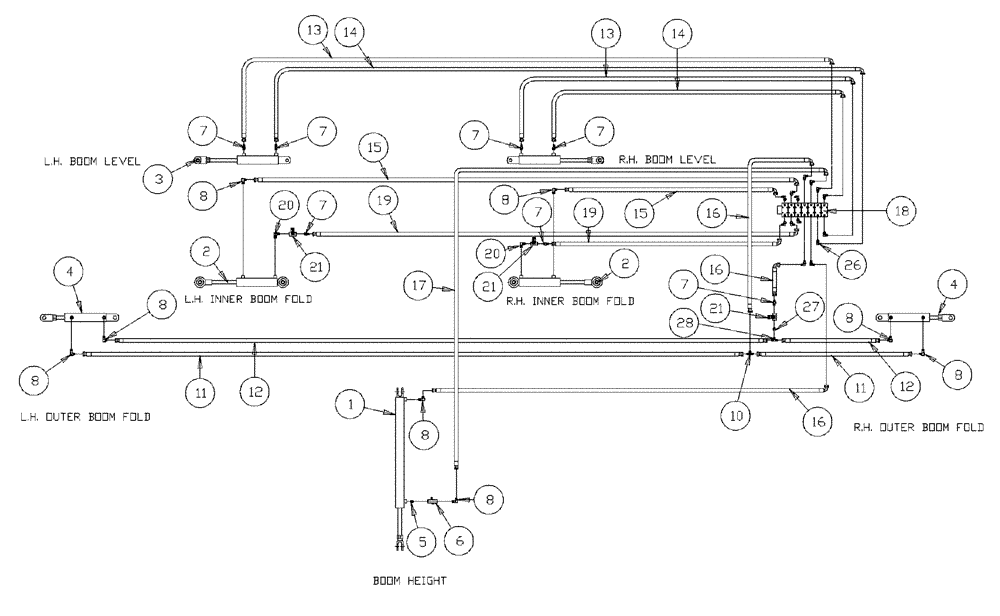
Запчасти Case IH PATRIOT 150 (06-008) - HYDRAULIC PLUMPING (60& 75 BOOMS) 7-BANK VALVE Hydraulic Plumbing

Схема запчастей Case IH PATRIOT 150 - (06-008) - HYDRAULIC PLUMPING (60& 75 BOOMS) 7-BANK VALVE Hydraulic Plumbing
5
8
7
18
13
12
21
8
16
11
21
19
8
7
15
10
20
20
8
6
12
1
14
2
7
7
21
3
27
2
17
7
26
13
16
4
11
8
8
8
7
15
7
28
8
4
16
19
14
FIT
1:1
100%

Артикул

Название

Примечание

Количество

1

NSS

NOT SOLD SEPARAT

HYD. Cylinder - Boom Height

1шт.

See Fig. 07-002

1шт.

2

NSS

NOT SOLD SEPARAT

HYD. Cylinder - Inner Boom Fold

2шт.

See Fig. 07-003

1шт.

3

NSS

NOT SOLD SEPARAT

HYD. Cylinder - Boom Level

2шт.

See Fig. 07-007

1шт.

4

NSS

NOT SOLD SEPARAT

HYD. Cylinder - Outer Boom Fold

2шт.

See Fig. 07-006

1шт.

5

BN51665

FITTING

3/8" Close

1шт.

6

BN53681

HYDRAULIC VALVE

Snubber

1шт.

7

BN22158

ADAPTER,3/8" NPT X 7/16"-20, 37 Degree

7шт.

8

BN21401

ELBOW,90 Degree 3/8" NPT x 7/16"-20 JIC

8шт.

10

BN21422

TEE

7/16-20 JIC

1шт.

11

BN54167

Hose Assembly 1/4" x 266"

2шт.

60' Boom

1шт.

11

BN53849

HOSE,0.25" ID x 305.00", SAE 100R1

2шт.

Service Parts For Ref. 11

1шт.

75' Boom

1шт.

12

BN54171

1/4" x 256"

2шт.

60' Boom

1шт.

12

BN53848

HOSE,0.25" ID x 295.00", SAE 100R1

Assembly

2шт.

75' Boom

1шт.

13

BN54175

HOSE

1/4" x 182"

2шт.

14

BN54174

HOSE

1/4" ID x 174", 100R1

2шт.

15

BN54176

HOSE

1/4" x 125"

2шт.

16

BN54177

HOSE

1/4" ID x 96", 100R1

3шт.

17

BN54178

HOSE,6.35mm ID x 1676.4mm L, SAE 100R1

1/4" x 66"

1шт.

18

NSS

NOT SOLD SEPARAT

Valve-7 Bank

1шт.

See Fig. 06-010 for Seals & Repair Parts

1шт.

19

BN54148

HOSE

1/4" x 108"

2шт.

20

BN51123

ADAPTER

90º, 3/8-18 NPT

2шт.

21

BN53856

HYDRAULIC VALVE

Needle

3шт.

26

BN22160

ELBOW

90° 9/16-18 O-Ring X 7/16-20 JIC

14шт.

26

BN98019

O-RING

#6

14шт.

Parts Of Adapter, P/N 22160

1шт.

27

BN51352

BUSHING

1/4-18 x 3/8-18 NPT

1шт.

28

BN53711

TEE

1/4 NPT x 7/16-20 JIC

1шт.

Выбрано товаров: 37