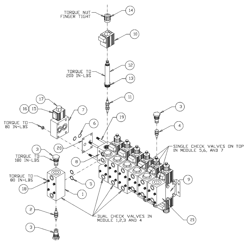
Запчасти Case IH PATRIOT 150 (06-010) - VALVE-7-BANK DIRECTIONAL Hydraulic Plumbing

Схема запчастей Case IH PATRIOT 150 - (06-010) - VALVE-7-BANK DIRECTIONAL Hydraulic Plumbing
9
17
21
18
3
2
10
4
6
19
14
15
20
3
11
8
16
3
7
1
12
13
5
FIT
1:1
100%

Артикул

Название

Примечание

Количество

1

BN98677

BLOCK

Check Valve (Dual)

4шт.

2

BN98679

CHECK VALVE

Piston, Dual, 29345

4шт.

3

BN98227

VALVE

Check, 30 PSI

11шт.

Top & Bottom on Dual Check Module #1, #2, #3, #4. Top Only on Single Check Module #5, #6, #7

1шт.

3

BN98219

SEAL KIT

For BN98227

11шт.

Service Parts For Ref. 3

1шт.

4

BN98680

PISTON

(For Single Check)

3шт.

5

BN98225

O-RING

Stacking Valve BN29345

14шт.

6

BN98226

O-RING

Sandwich Valve BN29345

14шт.

7

BN98336

HYDRAULIC VALVE

Block - Unloader

1шт.

Includes Refs. 15, 16, & 17

1шт.

8

BN98325

BLOCK

Centers

6шт.

9

BN98324

BLOCK

End

1шт.

10

BN98222

COIL

W/Wire Leads & Packard Ends

14шт.

11

BN98220

SPOOL

7шт.

12

BN98221

TUBE

Assy

14шт.

Includes Ref. 13

1шт.

13

BN98224

O-RING

Tube Assy BN98221

14шт.

14

BN98223

NUT

14шт.

15

BN98212

COIL

12 VDC Unloader Valve - W/Wire Leads & Packard Ends

1шт.

16

BN98217

CARTRIDGE

Unloader Valve BN29345

1шт.

16

BN98219

SEAL KIT

For BN98217

1шт.

Service Parts For Ref. 16

1шт.

17

BN98218

NUT

Unloader Valve BN29345

1шт.

18

BN50799

SCREW,1/4" - 20 x 2 1/4", Stainless

1/4 - 20 X 2.25 SS

28шт.

18

BN50139

WASHER

1/4" spring lock

28шт.

Associated Part Of Bolt - 1/4" NC x 2-1/4" Allen Head Capscrew, P/N BN50799

1шт.

19

BN24141

THREADED TIE-ROD

1/4"-20 x 15-3/4"

4шт.

Shown

1шт.

7 Bank

1шт.

19

BN24156

THREADED TIE-ROD

1/4"-20 x 17-3/4"

4шт.

8 Bank

1шт.

19

280129

NUT,1/4"-20

4шт.

Associated Part Of Threaded Rod - 1/4-20 x 15-3/4" (7 Bank) (Shown) P/N BN24141

1шт.

Associated Part Of Threaded Rod - 1/4-20 x 17-3/4" (8 Bank) P/N BN24156

1шт.

20

86986508

PLATE

Backing, Anodized

7шт.

21

BN98678

BLOCK

Check (Single)

3шт.

21

86986492

HYDRAULIC VALVE

7 Bank

1шт.

Associated Part Of Check Valve Block (Single) P/N BN98678

1шт.

Shown

1шт.

21

BN25223A

HYDRAULIC VALVE

Complete 8-Bank Valve

1шт.

Indicates Old Part Number Or Can Order Newer Part Number Listed Above

1шт.

21

BN25229

SHIELD

7 & 8 Bank Valve - Cover

1шт.

Associated Part Of Complete 7-Bank Valve Waterman, P/N BN25223A

1шт.

21

BN25230

MOUNTING PLATE

7 & 8 Bank Valve Cover

1шт.

Associated Part Of Complete 7-Bank Valve Waterman, P/N BN25223A

1шт.

Выбрано товаров: 46