Запчасти Case IH PATRIOT 150 (06-015) - VALVE - 7 - BANK - SEAL & REPAIR PARTS Hydraulic Plumbing

Схема запчастей Case IH PATRIOT 150 - (06-015) - VALVE - 7 - BANK - SEAL & REPAIR PARTS Hydraulic Plumbing
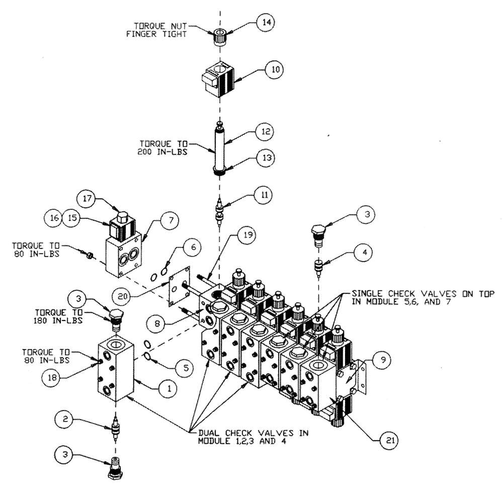
5
16
1
14
2
21
19
9
3
13
3
3
20
4
8
11
18
10
6
17
15
7
12
FIT
1:1
100%

Артикул

Название

Примечание

Количество

1

BN98677

BLOCK

Check (Dual)

4шт.

2

BN98679

CHECK VALVE

Piston, Dual, 29345

4шт.

3

BN98227

VALVE

Check, 30 PSI

11шт.

Top & Bottom on Dual Check Module #1, #2, #3, #4. Top Only on Single Check Module #5, #6, #7

1шт.

BN98219

SEAL KIT

For BN98227

11шт.

4

BN98680

PISTON

(For Single Check)

3шт.

5

BN98225

O-RING

Stacking Valve #29345

14шт.

6

BN98226

O-RING

Sandwich Valve #29345

14шт.

7

BN98336

HYDRAULIC VALVE

Block - Untoader

1шт.

Includes Refs. 15, 16, And 17

1шт.

8

BN98325

BLOCK

Centers

6шт.

9

BN98324

BLOCK

End

1шт.

10

BN98222

COIL

W/Wire Leads & Packard Ends

14шт.

11

BN98220

SPOOL

7шт.

12

BN98221

TUBE

Assy

14шт.

Includes Ref. 13

1шт.

13

BN98224

O-RING

Tube Assy #98221

14шт.

14

BN98223

NUT

14шт.

15

BN98212

COIL

12 VDC Unloader Valve - W/Wire Leads & Packard Ends

1шт.

16

BN98217

CARTRIDGE

Unloader Valve #29345

1шт.

BN98219

SEAL KIT

For BN98217

1шт.

17

BN98218

NUT

Unloader Valve BN29345

1шт.

18

BN50799

SCREW,1/4" - 20 x 2 1/4", Stainless

1/4 - 20 X 2.25 SS

28шт.

BN50139

WASHER

1/4" spring lock

28шт.

19

BN24156

THREADED TIE-ROD

1/4"-20 x 17-3/4"

4шт.

8 Bank

1шт.

BN24141

THREADED TIE-ROD

1/4"-20 x 15-3/4"

4шт.

7 Bank

1шт.

280129

NUT,1/4"-20

4шт.

20

86986508

PLATE

Backing, Anodized

7шт.

21

BN98678

BLOCK

Check (Single)

3шт.

86986492

HYDRAULIC VALVE

7 Bank

1шт.

BN25223A

HYDRAULIC VALVE

Complete 8-Bank

1шт.

Выбрано товаров: 33