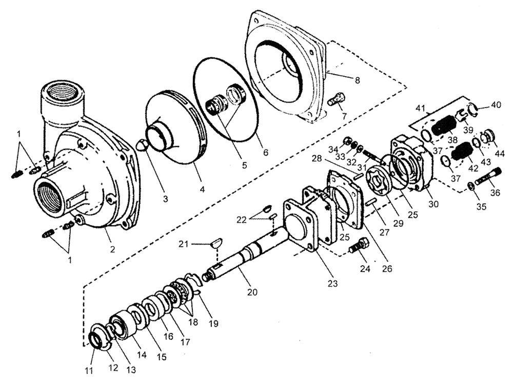
Запчасти Case IH PATRIOT 150 (09-004) - LIQUID PUMP - SEALS & REPAIR PARTS Liquid Plumbing

Схема запчастей Case IH PATRIOT 150 - (09-004) - LIQUID PUMP - SEALS & REPAIR PARTS Liquid Plumbing
1
1
43
42
29
7
2
19
39
24
37
23
18
12
38
28
41
40
13
4
17
34
30
25
8
36
20
5
16
11
27
44
3
26
14
15
31
37
22
35
21
32
6
33
25
FIT
1:1
100%

Артикул

Название

Примечание

Количество

BN311826

SEAL KIT

Pump (All Models)

1шт.

Includes Refs. 3, 5, & 6

1шт.

BN53768

SEAL KIT

Shaft (All Models)

1шт.

Includes Refs. 11, 12, 13, 15, 16, 17, 18, & 19

1шт.

BN53769

REPAIR KIT

Gerotor - HM1 Model

1шт.

Includes Refs. 25, 26, & 29, (26 & 29 .5" Wide)

1шт.

BN53770

REPAIR KIT

Gerotor - HM 4 Model

1шт.

Includes Refs. 25, 26, & 29 (26 & 29 .30" Wide)

1шт.

BN53692

IMPELLER

#4

1шт.

BN53693

NUT

Impeller #3

1шт.

BN53771

HYDRAULIC MOTOR

HM1

1шт.

BN53772

MOTOR

HM 4

1шт.

1

NSS

NOT SOLD SEPARAT

Drain/Vent

4шт.

2

NSS

NOT SOLD SEPARAT

Casing

1шт.

3

NSS

NOT SOLD SEPARAT

Impeller

1шт.

4

NSS

NOT SOLD SEPARAT

Impeller

1шт.

5

NSS

NOT SOLD SEPARAT

Mechanical (Vitron) 9303 Models

1шт.

6

NSS

NOT SOLD SEPARAT

1шт.

7

NSS

NOT SOLD SEPARAT

Hex Head

4шт.

8

NSS

NOT SOLD SEPARAT

Flange

1шт.

11

NSS

NOT SOLD SEPARAT

Slinger

1шт.

12

NSS

NOT SOLD SEPARAT

Retaining

1шт.

13

NSS

NOT SOLD SEPARAT

Snap

1шт.

14

NSS

NOT SOLD SEPARAT

Ball

1шт.

15

NSS

NOT SOLD SEPARAT

1шт.

16

NSS

NOT SOLD SEPARAT

Shaft

1шт.

17

NSS

NOT SOLD SEPARAT

Spacer

1шт.

18

NSS

NOT SOLD SEPARAT

Thrust Bearing Assembly

1шт.

Consists of (1) Thrust Bearing & (2) Thrust Bearing Races

1шт.

19

NSS

NOT SOLD SEPARAT

Snap

1шт.

20

NSS

NOT SOLD SEPARAT

Shaft

1шт.

21

NSS

NOT SOLD SEPARAT

Woodruff Key

1шт.

22

NSS

NOT SOLD SEPARAT

1шт.

23

NSS

NOT SOLD SEPARAT

Front Motor Body (Includes Main Bearing)

1шт.

24

NSS

NOT SOLD SEPARAT

Hex Head

4шт.

25

NSS

NOT SOLD SEPARAT

2шт.

26

NSS

NOT SOLD SEPARAT

Gerotor Housing

1шт.

27

NSS

NOT SOLD SEPARAT

Dowel

1шт.

28

NSS

NOT SOLD SEPARAT

Dowel

1шт.

29

NSS

NOT SOLD SEPARAT

Gerotor

1шт.

30

NSS

NOT SOLD SEPARAT

Motor End Plate (Includes Main Bearing)

1шт.

31

NSS

NOT SOLD SEPARAT

Bypass Adjusting Screw

1шт.

32

NSS

NOT SOLD SEPARAT

Gasket

1шт.

33

NSS

NOT SOLD SEPARAT

1шт.

34

NSS

NOT SOLD SEPARAT

Lock Nut

1шт.

35

NSS

NOT SOLD SEPARAT

Washer

4шт.

38

NSS

NOT SOLD SEPARAT

Capscrew

4шт.

37

NSS

NOT SOLD SEPARAT

O-Ring

2шт.

38

NSS

NOT SOLD SEPARAT

Tank Port Adapter

1шт.

39

NSS

NOT SOLD SEPARAT

Poppet

1шт.

40

NSS

NOT SOLD SEPARAT

Retaining Ring

1шт.

41

NSS

NOT SOLD SEPARAT

Tank Check Valve Assembly

1шт.

Consists of (1) O-Ring, (1) Tank Port

1шт.

NSS

NOT SOLD SEPARAT

Adapter, (1) Poppet, (1) Retaining Ring

1шт.

42

NSS

NOT SOLD SEPARAT

Pressure Port Adapter

1шт.

43

NSS

NOT SOLD SEPARAT

Orifice O-Ring

1шт.

44

NSS

NOT SOLD SEPARAT

Metering Orfice

1шт.

Выбрано товаров: 57