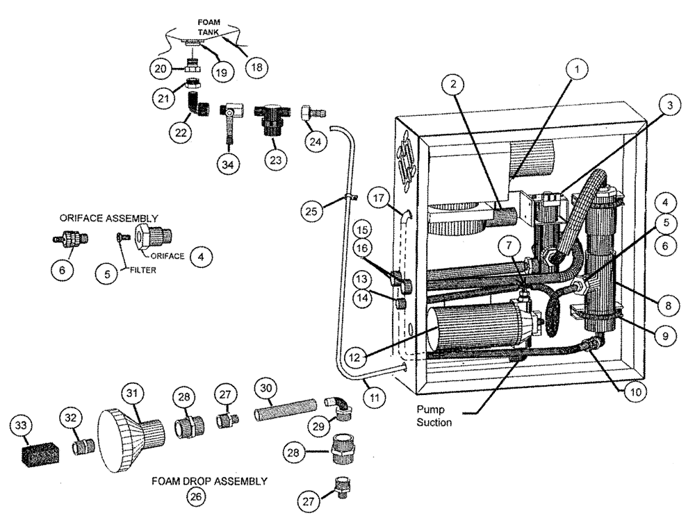
Запчасти Case IH PATRIOT 150 (09-015) - FOAM MARKER - HIGH VOLUME (PLUMBING) Liquid Plumbing

Схема запчастей Case IH PATRIOT 150 - (09-015) - FOAM MARKER - HIGH VOLUME (PLUMBING) Liquid Plumbing
29
1
27
22
33
13
11
27
14
12
28
25
18
4
30
6
31
17
7
15
23
34
26
24
19
5
20
32
3
10
28
5
16
4
21
9
6
2
8
FIT
1:1
100%

Артикул

Название

Примечание

Количество

1

BN27463

AIR COMPRESSOR

1шт.

2

BN27466

FILTER

Breather

1шт.

3

BN63912

HYDRAULIC VALVE

Directional

1шт.

4

BN27467

ORIFICE

Assy - Liquid Inlet

1шт.

Includes Refs. 5 & 6

1шт.

5

BN27471

FILTER

100 Mesh

1шт.

6

BN73457

FITTING

Barb - 3/8" NPT x 1/4" Barb

1шт.

7

BN73408

TEE

Pump Output

1шт.

8

BN63913

TUBE

Mix w/Hose

1шт.

9

BN53888

PIPE CLAMP

Mix Tube

2шт.

10

BN27472

CHECK VALVE

Air Inlet 1/4" NPT X 3/8" Barb

1шт.

11

BN75959

FLEXIBLE HOSE

1/2" x 48"

1шт.

BN75956

CLAMP

#10 SS

2шт.

12

BN27469

PUMP

Liquid

1шт.

13

BN73403

PIPE FITTING,1/4" Male Thread x 1/4" Hose Barb

1/4" NPT x 1/4"

1шт.

14

BN75925

FLEXIBLE HOSE

1/4" x 120"

1шт.

To Gauge

1шт.

BN76094

HOSE CLAMP

SS #M4

2шт.

15

BN73519

ELBOW

1/2" NPT x 3/4" Hose Barb

2шт.

16

BN75979

TUBE

Hose - 3/4" EVA x 50'

2шт.

To LH & RH Foam Drop Assembly

1шт.

BN75978

HOSE CLAMP

SS-#12 ADJ. HS .56-1.25

4шт.

17

BN73409

ELBOW

90°, 1/4" NPT x 3/8", Barb

1шт.

18

BN24189

TANK

35 Gallon

1шт.

BN24183

COVER

Rinse Tank (Ace)

1шт.

19

BN73733

FITTING

1 1/2" Bulkhead

1шт.

20

BN73716

BUSHING,1-1/2" Male NPT x 3/4" Female NPT, Poly

1.5 x .75 Reducer Poly

1шт.

21

BN73552

BUSHING,3/4" MPT x 1/2"FPT Reducing Bushing

Bushing - 3/4" x 1/2" NPT

1шт.

22

BN73511

FITTING

90° 1/2" Female NPT x 1/2" Male NPT

1шт.

23

BN27473

FILTER STRAINER

Line, 80 Mesh

1шт.

BN98171

#80 Mesh

1шт.

24

BN73518

FITTING

Barb - 1/2" Female NPT x 1/2" Barb

1шт.

25

86624005

CLAMP,19mm, Coat, 10.3mm Bolt Hole, P Type

1шт.

26

BN27474

FOAM

Drop Assembly, Complete

2шт.

Includes Refs. 27 - 33

1шт.

27

BN53666

FITTING

Barb - 1" NPT x 3/4" Barb

4шт.

28

BN73683

COUPLING

1" NPT

4шт.

29

BN73684

ELBOW

Barb, 90° 1" MPT x 3/4" Barb

2шт.

30

BN75981

TUBE

3/4" EVA x 12"

2шт.

BN75978

HOSE CLAMP

SS-#12 ADJ. HS .56-1.25

4шт.

31

BN27475

FOAM

BELL, Drop

2шт.

BN76093

HOSE CLAMP

#28

2шт.

32

BN73648

NIPPLE

1" Short Poly Pipe

2шт.

33

BN27462

SCREEN

2шт.

34

BN63914

HYDRAULIC VALVE

Shut Off

1шт.

NSS

NOT SOLD SEPARAT

Pressure

1шт.

Not Shown

1шт.

NSS

NOT SOLD SEPARAT

Barb - 1/4" Gauge

1шт.

Not Shown

1шт.

NSS

NOT SOLD SEPARAT

Speed Control

1шт.

Not Shown

1шт.

Выбрано товаров: 0