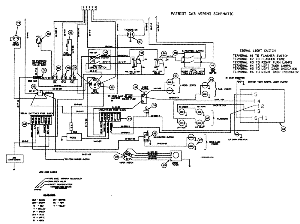
Запчасти Case IH PATRIOT 150 (12-003) - WIRING SCHEMATIC - CAB (06) - ELECTRICAL

Схема запчастей Case IH PATRIOT 150 - (12-003) - WIRING SCHEMATIC - CAB (06) - ELECTRICAL
67
57
73
49
55
76
90
52
58
66
56
63
48
54
66
61
69
62
56
84
68
59
53
67
64
60
51
65
FIT
1:1
100%

Артикул

Название

Примечание

Количество

46

BN25191A

GRIP

Pistol Style DICKEY-john®

1шт.

BN24348

GRIP

Pistol Style Raven

1шт.

48

BN98249

NEUTRAL START SWITCH

Safety

1шт.

49

BN29750

SWITCH

Reverse

1шт.

50

BN29570

(Optional)

1шт.

51

BN29444

BAR

Bus

1шт.

52

BN57210

GAUGE

Oil

1шт.

53

BN57208

GAUGE

Temperature

1шт.

54

BN57212

GAUGE

Fuel

1шт.

85

BN57213

SENDER UNIT

Fuel

1шт.

56

BN57230

GAUGE

Volt Meter

1шт.

57

BN29277

TACHOMETER

1шт.

58

342465A1

SWITCH

range select

1шт.

59

BN29441

SOLENOID

Continuous Duty

1шт.

60

282775A1

IGNITION SWITCH

With Padded Keys

1шт.

61

BN29273

SWITCH

Headlight/Taillight

1шт.

62

BN324281

LIGHT

Amber Flashing

2шт.

63

BN29440

KNOB

for Contact Block BN29439

1шт.

64

F63858

BLOCK

Fuse, 6 Gang

2шт.

65

BN29266

SWITCH

Windshield Wiper

1шт.

66

BN16163

SWITCH

Lighted On - Off

1шт.

67

BN29252

LIGHT

Flood 900/H9406 12V

4шт.

68

BN63712

FLASHER SWITCH

Signal Light

1шт.

BN63836

Dash Indicator

2шт.

69

BN29267

WIPER MOTOR

MOTOR, WIPER 2 Speed, 12V

1шт.

73

BN63865

HOURMETER

1шт.

75

BN21563

SWITCH

On-Off

1шт.

76

BN29446

SWITCH

Toggle, On-Off

3шт.

77

BN29445

SWITCH

On-Off-On

6шт.

78

BN16018

ALARM

Low Hopper

1шт.

79

BN29522

SWITCH

Dimmer Floor Mount

1шт.

80

BN29788

CARTRIDGE

Tie Rod Lock Valve (Cartridge Only}

1шт.

81

87546542

HYDRAULIC VALVE

Electric 1"

1шт.

82

BN29970

MANIFOLD

Solenoid & Relief Valve

1шт.

BN95962

Seal for BN22970

1шт.

BN95744

CARTRIDGE

For BN22970

1шт.

BN95745

COIL

solenoid valve

1шт.

BN98607

VALVE PRESSURE RELIE

Relief for BN22970 (2000 psi)

1шт.

83

BN29955

SOLENOID

Valve, Brake Actuator

1шт.

84

BN325828

TAIL LAMP

Red

2шт.

87

BN53672

Directo

3шт.

89

BN16172

DIODE

Assembly

1шт.

90

BN24056

RELAY

20 amp

9шт.

91

BN319663

BUZZER

Chime Tone

1шт.

BN57211

SENSOR

Oil

1шт.

Not Shown

1шт.

BN69860

CIRCUIT BREAKER

150A

1шт.

Not Shown

1шт.

BN29401

RELAY

Starter

1шт.

Not Shown

1шт.

BN66650

Temperature

1шт.

Not Shown

1шт.

BN66648

ADAPTER

M14 x 1/8 NPT

1шт.

Not Shown

1шт.

BN66649

WASHER

Copper (Deutz)

1шт.

Not Shown

1шт.

Выбрано товаров: 56