Запчасти Case IH PATRIOT II (12-004[01]) - WIRING SCHEMATIC - CAB, ENGINE AND VALVE WIRING - CAB (06) - ELECTRICAL

Схема запчастей Case IH PATRIOT II - (12-004[01]) - WIRING SCHEMATIC - CAB, ENGINE AND VALVE WIRING - CAB (06) - ELECTRICAL
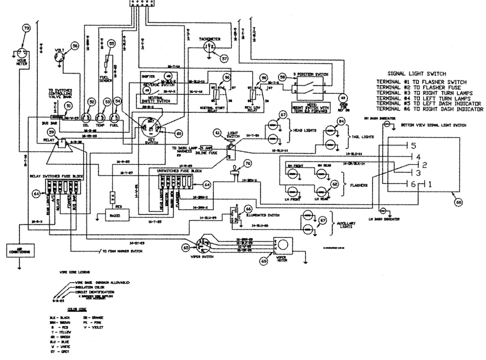
63
51
57
53
52
84
64
58
48
33
60
56
69
73
61
64
67
65
60
67
76
90
90
54
49
66
62
50
FIT
1:1
100%

Артикул

Название

Примечание

Количество

46

BN24348

GRIP

Pistol Style

1шт.

48

BN98249

NEUTRAL START SWITCH

Safety

1шт.

49

BN29750

SWITCH

Reverse

1шт.

50

BN29570

Foam Marker (Optional)

1шт.

51

BN29444

BAR

Bus

1шт.

52

BN57210

GAUGE

Oil

1шт.

53

BN57208

GAUGE

Temperature

1шт.

54

BN57212

GAUGE

Fuel

1шт.

55

BN57213

SENDER UNIT

Fuel

1шт.

56

BN57230

GAUGE

Volt Meter

1шт.

57

BN29277

TACHOMETER

1шт.

58

342465A1

SWITCH

range select

1шт.

59

BN29441

SOLENOID

Continuous Duty

1шт.

60

282775A1

IGNITION SWITCH

With Padded Keys

1шт.

61

BN29273

SWITCH

Headlight/Taillight

1шт.

62

BN324281

LIGHT

Amber Flashing

2шт.

63

BN29440

KNOB

for Contact Block BN29439

1шт.

64

F63858

BLOCK

Fuse, 6 Gang

2шт.

65

BN29266

SWITCH

Windshield Wiper

1шт.

66

BN16163

SWITCH

Lighted On - Off

1шт.

67

BN29252

LIGHT

Flood 900/H9406 12V

4шт.

68

BN63712

FLASHER SWITCH

Signal Light

1шт.

BN63836

Dash Indicator Lights

2шт.

69

BN29267

WIPER MOTOR

MOTOR, WIPER 2 Speed, 12V

1шт.

70

BN57211

SENSOR

Oil

1шт.

71

BN29442

CIRCUIT BREAKER

80 amps

1шт.

72

BN29401

RELAY

Starter

1шт.

73

BN63865

HOURMETER

1шт.

74

BN57209

TEMPERATURE SENDER

1шт.

75

BN21563

SWITCH

On-Off

1шт.

76

BN29446

SWITCH

Toggle, On-Off

3шт.

77

BN29445

SWITCH

On-Off-On

6шт.

79

BN29522

SWITCH

Dimmer Floor Mount

1шт.

80

BN29788

CARTRIDGE

Solenoid w/Coil

1шт.

81

87546542

HYDRAULIC VALVE

Electric 1"

1шт.

82

BN29970

MANIFOLD

Solenoid & Relief Valve

1шт.

BN95962

KIT seal

1шт.

BN95744

CARTRIDGE

For 22970

1шт.

BN95745

COIL

solenoid valve

1шт.

BN98607

VALVE PRESSURE RELIE

For 22970 (2000 psi)

1шт.

83

BN29955

SOLENOID

Valve, Brake Actuator

1шт.

84

BN325828

TAIL LAMP

Red

2шт.

87

BN53672

Directo

3шт.

89

BN16172

DIODE

Assembly

1шт.

90

BN24056

RELAY

20 Amp

9шт.

91

BN319663

BUZZER

Chime Tone

1шт.

Выбрано товаров: 46