Запчасти Case IH PATRIOT NT (02-004) - WIPER MOTOR ASSEMBLY Cab Exterior

Схема запчастей Case IH PATRIOT NT - (02-004) - WIPER MOTOR ASSEMBLY Cab Exterior
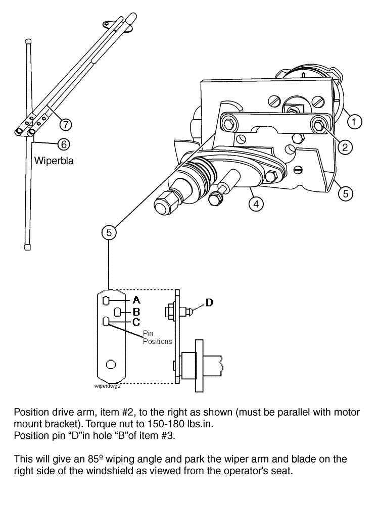
5
1
6
5
2
4
7
FIT
1:1
100%

Артикул

Название

Примечание

Количество

1

BN29267

WIPER MOTOR

MOTOR, WIPER 2 Speed, 12V

1шт.

2

BN29268

DRIVE

Arm-wiper

1шт.

3

137961A1

SHAFT

And Pivot Assembly

1шт.

4

BN29270

ADAPTER

Pantograph Arm, Black

1шт.

4

BN50939

BOLT

1/4"-28 x .5, SS

2шт.

Associated Part Of Adapter,Pantograph Arm, Bk, P/N BN29270

1шт.

5

BN29881

BRACKET

Mount - Wiper Motor

1шт.

5

BN50051

NUT,1/4"-20, USR

1шт.

Associated Part Of Mount-wiper Motor, P/N BN29881

1шт.

5

BN50671

BOLT,1/4"-20 x 1.00", Stainless Steel

1шт.

Associated Part Of Mount-wiper Motor, P/N BN29881

1шт.

6

353273A1

BLADE,558.8mm L

Front Wiper, 22"

1шт.

7

BN29272

ARM

Pantograph 18" Black

1шт.

Выбрано товаров: 13