Запчасти Case IH PATRIOT NT (06-008) - SHIFT BLOCK (OLD) - REPLACEMENT PARTS (FACTORY INSTALLED ON PATRIOTS SERIAL # 1882 AND BELOW.) Hydraulic Plumbing

Схема запчастей Case IH PATRIOT NT - (06-008) - SHIFT BLOCK (OLD) - REPLACEMENT PARTS (FACTORY INSTALLED ON PATRIOTS SERIAL # 1882 AND BELOW.) Hydraulic Plumbing
1
6
3
4
4
5
6
9
9
8
2
2
5
FIT
1:1
100%

Артикул

Название

Примечание

Количество

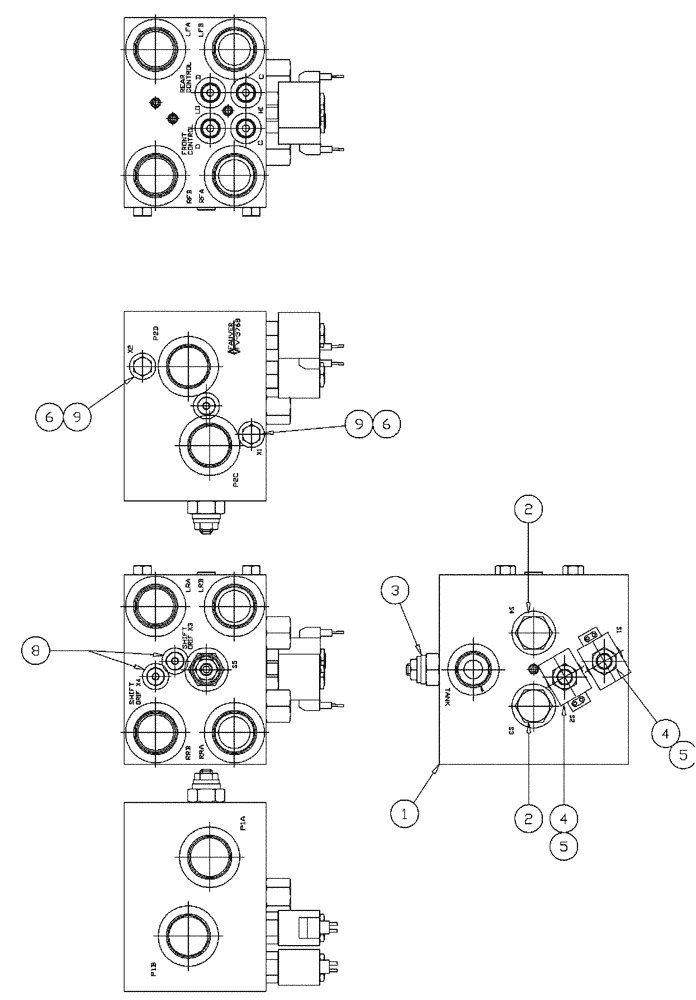
1

BN98584

MANIFOLD

Swiss Cheese

1шт.

2

BN98209

HYDRAULIC VALVE

Shuttle

2шт.

2

BN98213

SEAL KIT

For BN98209

2шт.

Service Parts For Ref. 2

1шт.

3

BN98210

VALVE PRESSURE RELIE

1шт.

3

BN98214

SEAL KIT

For BN98210

1шт.

Service Parts For Ref. 3

1шт.

4

BN98585

CARTRIDGE

Solenoid

2шт.

4

BN98586

SEAL KIT

For BN98585

2шт.

Service Parts For Ref. 4

1шт.

5

BN98212

COIL

12 VDC Unloader Valve - W/Wire Leads & Packard Ends

2шт.

6

BN53991

PLUG

Hex, With O-Ring

5шт.

6

BN98469

O-RING

O

5шт.

Associated Part Of Hex Plug With O-Ring, P/N BN53991

1шт.

8

BN300314

ORIFICE

.020 shift

2шт.

Выбрано товаров: 15