Запчасти Case IH PATRIOT NT (08-006) - LIQUID PUMP - SEALS & REPAIR PARTS Liquid Plumbing

Схема запчастей Case IH PATRIOT NT - (08-006) - LIQUID PUMP - SEALS & REPAIR PARTS Liquid Plumbing
33
37
34
44
8
20
41
7
25
1
32
15
6
28
17
5
27
22
43
11
24
3
14
2
40
16
42
25
28
13
18
35
36
12
26
21
38
22
23
39
4
31
37
30
19
1
FIT
1:1
100%

Артикул

Название

Примечание

Количество

BN53770

REPAIR KIT

Gerotor - HM4 Model

1шт.

Includes Refs. 25, 26, 29 (26 & 29 .30" Wide)

1шт.

BN311826

SEAL KIT

Pump (All Models)

1шт.

Includes Refs. 3, 5, & 6

1шт.

BN53768

SEAL KIT

Shaft (AH Models)

1шт.

Includes Refs. 11, 12, 13, 15, 16, 17, 18, & 19

1шт.

BN53769

REPAIR KIT

Gerotor - HM1 Model

1шт.

Includes Refs. 25, 26, & 29, (26 & 29 .5" Wide)

1шт.

BN53692

IMPELLER

#4

1шт.

BN53693

NUT

Impeller #3

1шт.

BN53771

HYDRAULIC MOTOR

HM1

1шт.

BN53772

MOTOR

Hydraulic, HM4

1шт.

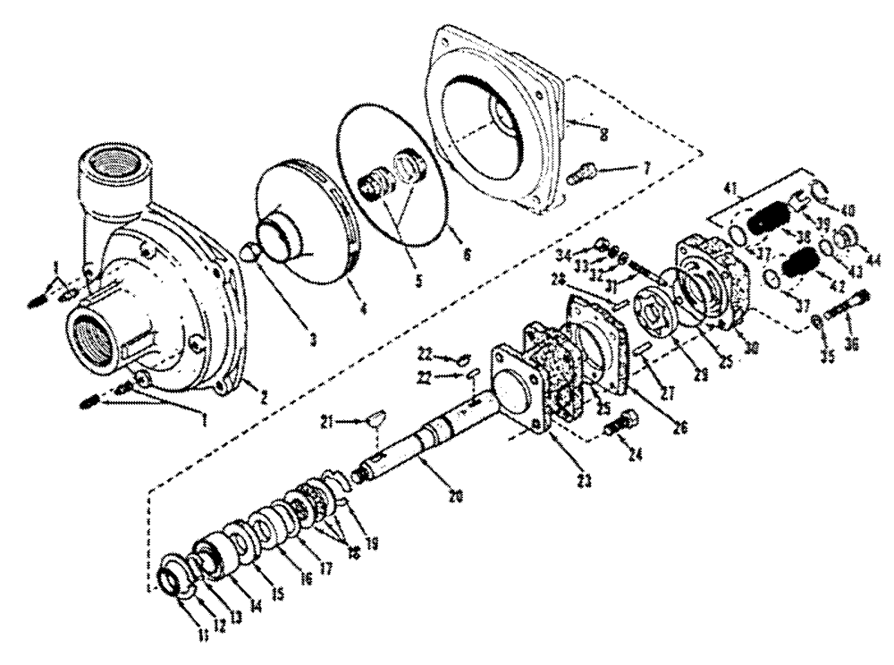
1

NSS

NOT SOLD SEPARAT

Drain/Vent Plug

4шт.

2

NSS

NOT SOLD SEPARAT

Pump Casing

1шт.

3

NSS

NOT SOLD SEPARAT

Impeller Nut

1шт.

4

NSS

NOT SOLD SEPARAT

Impeller (Polypropylane)

1шт.

5

NSS

NOT SOLD SEPARAT

Mechanical Seal (Vitron) 9303 Models

1шт.

6

NSS

NOT SOLD SEPARAT

O-Ring

1шт.

7

NSS

NOT SOLD SEPARAT

Hex Head Capscrew

4шт.

8

NSS

NOT SOLD SEPARAT

Mounting Flange

1шт.

11

NSS

NOT SOLD SEPARAT

Slinger Ring

1шт.

12

NSS

NOT SOLD SEPARAT

Retaining Ring

1шт.

13

NSS

NOT SOLD SEPARAT

Snap Ring

1шт.

14

NSS

NOT SOLD SEPARAT

Ball Bearing

1шт.

15

NSS

NOT SOLD SEPARAT

Spacer

1шт.

18

NSS

NOT SOLD SEPARAT

Shaft Seal

1шт.

17

NSS

NOT SOLD SEPARAT

Seal Spacer

1шт.

18

NSS

NOT SOLD SEPARAT

Thrust Bearing Assembly

1шт.

Consists of (1) Thrust Bearing & (2) Thrust Bearing Races

1шт.

19

NSS

NOT SOLD SEPARAT

Snap Ring

1шт.

20

NSS

NOT SOLD SEPARAT

Shaft

1шт.

21

NSS

NOT SOLD SEPARAT

Woodruff Key

1шт.

22

NSS

NOT SOLD SEPARAT

Roll Pin

1шт.

23

NSS

NOT SOLD SEPARAT

Front Motor Body (Includes Main Bearing)

1шт.

24

NSS

NOT SOLD SEPARAT

Hex Head Capscrew

4шт.

25

NSS

NOT SOLD SEPARAT

O-Ring

2шт.

26

NSS

NOT SOLD SEPARAT

Gerotor Housing

1шт.

27

NSS

NOT SOLD SEPARAT

Dowel Pin

1шт.

28

NSS

NOT SOLD SEPARAT

Dowel Pin

1шт.

29

NSS

NOT SOLD SEPARAT

Gerotor

1шт.

30

NSS

NOT SOLD SEPARAT

Motor End Plate (Includes Main Bearing)

1шт.

31

NSS

NOT SOLD SEPARAT

Bypass Adjusting Screw

1шт.

32

NSS

NOT SOLD SEPARAT

Gasket

1шт.

33

NSS

NOT SOLD SEPARAT

Washer

1шт.

34

NSS

NOT SOLD SEPARAT

Lock Nut

1шт.

35

NSS

NOT SOLD SEPARAT

Washer

4шт.

36

NSS

NOT SOLD SEPARAT

Capscrew

4шт.

37

NSS

NOT SOLD SEPARAT

O-Ring

2шт.

38

NSS

NOT SOLD SEPARAT

Tank Port Adapter

1шт.

39

NSS

NOT SOLD SEPARAT

Poppet

1шт.

40

NSS

NOT SOLD SEPARAT

Retaning Ring

1шт.

41

NSS

NOT SOLD SEPARAT

Tank Check Valve Assembly

1шт.

Consists of (1) O-Ring, (1) Tank Port Adapter(1) Poppet, (1) Retaining Ring

1шт.

42

NSS

NOT SOLD SEPARAT

Pressure Port Adapter

1шт.

43

NSS

NOT SOLD SEPARAT

Orifice O-Ring

1шт.

44

NSS

NOT SOLD SEPARAT

Metering Orifice

1шт.

Выбрано товаров: 56