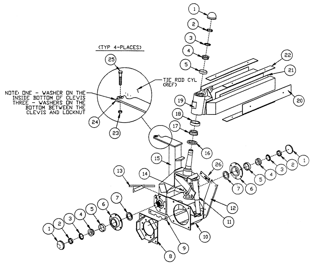
Запчасти Case IH PATRIOT NT (03-005) - STRUT ASSEMBLY - FRONT Suspension & Frame

Схема запчастей Case IH PATRIOT NT - (03-005) - STRUT ASSEMBLY - FRONT Suspension & Frame
16
26
14
2
7
20
9
6
4
24
1
7
6
12
3
1
10
2
25
3
4
3
13
23
1
4
22
11
2
21
5
5
17
19
8
15
5
18
FIT
1:1
100%

Артикул

Название

Примечание

Количество

1

BN80442

DUST CAP

2шт.

2

BN80443

LOCK NUT

6шт.

3

BN80444

LOCK WASHER,2.026" ID x 2.95" OD x 0.015"

lock, bearing

6шт.

4

BN31073

ROLLER BEARING,2" ID x 3.6718" OD x 1.1875"

6шт.

5

ST863

BEARING CUP,93.22mm OD x 23.81mm W

#3720

6шт.

6

BN29071

HUB

Assembly With Race and Seal

4шт.

Includes Ref. 51

1шт.

BN29058

SHIM

8" Dia x 12 ga

1шт.

7

BN31074

SEAL

4шт.

8

BN66894

PLATE

(Model #7 Hub)

2шт.

BN50320

Bolt- 5/8" x 2 1/4" G8

8шт.

BN50775

LOCK NUT

5/8"-18 UNF Center

8шт.

87343677

NUT

Hex, 5/8"-18, G8

8шт.

9

BN29081

4шт.

10

BN66423

BRACKET

L.H.

1шт.

BN66422

FRAME

R.H.

1шт.

11

BN27333

SERVICE KIT

Shock, Bushing, Bolt, Nut

2шт.

12

BN65585

SUPPORT

L.H.

1шт.

BN65584

SUPPORT

R.H.

1шт.

13

BN29690

DEFLECTOR

2шт.

14

BN309783

COIL SPRING

1.07" Wire x 7.37" od x 14.154" Long

2шт.

BN24261

RETAINER,13.46mm ID x 101.6mm OD x 6.35mm Thk

4" od x .53" id x 1/4"

4шт.

15

BN25735

STRUT

L.H

1шт.

BN25734

STRUT

R.H.

1шт.

16

BN52015

SEAL

2шт.

17

BN276475

ROLLER BEARING

2шт.

18

510892

BEARING CUP,112.71mm OD x 23.81mm W

2шт.

19

BN25569

AXLE

L.H.

1шт.

BN25563

AXLE

R.H.

1шт.

20

BN25472

LINER

RH

2шт.

BN25617

LINER

RH

2шт.

21

BN25470

LINER

LH

2шт.

22

BN25473

LINER

LH

4шт.

BN25472

LINER

RH

2шт.

23

87344001

NUT

3/4"-16

4шт.

24

BN50178

WASHER

Machine - 3/4"

16шт.

25

87342968

BOLT

3/4"-16 x 4 1/2", G5

4шт.

26

BN63919

BRACKET

Bulkhead Support

2шт.

27

BN68788

DUST CAP

w/Drill & Tap

4шт.

28

BN10465

NIPPLE, LUBE,1/4"-28 st

NIPPLE

4шт.

Выбрано товаров: 40