Запчасти Case IH PATRIOT WT (02-003) - WINDSHIELD WIPER Cab Exterior

Схема запчастей Case IH PATRIOT WT - (02-003) - WINDSHIELD WIPER Cab Exterior
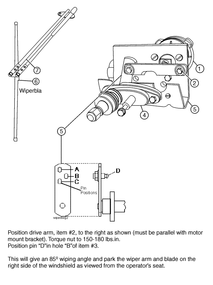
7
5
5
4
1
2
6
FIT
1:1
100%

Артикул

Название

Примечание

Количество

1a

BN63683

WIPER MOTOR

Assy (Incl. Ref 1- 5)

1шт.

1

BN29267

WIPER MOTOR

MOTOR, WIPER 2 Speed, 12V

1шт.

2

BN29268

DRIVE

Arm-wiper

1шт.

3

137961A1

SHAFT

And Pivot Assembly

1шт.

4

BN29270

ADAPTER

Pantograph Arm, Black

1шт.

4a

BN50939

BOLT

1/4"-28 x .5, SS

2шт.

Associated Part of Adapter, Pantograph Arm, BK, P/N 29270

1шт.

5

BN29881

BRACKET

Mount - Wiper Motor

1шт.

5a

BN50051

NUT,1/4"-20, USR

1шт.

Associated Part of Mount - Wiper Motor, P/N 29881

1шт.

5b

BN50671

BOLT,1/4"-20 x 1.00", Stainless Steel

1шт.

Associated Part of Mount - Wiper Motor, P/N 29881

1шт.

6

353273A1

BLADE,558.8mm L

Front Wiper, 22"

1шт.

7

BN67973

WIPER ARM

ARM, WIPER Pantograph, 20" Black

1шт.

Выбрано товаров: 14