Запчасти Case IH PATRIOT WT (06-008) - VALVE - 7-BANK DIRECTIONAL Hydraulic Plumbing

Схема запчастей Case IH PATRIOT WT - (06-008) - VALVE - 7-BANK DIRECTIONAL Hydraulic Plumbing
17
3
19
5
21
9
15
18
13
3
6
20
8
3
12
7
14
2
4
16
11
10
1
FIT
1:1
100%

Артикул

Название

Примечание

Количество

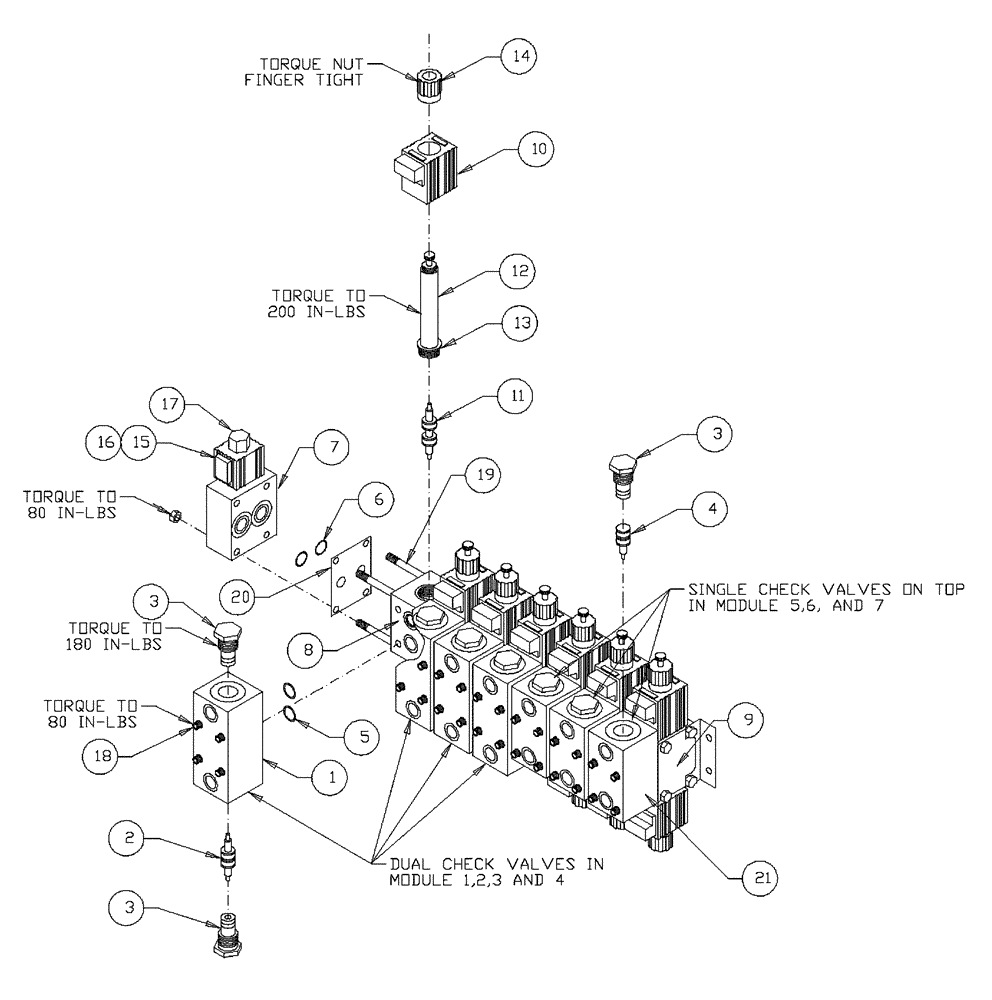
1

BN98677

BLOCK

Check Valve (Dual)

4шт.

2

BN98679

CHECK VALVE

Piston, Dual, 29345

4шт.

3

BN98227

VALVE

Check, 30 PSI Waterman, Top & Bottom on Dual Check Module #1, #2, #3, #4. Top Only on Single Check Module #5, #6, #7

11шт.

3a

BN98219

SEAL KIT

11шт.

Service Part of Ref. 3

1шт.

4

BN98680

PISTON

(For Single Check)

3шт.

5

BN98225

O-RING

Stacking Valve #29345

14шт.

6

BN98226

O-RING

Sandwich Valve #29345

14шт.

7

BN98336

HYDRAULIC VALVE

Block - Unloader

1шт.

Includes Refs. 15, 16, 17

1шт.

8

BN98325

BLOCK

Centers

6шт.

9

BN98324

BLOCK

End

1шт.

10

BN98222

COIL

W/Wire Leads & Packard Ends

14шт.

11

BN98220

SPOOL

7шт.

12

BN98221

TUBE

14шт.

Includes Ref. 13

1шт.

13

BN98224

O-RING

Tube Assy #98221

14шт.

14

BN98223

NUT

14шт.

15

BN98212

COIL

12 VDC Unloader Valve - W/Wire Leads & Packard Ends

1шт.

16

BN98217

CARTRIDGE

Unloader Valve #29345

1шт.

16a

BN98219

SEAL KIT

1шт.

Service Part of Ref. 16

1шт.

17

BN98218

NUT

Unloader Valve #29345

1шт.

18

BN50799

SCREW,1/4" - 20 x 2 1/4", Stainless

1/4 - 20 X 2.25 SS

28шт.

18a

BN50139

WASHER

1/4" spring lock

28шт.

Associated Part of Bolt - 1/4" NC x 2-1/4" Allen HD Capscrew, P/N 50799

1шт.

19

BN24141

THREADED TIE-ROD

1/4"-20 x 15-3/4"

4шт.

Shown

1шт.

7-Bank

1шт.

19

BN24156

THREADED TIE-ROD

1/4"-20 x 17-3/4"

4шт.

8-Bank

1шт.

19

280129

NUT,1/4"-20

4шт.

Associated Part of Threaded Rod - 1/4-20 x 17-3/4" (8 Bank) P/N 24141

1шт.

20

86986508

PLATE

Backing, Anodized

7шт.

21

BN98678

BLOCK

Check (Single)

3шт.

21a

86986492

HYDRAULIC VALVE

7 Bank

1шт.

Associated Part of Check Valve Block (Single), P/N 98678

1шт.

Shown

1шт.

21b

BN25223A

HYDRAULIC VALVE

Complete 8-Bank Valve Waterman

1шт.

Indicates Old Part Number or Can Order Newer Part Number Listed Above

1шт.

21c

BN25229

SHIELD

7 & 8 Bank Valve - Cover

1шт.

Associated Part of Check Valve Block (Single), P/N 98678

1шт.

21d

BN25230

MOUNTING PLATE

7 & 8 Bank Valve Cover

1шт.

Associated Part of Check Valve Block (Single), P/N 98678

1шт.

Выбрано товаров: 44