Запчасти Case IH PATRIOT WT (06-011) - SHIFT BLOCK - REPLACEMENT PARTS S/N 1882 & BELOW Hydraulic Plumbing

Схема запчастей Case IH PATRIOT WT - (06-011) - SHIFT BLOCK - REPLACEMENT PARTS S/N 1882 & BELOW Hydraulic Plumbing
3
2
4
5
2
6
8
9
9
5
6
4
FIT
1:1
100%

Артикул

Название

Примечание

Количество

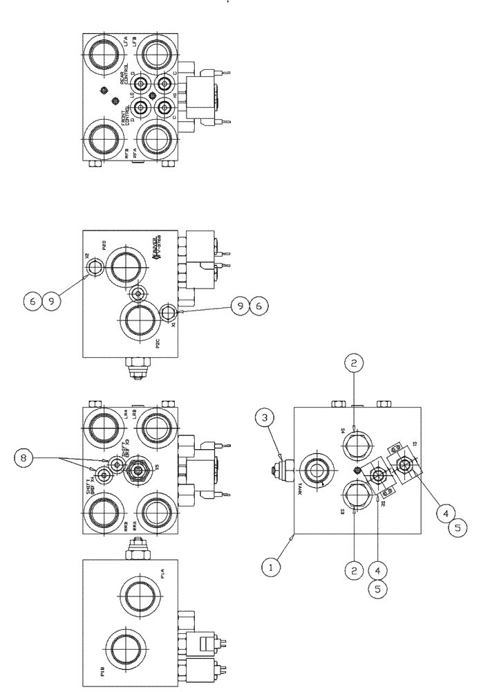
1

BN98584

MANIFOLD

Swiss Cheese

1шт.

2

BN98209

HYDRAULIC VALVE

Shuttle Valve

2шт.

2a

BN98213

SEAL KIT

for BN98209

2шт.

Service Part of Ref. 2

1шт.

3

BN98210

VALVE PRESSURE RELIE

Charge - Relief

1шт.

3a

BN98214

SEAL KIT

for BN98210

1шт.

Service Part of Ref. 3

1шт.

4

BN98585

CARTRIDGE

Cartridge

2шт.

4a

BN98586

SEAL KIT

for BN98585

2шт.

Service Part of Ref. 4

1шт.

5

BN98212

COIL

12 VDC Unloader Valve - W/Wire Leads & Packard Ends

2шт.

6

BN53991

PLUG

Hex Plug with O-Ring

5шт.

6a

BN98469

O-RING

5шт.

Associated Part of Hex Plug with O-Ring, P/N BN53991

1шт.

8

BN300314

ORIFICE

.020 shift

2шт.

9

BN300313

ORIFICE

.070 Load Share

2шт.

Выбрано товаров: 16