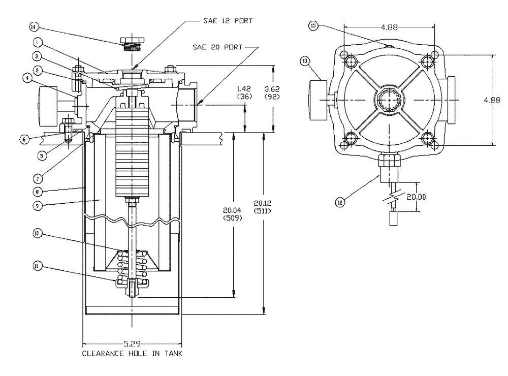
Запчасти Case IH PATRIOT WT (06-014) - AUXILIARY SYSTEM IN/TANK RETURN FILTER Hydraulic Plumbing

Схема запчастей Case IH PATRIOT WT - (06-014) - AUXILIARY SYSTEM IN/TANK RETURN FILTER Hydraulic Plumbing
14
9
6
15
2
8
13
7
12
11
5
10
3
4
1
FIT
1:1
100%

Артикул

Название

Примечание

Количество

0

BN53952

FILTER

In/Tank Complete

1шт.

1

BN54259

COVER

w/SAE 12 Port

1шт.

2

BN54260

O-RING

Cover, Buna

1шт.

3

BN54261

COIL SPRING

Conical

1шт.

4

BN54262

HEAD

1шт.

5

BN54263

O-RING

insert, Buna

1шт.

6

BN54264

GASKET

Tank, Buna

1шт.

7

BN54265

SEAL

By-Pass, Buna

1шт.

8

BN54266

FILTER

Diffusor

1шт.

9

BN53953

FILTER

1шт.

10

BN54267

O-RING

Element, Buna

1шт.

11

BN54268

By-Pass Assembly

1шт.

12

BN53955

PRESSURE SWITCH

Electrical

1шт.

13

BN53954

GAUGE

Pressure

1шт.

14

BN54270

PLUG

External, W/O-Ring #12

1шт.

15

BN54271

PLUG

Internal Hex 1/4 NPT

1шт.

16

BN54269

SEAL KIT

1шт.

Выбрано товаров: 17