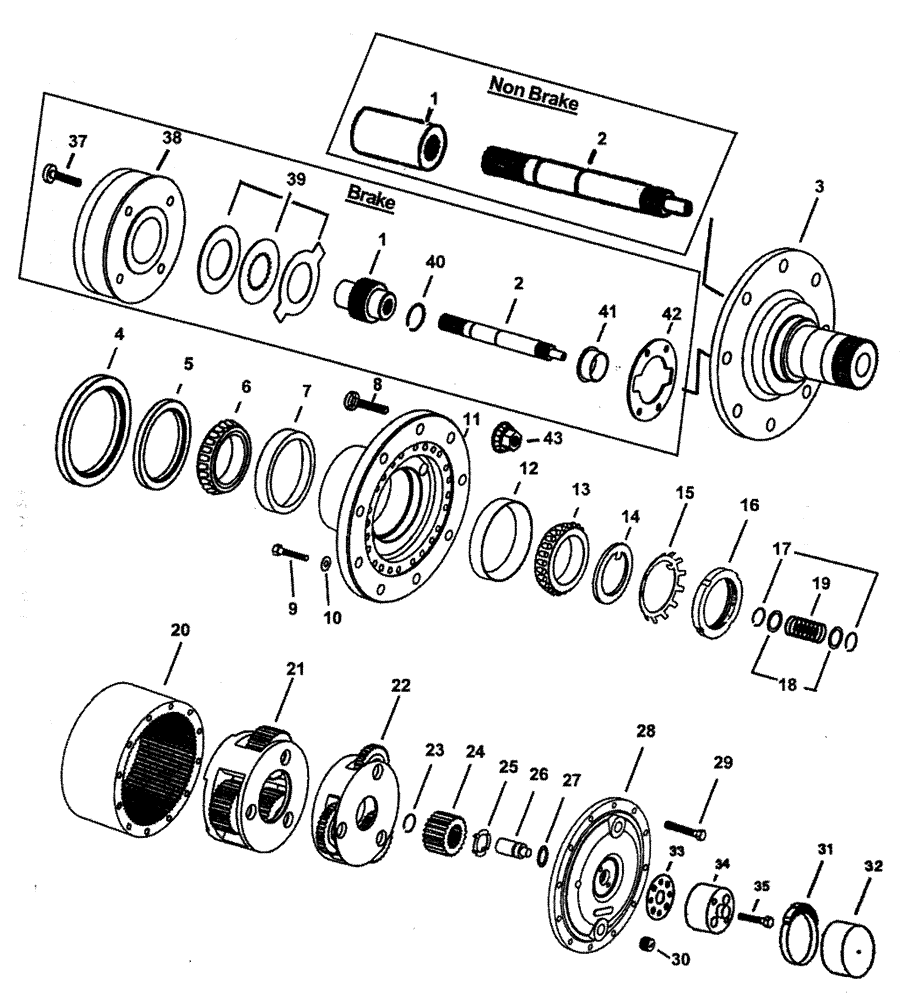
Запчасти Case IH PATRIOT WT (04-002) - POWER WHEEL HUB (AUBURN MODEL 7) SEAL & BEARING KIT Hub, Wheel & Tires

Схема запчастей Case IH PATRIOT WT - (04-002) - POWER WHEEL HUB (AUBURN MODEL 7) SEAL & BEARING KIT Hub, Wheel & Tires
15
23
39
2
17
6
1
33
4
18
38
27
9
40
41
2
42
29
5
34
13
11
14
16
26
1
20
8
35
24
31
3
7
28
10
21
22
43
25
19
37
12
32
30
FIT
1:1
100%

Артикул

Название

Примечание

Количество

1

BN98370

COUPLING

Non Brake Unit

1шт.

2

BN98793

SHAFT

Input - (15:1, 19:1, 21:1, 24:1)

1шт.

Must Be Replaced As Assembly. It Cannot Be Rebuilt

1шт.

BN98731

SHAFT

Input - (32:1)

1шт.

3

BN98732

SPINDLE

1шт.

1

BN98488

COUPLING

Brake Unit

1шт.

2

BN98794

SHAFT

Input - Brake (19:1, 21:1, 24:1)

1шт.

Must Be Replaced As Assembly. It Cannot Be Rebuilt

1шт.

BN98795

SHAFT

Input - Brake (28:1)

1шт.

3

BN98798

SPINDLE

Brake Unit

1шт.

37

BN98839

SCREW

Torx Head T-50

4шт.

38

BN66933

BRAKE

Piston Assembly

1шт.

39

BN98424

BRAKE

Pack

1шт.

40

BN98828

SNAP RING

Retaining

1шт.

41

BN98467

BUSHING

Sleeve

1шт.

42

BN98801

GASKET

Brake

1шт.

4

BN98740

SEAL

Trash

1шт.

BN98855

SEAL KIT

Spindle

1шт.

Includes BN98809 Sealing Compound and Refs. 5, 15, 27

1шт.

BN98802

SEAL KIT

Bearing

1шт.

Includes BN98809 Sealing Compound and Refs. 5, 6, 7, 12, 13, 15, 27

1шт.

5

BN98723

SEAL

Oil

1шт.

6

BN98738

ROLLER BEARING,73.03mm ID x 30.16mm W

Inner

1шт.

7

513379

BEARING CUP,117.47mm OD x 23.81mm W

Inner

1шт.

8

BN50791

BOLT

Wheel - 9/16-18 x 2 3/4 Gr. 8

9шт.

9

BN66932

BOLT

Hex Head GR 8

18шт.

10

BN98494

WASHER

flat

18шт.

11

BN98734

HUB

1шт.

12

BN98735

Cup

1шт.

13

BN98736

ROLLER BEARING

Outer

1шт.

14

BN98741

WASHER

Thrust

1шт.

15

BN98742

LOCK WASHER

1шт.

16

BN98743

BEARING LOCK NUT

Bearing

1шт.

17

BN98495

SNAP RING

Retaining

2шт.

18

BN98496

WASHER

2шт.

19

BN98497

SPRING

Disengage

1шт.

20

BN98744

RING GEAR

1шт.

21

BN98796

CARRIER

secondary assembly (15:1 ratio)

1шт.

Must Be Replaced As Assembly. It Cannot Be Rebuilt

1шт.

BN98797

CARRIER

Secondary Assembly (19:1, 21:1, 24:1, 28:1)

1шт.

BN98745

CARRIER

Secondary Assembly (32:1)

1шт.

22

BN66065

CARRIER

Primary Assembly - 32:1 Ratio (3 Gears, 30 Teeth Each Secondary Sun Gear - 16 Teeth)

1шт.

Must Be Replaced As Assembly. It Cannot Be Rebuilt

1шт.

BN66067

CARRIER

Primary Assembly - 28:1 Ratio (3 Gears-30 Teeth Each Secondary Sun Gear - 19 Teeth)

1шт.

BN66069

CARRIER

Primary Assembly - 24:1 Ratio (3 Gears-28 Teeth Each) Secondary Sun Gear - 19 Teeth)

1шт.

BN66071

CARRIER

Primary Assembly - 19:1 Ratio (3 Gears-26 Teeth Each Secondary Sun Gear - 19 Teeth)

1шт.

BN67199

CARRIER

Primary Assembly - 21:1 Ratio (3 Gears-27 Teeth Each Secondary Sun Gear - 19 Teeth)

1шт.

BN67167

CARRIER

Primary Assembly - 15:1 Ratio (3 Gears-24 Teeth Each) Secondary Sun Gear - 22 Teeth)

1шт.

23

BN98730

RETAINER

Ring - (w/Brake 28:1, 32:1)

1шт.

Must Be Replaced As Assembly. It Cannot Be Rebuilt

1шт.

BN98792

RETAINER

Ring - (w/o Brake 15:1, 19:1, 21:1, 24:1) (w/Brake 19:1, 21:1, 24:1}

1шт.

24

BN67166

GEAR

Primary Sun 15:1 Ratio (28 Teeth)

1шт.

Must Be Replaced As Assembly. It Cannot Be Rebuilt

1шт.

BN66070

SUN GEAR

Primary 19:1 Ratio (25 Teeth)

1шт.

BN67198

SUN GEAR

Primary 21:1 Ratio (22 Teeth)

1шт.

BN66068

GEAR

Primary Sun 24:1 Ratio (19 Teeth)

1шт.

BN66064

SUN GEAR

Primary 28:1 Ratio (16 Teeth)

1шт.

BN66064

SUN GEAR

Primary 32:1 Ratio (16 Teeth)

1шт.

25

BN98501

THRUST WASHER

1шт.

26

BN98728

PLUNGER

disengage

1шт.

27

BN98729

SEAL

plunger

1шт.

28

BN98733

COVER

1шт.

29

87657

BOLT,Hex, 5/16" - 18 x 1 1/4", Gr 5

8шт.

30

BN98487

PLUG

magnetic

1шт.

31

BN67578

CLAMP

plastic

1шт.

32

BN27372

CAP

hub cover

1шт.

33

BN98506

GASKET

quick release hub

1шт.

34

BN98860

COUPLING

Quick Disconnect

1шт.

35

BN50561

Hex Head

2шт.

36

BN98850

COUPLING

Quick Disconnect Assy

1шт.

Includes Refs. 33, 34, 35

1шт.

43

BN315227

WHEEL NUT

Flanged Wheel, 9/16"-18

9шт.

BN66382

HUB

Power Complete - No Brake 19:1 Ratio

1шт.

Not Shown

1шт.

BN65586

Power Hub Complete - w/Brake 19:1 Ratio

1шт.

Not Shown

1шт.

BN66385

HUB

Power Complete - No Brake 21:1 Ratio

1шт.

Not Shown

1шт.

BN66384

Power Hub Complete - w/Brake 21:1 Ratio

1шт.

Not Shown

1шт.

BN66380

HUB

Power Complete - No Brake 24:1 Ratio

1шт.

Not Shown

1шт.

BN313879

PACKAGE

Hub, Power Complete - With Brake 24:1 Ratio

1шт.

Not Shown

1шт.

BN66386

HUB

Power Complete - No Brake 15:1 Ratio

1шт.

Not Shown

1шт.

BN66060

HUB

Power Complete - w/Brake 28:1 Ratio

1шт.

Not Shown

1шт.

BN63705

HUB

Power Complete - No Brake 32:1 Ratio

1шт.

Not Shown

1шт.

BN315227

WHEEL NUT

Flanged Wheel, 9/16"-18

36шт.

Not Shown

1шт.

BN98809

SEAL

Compound

1шт.

Not Shown

1шт.

Выбрано товаров: 94