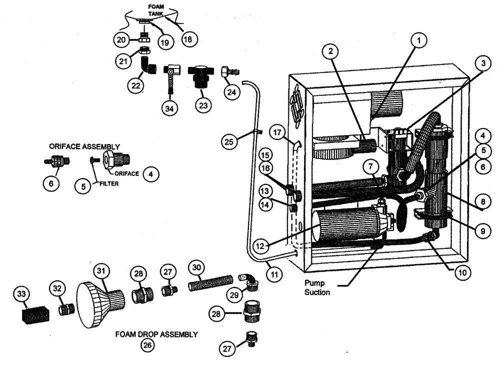
Запчасти Case IH PATRIOT WT (08-001) - FOAM MARKER - HIGH VOLUME (PLUMBING) Liquid Plumbing

Схема запчастей Case IH PATRIOT WT - (08-001) - FOAM MARKER - HIGH VOLUME (PLUMBING) Liquid Plumbing
26
33
31
15
7
11
5
34
10
18
17
27
5
1
9
6
25
6
27
28
22
8
32
23
4
30
21
2
24
2
4
19
3
28
16
13
14
29
12
FIT
1:1
100%

Артикул

Название

Примечание

Количество

1

BN27463

AIR COMPRESSOR

1шт.

2

BN27466

FILTER

Breather

1шт.

3

BN63912

HYDRAULIC VALVE

Directional Valve

1шт.

4

BN27467

ORIFICE

Assy - Liquid Inlet

1шт.

Includes Refs. 5 & 6

1шт.

5

BN27471

FILTER

100 Mesh

1шт.

6

BN73457

FITTING

3/8" NPT x 1/4" Barb

1шт.

7

BN73408

TEE

Pump Output

1шт.

8

BN63913

TUBE

Mix Tube w/Hose

1шт.

9

BN53888

PIPE CLAMP

Mix Tube Clamp

2шт.

10

BN27472

CHECK VALVE

Air Inlet 1/4" NPT X 3/8" Barb

1шт.

11

BN75959

FLEXIBLE HOSE

1/2" x 48"

1шт.

BN75956

CLAMP

#10 SS

2шт.

12

BN27469

PUMP

Liquid

1шт.

13

BN73403

PIPE FITTING,1/4" Male Thread x 1/4" Hose Barb

1/4" NPT x 1/4" Barb

1шт.

14

BN75925

FLEXIBLE HOSE

1/4" x 120"

1шт.

To Gauge

1шт.

BN76094

HOSE CLAMP

SS #M4

2шт.

15

BN73519

ELBOW

1/2" NPT x 3/4" Hose Barb

2шт.

16

BN75979

TUBE

Hose - 3/4" EVA x 50'

2шт.

To LH & RH Foam Drop Assembly

1шт.

BN75978

HOSE CLAMP

SS-#12 ADJ. HS .56-1.25

4шт.

17

BN73409

ELBOW

90°, 1/4" NPT x 3/8", Barb

1шт.

18

BN24189

TANK

35 Gallon

1шт.

BN24183

COVER

Rinse Tank (Ace)

1шт.

19

BN73733

FITTING

1 1/2" Bulkhead

1шт.

20

BN73716

BUSHING,1-1/2" Male NPT x 3/4" Female NPT, Poly

1.5 x .75 Reducer Poly

1шт.

21

BN73552

BUSHING,3/4" MPT x 1/2"FPT Reducing Bushing

Bushing - 3/4" x 1/2" NPT

1шт.

22

BN73511

FITTING

90° 1/2" Female NPT x 1/2" Male NPT

1шт.

23

BN27473

FILTER STRAINER

Line, 80 Mesh

1шт.

BN98717

SCREEN

#80 Mesh

1шт.

24

BN73518

FITTING

Barb - 1/2" Female NPT x 1/2" Barb

1шт.

25

86624005

CLAMP,19mm, Coat, 10.3mm Bolt Hole, P Type

1шт.

26

BN27474

FOAM

Drop Assembly, Complete

2шт.

Includes Refs. 27 - 33

1шт.

27

BN53666

FITTING

Barb - 1" NPT x 3/4" Barb

4шт.

28

BN73683

COUPLING

1" NPT

4шт.

29

BN73684

ELBOW

Barb, 90° 1" MPT x 3/4" Barb

2шт.

30

BN75981

TUBE

3/4" EVA x 12"

2шт.

BN75978

HOSE CLAMP

SS-#12 ADJ. HS .56-1.25

4шт.

31

BN27475

FOAM

BELL, Drop

2шт.

BN76093

HOSE CLAMP

#28

2шт.

32

BN73648

NIPPLE

1" Short Poly Pipe

2шт.

33

BN27462

SCREEN

2шт.

34

BN63914

HYDRAULIC VALVE

Shut Off

1шт.

BN27461

GAUGE

Pressure 0-60 psi

1шт.

Not Shown

1шт.

BN78410

1/4" Gauge

1шт.

Not Shown

1шт.

BN27460

Speed Control

1шт.

Not Shown

1шт.

Выбрано товаров: 51