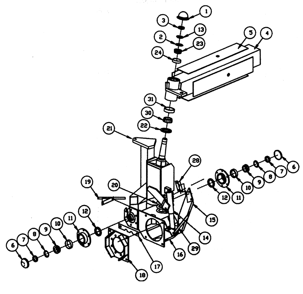
Запчасти Case IH PATRIOT WT (03-004[01]) - STRUT ASSEMBLY - FRONT (MODEL 7 HUB) Suspension & Frame

Схема запчастей Case IH PATRIOT WT - (03-004[01]) - STRUT ASSEMBLY - FRONT (MODEL 7 HUB) Suspension & Frame
15
11
6
8
13
22
23
28
14
21
9
3
19
10
9
7
17
12
5
24
16
6
20
11
29
4
18
30
7
1
12
8
31
10
2
FIT
1:1
100%

Артикул

Название

Примечание

Количество

1

BN89874

DUST CAP

2шт.

2

BN66209

WASHER,65.79mm ID x 95.25mm OD x 9.65mm Thk

spacer, front spindle

2шт.

3

BN58124

BEARING LOCK NUT

2шт.

4

BN65224

L.H.

1шт.

Shown

1шт.

BN65225

R.H.

1шт.

5

BN25527

LINER

nylatron .187 x 7 x 40

8шт.

BN50014

BOLT

5/16"-18 x .75, EH

8шт.

BN50056

LOCK NUT

5/16"-18, Whiz

8шт.

6

BN80442

DUST CAP

4шт.

7

BN80443

LOCK NUT

4шт.

8

BN80444

LOCK WASHER,2.026" ID x 2.95" OD x 0.015"

lock, bearing

4шт.

9

BN31073

ROLLER BEARING,2" ID x 3.6718" OD x 1.1875"

4шт.

10

ST863

BEARING CUP,93.22mm OD x 23.81mm W

#3720

4шт.

11

BN29071

HUB

Assembly With Race and Seal

4шт.

Includes Ref. 10

1шт.

BN29058

SHIM

8" Dia x 12 ga

1шт.

12

BN31074

SEAL

4шт.

13

BN58125

LOCK WASHER

lock, series wh

2шт.

14

BN27333

SERVICE KIT

Shock, Bushing, Bolt, Nut

2шт.

15

BN65573

BRACKET

L.H.

1шт.

BN65574

BRACKET

R.H.

1шт.

16

BN29038

HOUSING

L.H.

1шт.

Shown

1шт.

BN29037

HOUSING

R.H.

1шт.

Opposite

1шт.

17

BN29081

4шт.

18

BN63954

Plate

2шт.

NSS

NOT SOLD SEPARAT

5/8" x 2.25" GR 8

8шт.

BN52329

BOLT

5/8" x 3 GR 8

8шт.

BN50775

LOCK NUT

5/8"-18 UNF Center

8шт.

87343677

NUT

Hex, 5/8"-18, G8

8шт.

19

BN29690

DEFLECTOR

2шт.

20

BN24159

COIL SPRING

Extra H.D.

2шт.

BN24261

RETAINER,13.46mm ID x 101.6mm OD x 6.35mm Thk

4" od x .53" id x 1/4"

4шт.

21

BN323756

STRUT

Front, LH

1шт.

Shown

1шт.

BN65229

STRUT

RH

1шт.

Opposite

1шт.

22

86986322

OIL SEAL,110.11mm ID x 136.68mm OD x 12.7mm Thk

Double Lip, 5.381 od x 4.335 id x .5

2шт.

23

9672528

ROLLER BEARING,69.85mm ID

2шт.

24

BN52024

RACE

2шт.

28

BN63919

BRACKET

Mount - Hyd hose

2шт.

29

BN65576

SUPPORT

R.H.

1шт.

BN65577

BRACKET

L.H.

1шт.

30

BN89876

ROLLER BEARING,82.55mm ID x 33.34mm W

Bearing

2шт.

31

BN89875

RACE

Race

2шт.

Выбрано товаров: 47