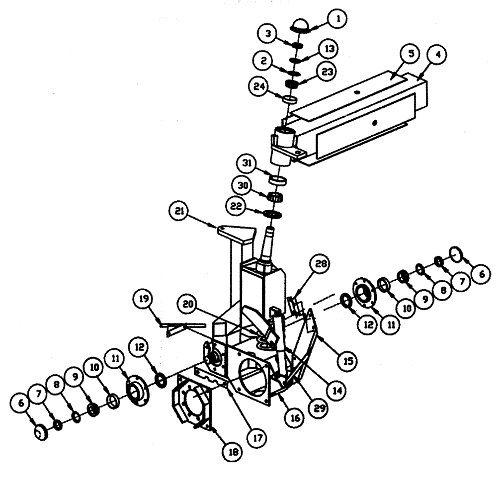
Запчасти Case IH PATRIOT WT (03-004[02]) - STRUT ASSEMBLY - FRONT (MODEL 8 HUB) Suspension & Frame

Схема запчастей Case IH PATRIOT WT - (03-004[02]) - STRUT ASSEMBLY - FRONT (MODEL 8 HUB) Suspension & Frame
30
9
24
6
8
21
7
28
3
11
2
9
19
14
6
13
10
12
31
7
1
16
20
29
18
10
5
23
8
17
11
22
12
15
4
FIT
1:1
100%

Артикул

Название

Примечание

Количество

1

BN89874

DUST CAP

2шт.

2

BN66209

WASHER,65.79mm ID x 95.25mm OD x 9.65mm Thk

spacer, front spindle

2шт.

3

BN58124

BEARING LOCK NUT

2шт.

4

BN65224

L.H.

1шт.

Shown

1шт.

BN65225

R.H.

1шт.

5

BN25527

LINER

nylatron .187 x 7 x 40

8шт.

BN50014

BOLT

5/16"-18 x .75, EH

8шт.

BN50056

LOCK NUT

5/16"-18, Whiz

8шт.

6

BN80442

DUST CAP

4шт.

7

BN80443

LOCK NUT

4шт.

8

BN80444

LOCK WASHER,2.026" ID x 2.95" OD x 0.015"

lock, bearing

4шт.

9

BN31073

ROLLER BEARING,2" ID x 3.6718" OD x 1.1875"

4шт.

10

ST863

BEARING CUP,93.22mm OD x 23.81mm W

#3720

4шт.

11

BN29071

HUB

Assembly With Race and Seal

4шт.

Includes Ref. 10

1шт.

BN29058

SHIM

8" Dia x 12 ga

1шт.

12

BN31074

SEAL

4шт.

13

BN58125

LOCK WASHER

lock, series wh

2шт.

14

BN27333

SERVICE KIT

Shock, Bushing, Bolt, Nut

2шт.

15

BN65573

BRACKET

L.H.

1шт.

BN65574

BRACKET

R.H.

1шт.

16

BN66423

BRACKET

L.H.

1шт.

Shown

1шт.

BN66422

FRAME

R.H.

1шт.

Opposite

1шт.

17

BN67444

SHIM

Auburn hubs

4шт.

18

BN66291

BRACKET

2шт.

BN52320

BOLT

Hex, 5/8"-18 x 2 1/4", G8

8шт.

NSS

NOT SOLD SEPARAT

Bolt - 5/8" x 3 GR 8

8шт.

BN50775

LOCK NUT

5/8"-18 UNF Center

8шт.

87343677

NUT

Hex, 5/8"-18, G8

8шт.

19

BN29690

DEFLECTOR

2шт.

20

BN24159

COIL SPRING

Extra H.D.

2шт.

BN24261

RETAINER,13.46mm ID x 101.6mm OD x 6.35mm Thk

4" od x .53" id x 1/4"

4шт.

21

BN323756

STRUT

Front, LH

1шт.

Shown

1шт.

BN65229

STRUT

RH

1шт.

Opposite

1шт.

22

86986322

OIL SEAL,110.11mm ID x 136.68mm OD x 12.7mm Thk

Double Lip, 5.381 od x 4.335 id x .5

2шт.

23

9672528

ROLLER BEARING,69.85mm ID

2шт.

24

BN52024

RACE

2шт.

28

BN63919

BRACKET

Mount - Hyd hose

2шт.

29

BN65576

SUPPORT

Brace - R.H.

1шт.

BN65577

BRACKET

Brace - L.H.

1шт.

30

BN89876

ROLLER BEARING,82.55mm ID x 33.34mm W

2шт.

31

BN89875

RACE

2шт.

Выбрано товаров: 47