Запчасти Case IH PATRIOT WT (02-004) - MANIFOLD - VALVE - SEALS & REPAIR (01) - ENGINE

Схема запчастей Case IH PATRIOT WT - (02-004) - MANIFOLD - VALVE - SEALS & REPAIR (01) - ENGINE
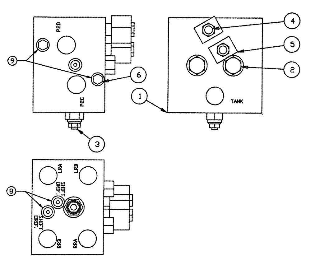
6
8
2
1
5
9
3
4
FIT
1:1
100%

Артикул

Название

Примечание

Количество

1

BN98584

MANIFOLD

1шт.

2

BN98209

HYDRAULIC VALVE

Shuttle

2шт.

BN98213

SEAL KIT

For 98209

2шт.

3

BN98210

VALVE PRESSURE RELIE

Charge

1шт.

BN98214

SEAL KIT

For 98210

1шт.

4

BN98585

CARTRIDGE

Solenoid Cartridge

2шт.

BN98586

SEAL KIT

For 98585

2шт.

5

BN98212

COIL

12 VDC Unloader Valve - W/Wire Leads & Packard Ends

2шт.

6

BN98469

O-RING

5шт.

BN53991

PLUG

Hex, w/O-Ring

5шт.

7

BN54214

Assembly, Complete (As Shown)

1шт.

8

BN98719

ORIFICE

Shift, .020 Diameter

2шт.

9

BN98720

ORIFICE

Load Shear, .070 Diameter

2шт.

Выбрано товаров: 13