Запчасти Case IH TYLER (10-004) - TOW HITCH ASSEMBLY - TYLER SPRAYER Options

Схема запчастей Case IH TYLER - (10-004) - TOW HITCH ASSEMBLY - TYLER SPRAYER Options
6
9
14
5
8
6
5
10
17
7
13
16
4
2
3
11
12
15
7
1
FIT
1:1
100%

Артикул

Название

Примечание

Количество

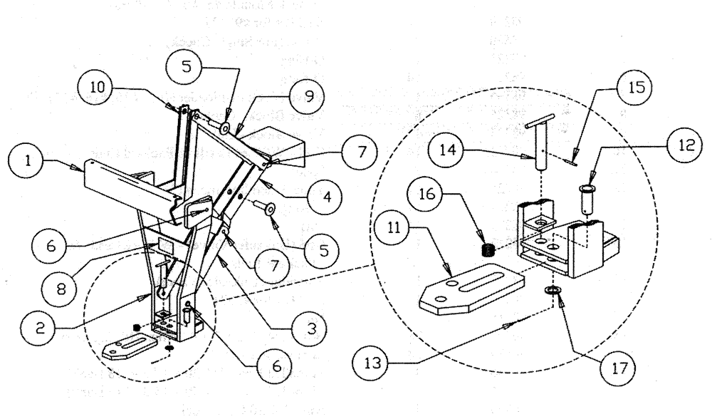
1

BN29535

MOUNTING PLATE

1шт.

2

BN24576

Hitch

1шт.

3

BN29541

LINKAGE

1шт.

4

BN29540

SUPPORT

2шт.

5

BN29544

PIN

2шт.

6

BN29548

BUSHING

4шт.

7

BN29549

BUSHING

4шт.

8

BN24603

DECAL

Adj. Hitch

2шт.

9

BN25151

SUPPORT

L.H.

1шт.

10

BN25152

SUPPORT

R.H.

1шт.

11

BN24575

PLATE

Hitch

1шт.

12

BN24294

PIN

1шт.

13

BN50623

Pin - Cotter

1шт.

14

BN24292

PIN

1шт.

15

BN50927

Roll

1шт.

16

BN24331

Compression

1шт.

17

BN50168

WASHER,25.4mm ID x 38.1mm OD x 3.57mm Thk

1" ID x 1.5 OD x 10 Ga

1шт.

Выбрано товаров: 17