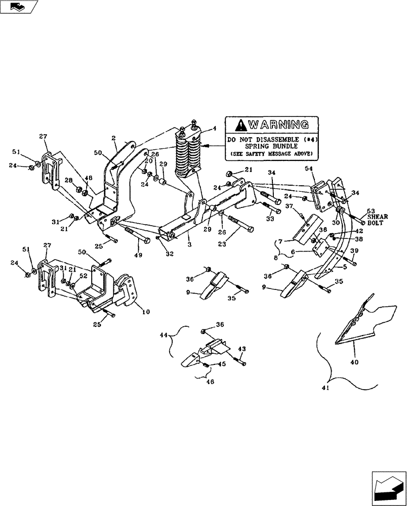
Запчасти Case IH 1300 (75.200.03) - PARABOLIC SHANK (75) - SOIL PREPARATION

Схема запчастей Case IH 1300 - (75.200.03) - PARABOLIC SHANK (75) - SOIL PREPARATION
36
8
44
27
52
27
25
36
4
46
40
51
39
41
6
26
31
7
53
50
35
50
21
30
5
43
35
10
46
21
3
45
29
23
49
24
29
21
34
28
9
51
9
36
42
31
32
24
24
2
20
33
54
36
24
37
24
25
26
34
FIT
1:1
100%

Артикул

Название

Примечание

Количество

1

87442086

SHANK

S/R-12 Assy. Less Shank

1шт.

2

09651518

MOUNTING PARTS

S/R-12

1шт.

3

09651420

SHANK

S/R-12 Pivot Beam

1шт.

4

87443458

CASTING

S/R-12 Spring Assy.

1шт.

5

33020040

SHANK

Parabolic

1шт.

6

09580750

HITCH BRACKET

Parabolic Cover Attachment

1шт.

7

33310076

LANDSIDE

Parabolic 4" Covering Polnt w/Hardware

1шт.

8

09580060

BRACKET

Parabolic 4" Covering Attachment, Include Items Ref. 6, 7, 36-39 And 42

1шт.

9

09729000

POINT

2" Parabolic Assy.

1шт.

9

09729001

POINT

5" Tiger w/Hardware

1шт.

9

09729002

POINT

7" Tiger w/Hardware

1шт.

10

09651505

MOUNTING PARTS

Shear Bolt Assy.

1шт.

20

425-1410

JAM NUT,Jam, 5/8"-11, G5

2шт.

21

425-1012

NUT,3/4"-10, G5

2шт.

23

16901025

CAPSCREW,Hex, 5/8" - 11 x 7 1/2", Spcl, Gr 5

5/8" x 7-1/2" NC Hex., Gd. 5

2шт.

24

425-1010

NUT,5/8"-11, G5

5шт.

25

16901235

CAPSCREW,Hex, 3/4" - 10 x 7 1/2", Gr 5

3/4" x 7-1/2" NC Hex., Gd. 5

1шт.

26

495-21069

WASHER,5/8"

4шт.

27

09651540

MOUNTING CLIP

Clamp

1шт.

28

425-1414

JAM NUT,Jam, 7/8"-9, G5

1шт.

29

44006201

BUSHING,16.38mm ID x 28.58mm OD x 15.75mm L

H.T

4шт.

30

44006510

BUSHING

Serrated H.T.

2шт.

31

425-1412

JAM NUT,Jam, 3/4"-10, G5

1шт.

32

219-86

LUBE NIPPLE,1/8" NPTF

NPT Grease Zerk

1шт.

33

413-1064

BOLT,Hex, 5/8" - 11 x 4", Gr 5

1шт.

34

16901215

BOLT

3/4" x 3-3/4" A325 Hex., Gd. 5

1шт.

35

413-836

BOLT,Hex, 1/2" - 13 x 2-1/4", Gr 5

1шт.

36

425-108

NUT,1/2" - 13, Gr 5

1шт.

37

420-2720

PLOW BOLT,#3, 7/16" - 14 x 1 1/4", Gr 8

2шт.

38

425-107

NUT,7/16"-14, G5

2шт.

39

413-844

BOLT,Hex, 1/2" - 13 x 2-3/4", Gr 5

2шт.

40

33310081

LANDSIDE

6" Covering Point Assy.

1шт.

41

09650060

PLOW

6" Covering Attachment, Includes Items Ref. 6, 36-40 And 42

1шт.

42

492-11044

LOCK WASHER,7/16"

2шт.

43

413-836

BOLT,Hex, 1/2" - 13 x 2-1/4", Gr 5

1шт.

44

09729004

FROG, SADDLE FROG

7" Replaceable Tip Point Assy. Includes Items Ref. 36, 43, 45 And 46

1шт.

45

245466A1

RETAINER,Flexpin, Bucket Tooth

3/8" Flex Pin - Refer to Item Ref 46

1шт.

46

87412311

TIP

Replaceable, Includes Ref. 45

1шт.

48

425-1014

NUT,7/8"-9, G5

1шт.

49

16901435

BOLT

7/8" x 7-3/4" NC Hex., Gd. 5

1шт.

50

413-10112

BOLT,Hex, 5/8" - 11 x 7", Gr 5

2шт.

51

17411012

WASHER

5/8"

2шт.

52

17413011

WASHER

3/4"

1шт.

53

413-1060

BOLT,Hex, 5/8" - 11 x 3-3/4", Gr 5

1шт.

54

09651570

HOLDER

Shank

1шт.

Выбрано товаров: 45