Запчасти Case IH 14 (9-34) - GAUGE WHEEL, 14 SUBSOIL CHISEL (09) - CHASSIS/ATTACHMENTS

Схема запчастей Case IH 14 - (9-34) - GAUGE WHEEL, 14 SUBSOIL CHISEL (09) - CHASSIS/ATTACHMENTS
2
17
20
2a
14
6
10
22
4
18
8
5
19
9
22
12
3
1
2a
16
15
11
21
7
13
FIT
1:1
100%

Артикул

Название

Примечание

Количество

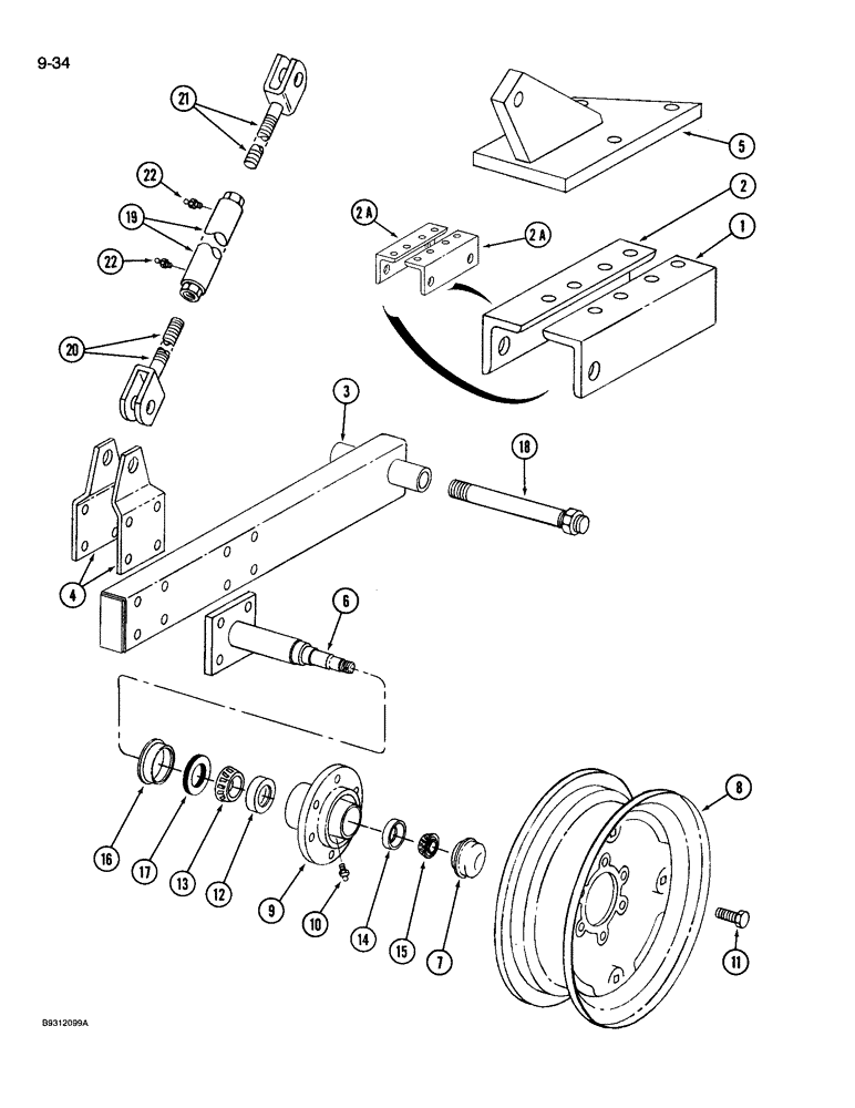
1

112437C2

ANGLE

- gauge wheel support, right-hand, no longer available, order item 2A, 1986191C1 angle

2шт.

2

112438C2

ANGLE

- gauge wheel support, left-hand, no longer available, order item 2a, 1986191C1 angle

2шт.

2a

1986191C1

ANGLE

- gauge wheel support, left-hand or right-hand

4шт.

3

131739C1

ARM

STANDARD - gauge wheel

2шт.

4

131744C1

SUPPORT

ANCHOR - turnbuckle

4шт.

413-1076

BOLT,Hex, 5/8" - 11 x 4-3/4", Gr 5

- hex, 5/8 NC x 4-3/4 inch (9 shank)

8шт.

413-1084

BOLT,Hex, 5/8" - 11 x 5-1/4", Gr 5

- hex, 5/8 NC x 5-1/4 inch

8шт.

231-42110

LOCK NUT,Hex, 5/8"-11, GB

NUT - hex, self-locking, 5/8 inch NC

8шт.

5

112446C2

ANCHOR

- turnbuckle, right-hand

1шт.

5

112447C2

ANCHOR

- turnbuckle, left-hand

1шт.

413-14136

BOLT,Hex, 7/8" - 9 x 8-1/2", Gr 5

- hex, 7/8 NC x 8-1/2 inch (9 shank)

8шт.

413-14104

BOLT,Hex, 7/8" - 9 x 6-1/2", Gr 5

- hex, 7/8 NC x 6-1/2 inch (5 shank)

8шт.

326968C1

LOCK NUT

- hex lock, special, 7/8 inch NC

8шт.

6

131743C1

SPINDLE

- wheel (See Note)

2шт.

369857R1

WASHER,20.7mm ID x 31.75mm OD x 3mm Thk

- flat, hardened (See Note)

2шт.

69442D

NUT

- slotted hex, 3/4 inch NF (See Note)

2шт.

432-824

COTTER PIN,1/8" x 1 1/2"

PIN, SPLIT (COTTER), 1/8" x 1-1/2"

2шт.

413-1076

BOLT,Hex, 5/8" - 11 x 4-3/4", Gr 5

- hex, 5/8 NC x 4-3/4 inch

8шт.

231-42110

LOCK NUT,Hex, 5/8"-11, GB

NUT - hex, self-locking, 5/8 inch NC

8шт.

7

663908R1

CAP

- hub (See Note)

2шт.

8

A57879

RIM

WHEEL - 15 x 8 inch (See Note)

2шт.

9

465493R2

HUB

- wheel, 6 bolt (See Note)

2шт.

10

86636814

LUBE NIPPLE,1/4"-28 x .52" lg

FITTING - grease, straight, 1/4 inch NF (See Note)

2шт.

11

549962R1

BOLT,1 1/2" - 20 x 1 1/2", Class 3

- hex conical, 1/2 NF x 1-1/2 inch (See Note)

12шт.

12

618024R1

BEARING CUP,65.113mm OD x 13.97mm W

Replaces G57451 cup (See Note)

2шт.

13

618023R91

BEARING ASSY,34.93mm ID x 18.2mm W

BEARING - tapered roller, replaces G57452 bearing (See Note)

2шт.

14

371883R1

BEARING CUP

Outer (See Note)

2шт.

15

371882R91

ROLLER BEARING,20.64mm ID x 49.23mm OD x 19.84mm W

- Tapered roller, outer (See Note)

2шт.

16

667564R2

SLEEVE

- oil seal (See Note)

2шт.

17

667599R92

SEAL

- oil (See Note)

2шт.

18

122892C21

STUD

- gauge wheel pivot (See Note)

2шт.

25-1016

NUT,1"-8, G5

2шт.

489528R1

LOCK NUT

- hex lock, 1 inch NC

2шт.

19

480249R1

TRUSS ROD

TURNBUCKLE - clevis

2шт.

20

1344919C1

CLEVIS

- left-hand, replaces 488287R1 clevis

2шт.

21

1344920C1

CLEVIS

- right-hand, replaces 488288R1 clevis

2шт.

439-51644

HEADED PIN,1" x 2 3/4", G5

PIN - headed, 1 x 2-3/4 inch

4шт.

432-1624

COTTER PIN,1/4" x 1 1/2"

Pin, Split (Cotter), 1/4" x 1-1/2"

4шт.

425-1416

JAM NUT,Jam, 1"-8, G5

- hex jam, 1 inch

4шт.

22

219-17

LUBE NIPPLE,3/16" NPTF

FITTING - grease, straight, 3/16 drive type x 17/32"

4шт.

Выбрано товаров: 40