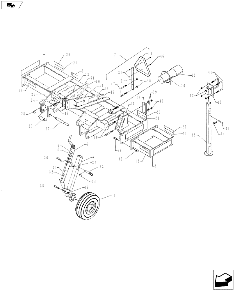
Запчасти Case IH 2500 ECOLO-TIL (39.100.01) - A AND B MAIN FRAME BOLT ON WINGS (39) - FRAMES AND BALLASTING

Схема запчастей Case IH 2500 ECOLO-TIL - (39.100.01) - A AND B MAIN FRAME BOLT ON WINGS (39) - FRAMES AND BALLASTING
20
29
18
45
12
49
9
43
20
25
48
5
31
38
4
21
2
21
17
26
51
22
23
32
39
15
20
12
37
19
8
1
47
46
36
13
33
3
24
home
31
37
7
6
30
50
40
34
16
21
14
42
10
41
35
27
28
44
11
FIT
1:1
100%

Артикул

Название

Примечание

Количество

1

87410056

BAR ASSY.

A Frame, 99, Red

1шт.

1

87410058

BAR ASSY.

B Frame, 135, Red

1шт.

2

87410040

TUBE

17 Inch, Red, LH Wing

1шт.

2

87410048

TUBE

17 Inch, Red, RH Wing

1шт.

2

87410042

TUBE

27 Inch, Red, LH Wing

1шт.

2

87410050

TUBE

27 Inch, Red, RH Wing

1шт.

3

18534292

DECAL

Depth Indicator

2шт.

4

09661286

INDICATOR STRIP

2шт.

5

32253000

JACK ASSY.

5000#

2шт.

7

18534259

DECAL

SMV Kit, 2500

1шт.

8

09661280

SPINDLE

Right

1шт.

8

09661290

SPINDLE

Left

1шт.

9

06000099

BRACE

SMV

1шт.

10

311860A1

EMBLEM

SMV, Steel, Black

1шт.

11

10008160

WHEEL ASSY.

20.5 x 8, 6-Bolt, White

2шт.

11

10008260

LAND WHEEL

20.5 x 8, 6-Bolt, Silver

2шт.

14

18534362

DANGER DECAL

1шт.

14

311864A1

REFLECTOR

Amber

1шт.

15

18534361

DANGER DECAL

1шт.

16

09576610

LINKAGE

Flat

2шт.

17

09661270

BRACKET

Gauge Wheel

2шт.

18

09661250

STAND

Parking

1шт.

19

09661260

STAND

Parking

1шт.

20

311865A1

REFLECTOR

Flourescent

4шт.

21

311863A1

REFLECTOR

Red

4шт.

22

30026030

TUBE

Canister

1шт.

23

02305000

SPACER

Catagory 3, Hitch Pin

2шт.

24

14816500

SPECIAL PIN

1 Dia. Clevis, Coated

1шт.

25

14820364

SPECIAL PIN

1-1/4 Dia. Coated

1шт.

26

214-1452

HOSE CLAMP,#52, 2.81" - 3.75", Type F Worm

1шт.

27

14892370

SPECIAL PIN,36.52mm OD x 382.52mm L

Combination 3 Point, Coated

1шт.

28

A33509

PIN,11.18mm OD

Klik

2шт.

29

413-1240

BOLT,Hex, 3/4" - 10 x 2-1/2", Gr 5

12шт.

30

425-1012

NUT,3/4"-10, G5

12шт.

31

86992211

NUT

1/4, NC, Stover

2шт.

32

413-444

BOLT,Hex, 1/4" - 20 x 2-3/4", Gr 5

2шт.

33

14816348

PIN,25.4mm OD x 133.35mm L

2шт.

34

A30338

PIN

1/4 Dia. x 1-3/4, Klik

2шт.

35

413-1056

BOLT,Hex, 5/8" - 11 x 3-1/2", Gr 5

2шт.

36

413-1032

BOLT,Hex, 5/8" - 11 x 2", Gr 5

2шт.

37

85700693

NUT,5/8" - 11, Gr C

8шт.

38

413-12104

BOLT,Hex, 3/4" - 10 x 6-1/2", Gr 5

4шт.

39

492-11075

LOCK WASHER,3/4"

4шт.

40

425-1012

NUT,3/4"-10, G5

4шт.

41

87427168

U-BOLT

5/8 x 6 x 5-1/2

2шт.

42

425-1010

NUT,5/8"-11, G5

4шт.

43

14810270

CLEVIS

5/8 x 3-1/2, EL, Pin

1шт.

44

14720411

COTTER PIN

PIN, COTTER 1/8 x 2, Hair, ZP

1шт.

45

86992213

NUT

3/8, NC, Stover

2шт.

46

413-412

BOLT,Hex, 1/4" - 20 x 3/4", Gr 5

2шт.

47

16309101

U-BOLT,3/8" - 16, Square, 4" W x 6" L

BOLT "U" 3/8 x 6 x 4

1шт.

48

1978738C1

HAIR PIN COTTER

3/16" x 3

2шт.

49

18534107

DECAL

Patent

1шт.

50

18534277

DECAL

Warning

1шт.

51

18534387

CAUTION DECAL

1шт.

Выбрано товаров: 55